RO Membrane Performance Enhancement
Reverse osmosis membranes operate under demanding conditions, processing feed water with varying salinity levels (15,000-45,000 ppm TDS in seawater applications) while maintaining consistent flux rates and rejection performance. Over time, membrane surfaces accumulate organic and inorganic fouling layers that reduce efficiency and increase energy requirements, with flux declining by up to 30% in the first year of operation.
The fundamental challenge lies in developing membrane materials and structures that simultaneously maximize water flux, maintain high salt rejection, and resist fouling—three objectives that often work against each other at the molecular level.
This page brings together solutions from recent research—including antifouling surface coatings, composite membranes with enhanced hydrophilicity, quaternary ammonium-based antimicrobial layers, and novel operational control strategies. These and other approaches aim to extend membrane lifetime and reduce operational costs in large-scale desalination plants.
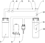
1. Split Reverse Osmosis System with Series-Connected Membrane Units and Adjustable Concentrate Recirculation
Guangdong Lizi Technology Co., Ltd., GUANGDONG LIZI TECHNOLOGY CO LTD, 2024
A split reverse osmosis water filtration system that increases the efficiency and reduces waste in reverse osmosis filtration. The system has two separate reverse osmosis membrane filtration units connected in series. After the first membrane unit, a valve and flow meter allow adjustment of the proportion of the concentrated water that is sent back to the first unit for further filtration versus directly discharged. This increases the overall pure water output ratio without reducing membrane life or quality.
2. Reverse Osmosis Membrane with Multi-Layered Functional Separation Structure
WANHUA CHEMICAL GROUP CO LTD, 2024
Reverse osmosis membrane with anti-pollution and chemical cleaning resistance. The membrane has a base layer, a porous support layer, and a functional separation layer. The functional separation layer has three layers: a cross-linked aromatic polyamide layer, an acidic polyether copolymer layer, and an acidic modified polyvinyl alcohol layer. These layers are connected by a cross-linking agent. The layers provide high hydrophilicity and resistance to pollution and acid/alkali cleaning compared to plain aromatic polyamide membranes.
3. Pleated Semipermeable Membrane Element with High Porosity and Fold Width-Thickness Ratio
TORAY ADVANCED MATERIALS RES LABORATORIES CHINA CO LTD, TORAY ADVANCED MATERIALS RESEARCH LABORATORIES CO LTD, 2024
A semipermeable membrane element for water filtration that has high water permeability, low pressure loss, and low damage risk. The membrane has a pleated structure with fold heights of 30nm and a fold width-thickness ratio greater than 1. This pleated structure provides a large surface area for improved water permeation. The raw water flow path has a high porosity (94% or more) to reduce pressure loss. The membrane element system uses elements with higher raw water side porosity on the supply side to match the lower flow rates there. This reduces pressure loss and improves system performance.
4. Reverse Osmosis Membrane with Alternating Sterilization Grids and Irregular Perforated Diaphragm Modules
JIANGSU LONGMO ENVIRONMENTAL TECH CO LTD, JIANGSU LONGMO ENVIRONMENTAL TECHNOLOGY CO LTD, 2023
Ultra-thin reverse osmosis membrane with improved fouling resistance and stability. The membrane has a center liquid column surrounded by a filter assembly. The filter assembly has alternating sterilization grids and membrane modules. The membrane modules have a diaphragm with irregular holes covering 30-50% of the surface. This allows water flow while reducing fouling. The sterilization grids with silver and titanium oxide provide bacterial inhibition. The alternating grids and membranes prevent fouling by reducing biofilm growth on the membrane. The grids also provide a sterilization barrier. The membrane assembly can be wound around the central column using a device with synchronized rollers and a constant pressure structure.
5. Reverse Osmosis Membrane with Multi-Layer Structure and Enhanced Adhesion Properties
Toray Advanced Materials Korea Inc., 2023
A high-durability reverse osmosis membrane for water filtration that maintains performance and extends life compared to conventional membranes. The membrane has a porous support layer, a polymer support layer, and a hydrophilic selective layer. The layers are bonded tightly to prevent separation during backwashing. The polymer support layer adheres to the porous support with 20-1100 gf force, and the hydrophilic layer adheres to the polymer support with 500-1600 gf force. This prevents delamination during backwashing and cleaning. The membrane composition includes copolyester porous supports, polysulfone, polyamide, polypiperazine, or polybenzidine layers. The polymer solutions for forming the layers contain 15-20 wt% of the polymer.
6. Compact Reverse Osmosis Membrane Element with Series-Connected Filter Groups
SUZHOU NAFEI ENVIRONMENTAL TECH CO LTD, SUZHOU NAFEI ENVIRONMENTAL TECHNOLOGY CO LTD, 2023
A compact multiple filtration reverse osmosis membrane element for purifying water with reduced piping, volume, and floor space compared to conventional multi-stage systems. The element has two series-connected reverse osmosis membrane filter groups. This allows repeated filtration of the incoming water through both groups without needing separate elements and piping for each stage. The compact design reduces complexity, size, and cost.
7. Reverse Osmosis Device with Rotating Hydrophobic Membrane and Vortex-Induced Fouling Mitigation
JIANGSU UNIVERSITY, UNIV JIANGSU, 2023
High-throughput reverse osmosis water treatment device that can handle large volumes of water with high efficiency and reduced fouling compared to traditional reverse osmosis membranes. The device uses a rotating hydrophobic membrane assembly to separate impurities from water. The membrane rotates vertically and forms vortexes that shear and clean the membrane surface, preventing fouling. The particles in the water flow radially through the membrane pores at different times due to the vortex flow, allowing selective removal of larger particles. The device also has a drive assembly to rotate the membrane, a connection support, and a column to house the membrane.
8. Reverse Osmosis Membrane Element with Stacked Membranes and Integrated Flow Channels
SUZHOU NAFEI ENVIRONMENTAL TECH CO LTD, SUZHOU NAFEI ENVIRONMENTAL TECHNOLOGY CO LTD, 2023
Multiple filtration reverse osmosis membrane element with compact and efficient design for desalination and water purification applications. The element has multiple filtration stages in a single compact housing, eliminating the need for separate elements in series. The element has multiple stacked reverse osmosis membranes, water guides, and seals to filter and concentrate the water. The membranes are connected in series with water flow channels between them. This allows repeated filtration and concentration in a single element without the complexity and space of multiple elements.
9. Reverse Osmosis Membrane Module with Integrated Prefilter and Postfilter Assemblies
FOSHAN XINYAO ENVIRONMENTAL PROTECTION TECH CO LTD, FOSHAN XINYAO ENVIRONMENTAL PROTECTION TECHNOLOGY CO LTD, 2023
Reverse osmosis membrane module design to improve filtration efficiency and extend membrane life when using pressurized feed water. The module has a prefilter and postfilter attached to the membrane layers. This prevents impact forces on the membrane during pressurization. The prefilter attaches to the desalination layer and the postfilter attaches to the support layer. The prefilter has a PP cotton layer and carbon sheet. The carbon sheet fits the membrane. This prefilter assembly guides the feed water, concentrated water, and pure water during module fabrication.
10. Composite Reverse Osmosis Membrane Module with Sequentially Connected Roll-Type Elements and Enlarged Cross-Sectional Raw Water Channel
GREE ELECTRIC APPLIANCES INC OF ZHUHAI, GREE ELECTRIC APPLIANCES INC.OF ZHUHAI, 2023
Composite reverse osmosis membrane module for water purifiers with improved anti-fouling performance and longer membrane life. The module has multiple roll-type reverse osmosis membrane elements wound around central pipes. The first element's raw water inlet is connected to the second element's concentrated water outlet, with a larger cross-sectional area raw water channel upstream. This reduces flow velocity and concentration polarization on the fouling-prone concentrated water side.
11. Filter Module with Multiple Central Tubes and Annular Membrane Segments for Enhanced Fouling Resistance
FOSHAN SHUNDE MIDEA WATER DISPENSER MANUFACTURING CO LTD, FOSHAN SHUNDE MIDEA WATER DISPENSER MFG CO LTD, MIDEA GROUP CO LTD, 2023
Filter module and water purification device with improved fouling resistance for better filtration performance. The filter module has a unique configuration with multiple central tubes surrounded by annular membrane segments. This allows multiple water flows through the center tubes while the annular segments separate and filter the water between them. This reduces fouling by preventing long path lengths and stable water flow that can promote fouling buildup. The water purification device uses this modified filter module for improved filtration efficiency and longer membrane life compared to conventional modules.
12. Filter Module with Rolled Membrane Layers and Central Tube for Enhanced Flow Path and Fouling Resistance
FOSHAN SHUNDE MIDEA WATER DISPENSER MANUFACTURING CO LTD, FOSHAN SHUNDE MIDEA WATER DISPENSER MFG CO LTD, MIDEA GROUP CO LTD, 2023
A filter module for water purification with improved fouling resistance and longer life compared to conventional modules. The module has an innovative configuration that disperses concentrated water outlet and prolongs raw water flow path to reduce fouling risks. It has a central tube surrounded by rolled filter membranes forming gaps between layers. Raw water enters via a circumferential inlet and end faces. Pure water exits via the central tube, while concentrated water flows through gaps to disperse outlet. This dispersal increases flow path length, reduces fouling, and improves module performance.
13. Composite Reverse Osmosis Membrane Module with Series-Connected Elements and Variable Inlet Channel Cross-Section
GREE ELECTRIC APPLIANCES INC ZHUHAI, GREE ELECTRIC APPLIANCES INC.OF ZHUHAI, 2023
Composite reverse osmosis membrane module for water purifiers that improves membrane fouling resistance and longevity by optimizing flow velocities on the concentrated water side. The module has two wound reverse osmosis membrane elements connected in series, with the inlet of the second element communicating with the outlet of the first. The raw water inlet channel cross-sectional area of the first element is larger than the second element. This reduces raw water flow area on the concentrated water side, increasing velocity to slow fouling.
14. Reverse Osmosis Membrane Module with Vortex-Induced Diversion Net for Concentration Polarization Mitigation
UNIV ZHEJIANG SCIENCE & TECH, ZHEJIANG SCI-TECH UNIVERSITY, 2023
Reducing concentration polarization on reverse osmosis membranes to improve desalination efficiency by using fluid energy. The method involves optimizing the motion of a diversion net in the membrane module to reduce fouling and scaling. By adjusting factors like driving pressure and diversion net size, the net vibrates periodically due to vortex shedding when affected only by the flow field. This reduces concentration polarization on the membrane surface.
15. Reverse Osmosis Membranes with Protective Layer Comprising Polymer Composition for Enhanced Salt and Boron Rejection
LG CHEM, LTD., 2023
Reverse osmosis membranes for water purification with enhanced performance and fouling resistance. The membranes have a protective layer made from a composition containing a specific polymer material that improves salt and boron rejection while maintaining high flux. The composition includes a material with a specific chemical formula, molecular weight, optional hydrophilic polymers, and crosslinking agents.
16. Concentric Membrane Tube Assembly with Explosion-Proof Membrane for Reverse Osmosis Desalination
JIANGSU RUNZHE ENV ENGINEERING CO LTD, JIANGSU RUNZHE ENVIRONMENT ENGINEERING CO LTD, 2023
Reverse osmosis filter structure for desalination devices that improves water intake, flow rate, and filtration efficiency compared to existing designs. The structure uses multiple concentric membrane tubes inside a shell tube. The innermost tube has multiple wound membrane elements. This arrangement provides higher water intake due to increased surface area. The outer wall of the tubes and shell have an explosion-proof membrane to prevent fouling. The center tube collects filtered water.
17. Reverse Osmosis Membrane with Polyamide Filtration Layer and Antimicrobial Treatment
TORAY ADVANCED MAT KOREA INC, TORAY ADVANCED MATERIALS KOREA INC, 2022
Fouling-resistant reverse osmosis membrane for water filtration applications that has excellent antifouling properties against organic, inorganic, and biological fouling materials, high flux, salt rejection, and retains antifouling and antimicrobial performance over time. The membrane structure includes a porous support layer, a thin polymer support layer on top, and a polyamide filtration layer formed by interfacial polymerization. A treatment with an antimicrobial solution on the filtration layer further enhances antimicrobial properties. The membrane manufacturing process involves coating the support with a polymer solution, interfacial polymerization to form the filtration layer, and optional antimicrobial treatment.
18. Water Filter Element with Folded Membrane and Multi-Channel Flow Configuration
HANGZHOU SUBO RUICHI TECH CO LTD, HANGZHOU SUBO RUICHI TECHNOLOGY CO LTD, 2022
High-efficiency water filter element design with improved water flow and concentration to increase purification efficiency. The filter element uses a folded membrane sheet inside a grid to allow water to exit from both sides instead of just one. This shortens concentration distances and enables multi-channel flow. The folded membrane is rolled around a central pipe with through holes to further increase flow paths. A U-shaped seal connects the membrane to the grid and pipe.
19. Composite Reverse Osmosis Membrane with Dual Nano-Functional Layers and Cross-Linked Polyaramid and Polyaromatic Amide Structures
Hunan Allwinner Technology Co., Ltd., 2022
Bifunctional layer composite reverse osmosis membrane with improved salt rejection, water flux, and fouling/chlorine resistance compared to conventional membranes. The membrane has a porous support layer sandwiched between two nano-functional layers. The first layer is a cross-linked polyaramid formed by interfacial polymerization of an aromatic diamine and triformyl chloride. The second layer is a cross-linked polyaromatic amide formed by interfacial polymerization of an aliphatic amine and trimesoyl chloride. This dual-layer design provides high salt rejection from the dense first layer and high water flux and fouling/chlorine resistance from the loose second layer.
20. High-Pressure Membrane Element with Sequential NS-1, NS-2, NS-3, NS-2, NS-1 Layer Configuration
GUANGDONG AOSIBO MEMBRANE MATERIAL TECH CO LTD, GUANGDONG AOSIBO MEMBRANE MATERIAL TECHNOLOGY CO LTD, 2022
A high-pressure membrane element for concentrating salty water with high salt content like seawater or wastewater with high TDS levels. The element consists of five sequentially arranged membrane layers with specific compositions. The membranes are NS-1, NS-2, NS-3, NS-2, and NS-1. The element is manufactured by laminating the membranes in that sequence and then rolling it around a central pipe with inlet and outlet grids. This multi-layer membrane setup allows high-pressure concentration of very saline water without blocking or fouling issues that can occur with single-layer membranes at high salt concentrations.
21. Graded Reverse Osmosis Membrane System with Multi-Layered Structure for pH-Variable Wastewater Treatment
CHONGQING HAITONG ENVIRONMENTAL PROTECTION TECH CO LTD, CHONGQING HAITONG ENVIRONMENTAL PROTECTION TECHNOLOGY CO LTD, 2022
A reverse osmosis membrane system for treating wastewater with variable pH levels without membrane replacement. The system uses a graded reverse osmosis membrane body that can handle acidic and basic wastewater without membrane replacement. The membrane body has multiple layers with increasing desalination capabilities. The outer layer is an acid and alkali resistant protective layer to prevent membrane damage from extreme pH. Inside are layers for pre-desalination, desalination, and post-treatment. The pre-desalination layer removes larger impurities. The desalination layer has a composite membrane with acid and base neutralization layers to adjust pH. The post-treatment layer removes remaining impurities. This graded membrane system allows treating wastewater with changing pH without replacing the entire membrane.
22. Reverse Osmosis Membrane Element with Hydrophilic Coated Uneven Surface and Central Guide Pipe with Wide Open Channels
HANGZHOU WOTESONG ENVIRONMENTAL PROTECTION TECH CO LTD, HANGZHOU WOTESONG ENVIRONMENTAL PROTECTION TECHNOLOGY CO LTD, 2022
Reverse osmosis membrane element that resists high COD and impurity pollution. The element has a central guide pipe and a reverse osmosis membrane group. The reverse osmosis membrane group contains an assembly with an uneven membrane surface coated with a smooth hydrophilic layer. This improves fouling resistance by smoothing the surface, making it easier to clean, and promoting pollutant flowoff. The central guide pipe has passages connecting it to the membrane assembly. This allows the concentrated water to flow away from the membrane instead of stagnating. The wide open channels reduce attachment of impurities compared to diamond-shaped channels.
23. Reverse Osmosis Membrane Element with Integrated Post-Treatment Layer
KOREA ENVIRONMENTAL PROTECTION EQUIPMENT LIMITED CO, KOREA SHANGHAI ENVIRONMENTAL PROT EQUIPMENT LIMITED CO, 2022
Reducing the size and complexity of reverse osmosis water filtration systems by integrating post-treatment functions into the RO membrane element itself. The multifunctional composite RO membrane element has a layer added to reprocess the purified water. This eliminates the need for separate post-treatment components after the RO membrane. The composite RO membrane element can be used in reverse osmosis filter cores to reprocess the filtered water without additional devices.
24. Reverse Osmosis Filter Element with Non-Circular Cross-Sectional Core
ZHEJIANG YILAN ENVIRONMENTAL PROTECTION TECH CO LTD, ZHEJIANG YILAN ENVIRONMENTAL PROTECTION TECHNOLOGY CO LTD, 2022
A specialized reverse osmosis (RO) filter element for water purification with improved performance and reduced maintenance compared to conventional circular elements. The element has a unique non-circular cross-sectional shape like an oval, square, or triangle. The RO membrane is wound around this shaped pipe instead of a circular one. This reduces water impact force on the membrane since it's only exposed on the sides. It also allows space savings since the shape can be optimized for the application.
25. Multi-Stage Reverse Osmosis System with Decreasing Membrane Area and Pore Size
MIDDLE CORE CONSTANT HUMIDITY ENVIRONMENTAL TECH BEIJING LIMITED CO, MIDDLE-CORE CONSTANT-HUMIDITY ENVIRONMENTAL TECHNOLOGY LIMITED CO, 2022
Reverse osmosis water treatment system with improved recovery rate and reduced fouling compared to conventional systems. The system uses a multi-stage design with gradually decreasing membrane area and pore size from stage to stage. This allows higher recovery and lower fouling in later stages where water is less concentrated. The design also allows intermittent cleaning of stages without shutting down the system, reducing water waste and improving overall recovery.
26. Integrated Filtration Element with Protective Film and Reverse Osmosis Membrane Containing Coarse and Fine Filter Layers
FOSHAN CHONGSHAN ENVIRONMENTAL PROTECTION SCIENCE AND TECH LIMITED CO, FOSHAN CHONGSHAN ENVIRONMENTAL PROTECTION SCIENCE AND TECHNOLOGY LIMITED CO, 2022
Protective film with filtering function and a reverse osmosis membrane filter element that combine multiple filtration stages into a single unit to reduce costs and simplify installation compared to traditional multi-stage water filtration systems. The protective film has a coarse filter layer and a fine substance filter layer to filter out larger particles and finer impurities respectively. This allows the film to protect the reverse osmosis membrane while also providing some initial filtration. The reverse osmosis membrane element contains the membrane along with the protective film. The fine substance filter layer is positioned close to the membrane side. This integrated filtration element reduces the need for separate pre-filters before the reverse osmosis membrane.
27. Reverse Osmosis Membrane with Intermediate Hydrophilic Crystalline-Amorphous Resin Layer
JIANGSU RUBIAN ENVIRONMENTAL PROTECTION SCIENCE AND TECH LIMITED CO, JIANGSU RUBIAN ENVIRONMENTAL PROTECTION SCIENCE AND TECHNOLOGY LIMITED CO, 2022
Reverse osmosis membrane with improved water flux and boron removal for desalination applications. The membrane structure has an intermediate layer between the bottom membrane and desalination layer made of hydrophilic crystalline resin. This layer has regions of crystalline and amorphous segments distributed. The crystalline regions improve salt rejection while the amorphous regions enhance water permeability. By adjusting the crystal-amorphous ratio, the membrane can balance flux and salt rejection.
28. Composite Filtration System with Segregated Pre-Filter and RO Membrane Sections and Integrated Booster Pump
BAIXIN ENVIRONMENTAL PROTECTION SCIENCE AND TECH LIMITED COMPANY IN HEIDE DISTRICT OF FOSHAN CITY, BAIXIN ENVIRONMENTAL PROTECTION SCIENCE AND TECHNOLOGY LIMITED COMPANY IN HEIDE DISTRICT OF FOSHAN CITY, 2022
A high-flux filtration system for water purification that reduces the cost of replacing large-capacity filter elements. The system has a composite filter element with separate pre-filter and RO membrane sections. A booster pump increases water pressure to the RO section. This allows using lower capacity RO membranes in series, reducing replacement costs. The pre-filter removes larger particles before the high-pressure booster pumps the water to the RO section. The pre-filter bypass valve prevents backflow when the RO membranes are replaced.
29. Reverse Osmosis Membrane with Three-Layer Structure Including Hydrophobic Dredging Layer
JIANGSU TUOBANG ENVIRONMENTAL PROTECTION TECH CO LTD, JIANGSU TUOBANG ENVIRONMENTAL PROTECTION TECHNOLOGY CO LTD, 2021
High-flux alkali-washing-resistant reverse osmosis membrane with improved water flux and desalination rate compared to conventional membranes. The membrane has a unique three-layer structure consisting of a hydrophobic dredging layer sandwiched between the hydrophilic reverse osmosis base membrane and desalination layer. The dredging layer has a pore size between the base membrane and desalination layer. This prevents transverse water flow between the membranes during reverse osmosis, which improves flux by avoiding water blockage. The dredging layer is made of a hydrophilic furfuryl alcohol resin.
30. Reverse Osmosis Membrane Module with Upstream Scale Inhibitor Dispersion System
CANATURE HEALTH TECH GROUP CO LTD, CANATURE HEALTH TECHNOLOGY GROUP CO LTD, 2021
A reverse osmosis membrane module, reverse osmosis filter element, and water purifier that prevent scaling on the reverse osmosis membrane to reduce core replacement frequency and cost. The novel arrangement places the scale inhibitor material outside the reverse osmosis membrane, upstream of the water flow path. This allows the scale inhibitor to disperse insoluble inorganic salts before they reach the membrane, preventing scaling. The scale inhibitor is dissolved in the water between the membranes and diffuses into the water stream. This increases utilization of the scale inhibitor compared to placing it in the pre-filter. The filtered water then flows through the reverse osmosis membrane.
31. Modular Membrane Module with Series-Connected Filter Units for Reverse Osmosis and Nanofiltration
HANGZHOU HUALU MEMBRANE TECH CO LTD, HANGZHOU HUALU MEMBRANE TECHNOLOGY CO LTD, 2021
Reverse osmosis and nanofiltration membrane module for water purifiers that reduces fouling and replacement costs by connecting multiple filter units in series. The module has multiple filter units connected back-to-back through threads. Each filter unit contains a membrane shell with wound filter elements around a center tube. By connecting multiple units in series, the overall recovery rate of the module can be increased while maintaining good water quality. This allows the entire module to operate at a higher recovery rate, slows fouling, and reduces replacement frequency compared to a single high recovery rate unit.
32. Reverse Osmosis Membrane with Covalently Bonded Quaternary Ammonium Antimicrobial Layer
Toray Advanced Materials Korea Inc., 2021
Reverse osmosis membrane with resistance to fouling and antimicrobial properties for water purification. The membrane has an outer antimicrobial layer covalently bonded to the polyamide layer of the membrane. A compound from the quaternary ammonium compounds family is used as the antimicrobial agent. This layer surrounds the polyamide layer to prevent fouling and microbial growth on the membrane surface.
33. Reverse Osmosis Membrane with Multi-Layer Structure Comprising Polyethersulfone, Cross-Linked Polyamide, and Polyethyleneimine Layers
HANGZHOU AOKE FILTRATION TECH CO LTD, HANGZHOU AOKE FILTRATION TECHNOLOGY CO LTD, 2021
Durable reverse osmosis membrane for water filtration that provides improved contaminant removal and membrane durability compared to conventional reverse osmosis membranes. The membrane consists of layers: a hydrophobic porous polyethersulfone (PES) layer, a cross-linked polyamide (PA) porous support layer, a cross-linked aromatic PA reverse osmosis (RO) layer, and an outer porous polyethyleneimine (PEI) layer. The thicknesses of the PES, PA, and RO layers are 10-100 μm, 0.5 μm, and 50-450 nm, respectively. This multi-layer configuration provides enhanced contaminant removal, especially for heavy metals and microorganisms, while the cross-linked PA layers improve membrane durability compared to conventional PA membr
34. Reverse Osmosis Membrane Filter Unit with Tandem Anti-Stripping Design and Intermembrane Support Layers
HANGZHOU AOKE FILTRATION TECH CO LTD, HANGZHOU AOKE FILTRATION TECHNOLOGY CO LTD, 2021
A tandem anti-stripping reverse osmosis membrane filter element unit for water treatment with improved durability and maintenance compared to conventional reverse osmosis filters. The unit has multiple reverse osmosis membrane elements stacked in series, with an outer support layer between each membrane to prevent delamination and peeling. This prevents stripping of the membrane layers during operation and extends the life of the filter. The unit can be disassembled and replaced individually instead of replacing the entire filter, reducing maintenance costs.
35. Thin Composite Reverse Osmosis Membrane with Layered Structure of Polyethylene Support, Polysulfone Ultrafiltration, and Cross-Linked Aromatic Polyamide
HANGZHOU AOKE FILTRATION TECH CO LTD, HANGZHOU AOKE FILTRATION TECHNOLOGY CO LTD, 2021
A thin, low-pressure reverse osmosis membrane for domestic water treatment that balances salt removal and water yield. The membrane consists of three layers: a high-density polyethylene porous support, a polysulfone ultrafiltration layer, and a thin cross-linked aromatic polyamide reverse osmosis layer. The composite membrane is formed by heat sealing the ultrafiltration layer onto the support, then coating the reverse osmosis layer on top. The membrane thickness is less than 150 microns. This design enables high salt rejection and water yield for domestic applications.
36. Reverse Osmosis Membrane Filter Element with Vertical Inlet-Outlet Configuration and Non-Dissolving Central Pipe Material
XIAMEN BAILIN WATER PURIFICATION TECH CO LTD, XIAMEN BAILIN WATER PURIFICATION TECHNOLOGY CO LTD, 2021
A reverse osmosis membrane filter element for water purification that addresses the issues of slow flow, concentration polarization, and water pollution in existing elements. The element has a unique water flow configuration that improves internal flow and reduces pollution. The water inlet is at the top, the pure water outlet is at the bottom, and the concentrated water outlet is on the side. This allows longer, less restricted pure water flow and prevents impurities from leaching into the pure water during transport. The element also uses a material for the central pipe that does not dissolve in the purified water.
37. Multi-Stage Filtration Desalination Device with Sequential Nanofiltration and Reverse Osmosis Membranes
SHANGHAI JY ENERGY SAVING AND ENVIRONMENTAL PROTECTION TECH CO LTD, SHANGHAI JY ENERGY SAVING AND ENVIRONMENTAL PROTECTION TECHNOLOGY CO LTD, 2021
Concentrated filtration desalination device with improved efficiency and recovery compared to traditional reverse osmosis systems. The device uses multiple filtration stages with progressively smaller pore size membranes. The first stage uses a nanofiltration membrane followed by a reverse osmosis membrane in the second stage. This configuration allows higher salt rejection in the second stage due to the pre-filtering by the first stage. The nanofiltration membrane removes larger particles and ions, reducing fouling and scaling on the reverse osmosis membrane. The device also includes features like backwashing, steam injection, and multi-stage pumping to further enhance performance.
38. Membrane with Anionic-Infused Polymer Support and Hydrophilic Selective Layer for Pressure-Retarded Osmosis
Toray Advanced Materials Korea Inc., 2021
A pressure-resistant and fouling-resistant membrane for pressure-retarded osmosis (PRO) applications like SWRO-PRO combinations. The membrane has a unique composition and structure to minimize fouling and maintain performance in high-pressure PRO systems. The membrane has a porous support layer, a polymer support layer containing anionic compound, and a hydrophilic selective layer. The polymer support layer is formed by impregnating the support layer with a polymer solution containing anionic compound at specific ratios. The ratios are optimized to provide fouling resistance and good water permeability. The back surface of the membrane also has a specific zeta potential range to prevent fouling. This composition and structure enable higher PRO performance, lower fouling, and reduced maintenance costs in high-pressure PRO applications.
39. Filtration Membrane Module with Resin-Anchored Composite Structure and Semipermeable Outer Layer
KURARAY CO, KURARAY CO LTD, 2021
Composite filtration membrane module for reliable water treatment and concentration without leakage. The module has a composite filtration membrane with a porous support layer and a semipermeable membrane on the outer periphery. The module case holds the membrane and has a resin-attached holder. During operation, water enters the case to filter through the semipermeable membrane. The resin permeates the support layer at the holder-membrane interface, anchoring them. This prevents treated water leakage when pressurized.
40. Composite Reverse Osmosis Membrane with Acacia Gum-Enhanced Polyamide Structure
Qatar Foundation, 2021
Composite reverse osmosis membrane with improved properties for water desalination and purification. The membranes are made by interfacial polymerization using acacia gum as an additive. The acacia gum increases pore size, hydrophilicity, and surface charge and reduces roughness compared to pure polyamide membranes. This leads to higher membrane flux and reduced fouling while maintaining salt rejection. The composite membranes show improved performance and stability in filtration tests with seawater compared to commercial membranes.
41. Composite Reverse Osmosis Membrane with Carbon Fiber Grid Reinforcement and Polymer Core
TAIZHOU TAIHE NANO TECH CO LTD, TAIZHOU TAIHE NANO-TECH CO LTD, 2021
A novel reverse osmosis membrane for desalination with improved performance, cost, and longevity compared to conventional membranes. The membrane is made of multiple layers stacked together. The inner layers are conventional reverse osmosis membranes made of polymers. The outer layers are carbon fiber grid membranes. Soaking the composite membrane in a sodium bisulfite solution for 2-6 hours improves performance. The carbon fiber grid membranes provide mechanical strength and support while allowing water flow through the polymer layers. This structure reduces thickness, improves desalination rate, and extends membrane life compared to single-layer membranes.
42. Composite Water Filtration Membrane with Polyethylene Base and Polyimide Surface Films
JIANGSU HOUSHENG NEW ENERGY TECH CO LTD, JIANGSU HOUSHENG NEW ENERGY TECHNOLOGY CO LTD, 2021
Ultra-high-efficiency water filtration membrane with improved water treatment capacity by reducing the thickness of the membrane to shorten the water travel distance. The membrane is made by thermally compounding a thin polyethylene base film with a polyimide surface film instead of the thick multi-layer membranes used in conventional water filtration. The composite membrane has a smaller thickness that allows faster water flow through while still retaining impurities. The base film is polyethylene and the surface film is polyimide, both in porous form. The thickness of the composite membrane is smaller than traditional membranes, reducing the distance water needs to travel through the membrane. This shortens the flow path and improves water treatment efficiency. The polyethylene base film is thinner than traditional membranes like nonwoven fabric and polysulfone layers. The polyimide surface film
43. Composite Polymeric Membrane with Overlapping Pore Layers and Fiber Reinforcement
HANGZHOU LIHAO NEW MAT CO LTD, HANGZHOU LIHAO NEW MATERIAL CO LTD, 2021
High flux polymeric membrane structure for filtration applications like water treatment that improves membrane life and reduces fouling. The structure has overlapped membranes with smaller pore size on a base film, sandwiched between hollow fiber layers and supported networks. This provides a composite membrane with improved compression strength and pore structure compared to a single membrane. The overlapped smaller pore membrane prevents fouling buildup on the larger pore membrane, reducing fouling and prolonging membrane life. The composite structure also has supporting networks and fiber layers to improve overall membrane resistance.
44. Composite Reverse Osmosis Membrane with Low Salt Rejection and Pure Water Flux Characteristics
TORAY IND INC, TORAY INDUSTRIES, 2020
Composite reverse osmosis membrane, element, and water purifier that reduces creeping, a phenomenon where solutes accumulate and clog the membrane. The membrane has a low salt rejection coefficient and a low pure water flux on the substrate side. This prevents salt accumulation and creeping compared to conventional membranes. The membrane composition, pore size, and thickness are optimized to achieve these properties. The membrane can be used in water treatment systems like desalination and water purification.
45. Composite Membrane with Crosslinked Polyamide Layer and Wetting Treatment
TORAY ADVANCED MAT KOREA INC, TORAY ADVANCED MATERIALS KOREA INC, 2020
Reverse osmosis composite membrane with improved salt rejection and permeation flow rate for desalination applications. The membrane is a composite of a microporous support layer and a thin polyamide selective layer. The composite membrane is prepared by crosslinking treatment followed by wetting treatment. The crosslinking treatment involves immersing the polyamide layer in a crosslinking agent for 30-300 seconds at 45-65°C. The wetting treatment involves soaking the polyamide layer in a solvent containing wetting agents for 30-300 seconds at 25-100°C. This sequence enhances both salt rejection and permeation flow rate compared to directly forming the polyamide layer.
46. Inorganic Reverse Osmosis Membrane with Sequentially Structured Zeolite Layers
Baoding Yuanhansheng New Material Technology Co., Ltd., BAODING YUANHANSHENG NEW MATERIAL TECHNOLOGY CO LTD, 2020
Preparing an inorganic reverse osmosis membrane for water treatment that balances high flux and salt rejection. The membrane has a carrier layer followed by a sequential connection of a relatively loose layer and a relatively dense layer. The relatively loose layer is prepared by in-situ hydrothermal synthesis of zeolite with partial dealumination to make it more induced for crystal growth. The relatively dense layer is formed by a second crystallization with added template to make it denser than the first crystallization. This provides a membrane with improved flux compared to a single dense layer while maintaining similar salt rejection.
47. Reverse Osmosis Membrane Element with Central and Peripheral Flow Channels
Foshan Midea Qinghu Water Purification Equipment Co., Ltd., Midea Group Co., Ltd., FOSHAN MIDEA CHONGHO WATER PURIFICATION EQUIPMENT MFG CO LTD, 2020
Reverse osmosis membrane element for water purification that improves water recovery and reduces waste compared to conventional elements. The element has a central tube with multiple wastewater pipes around it. Each wastewater pipe is separated from the central pure water pipe by a section of the reverse osmosis membrane. This allows the membrane to purify water in both pipes, with the impurities concentrated in the wastewater pipes. The membrane sections are wrapped around the central tube. Seals on the ends bond the membrane layers together. This configuration increases water recovery by capturing more pure water in the central pipe.
48. Composite Membrane with Thin Selective Layer Sandwiched Between Durable Support Layers
HANGZHOU AOKE FILTER TECH CO LTD, HANGZHOU AOKE FILTER TECHNOLOGY CO LTD, 2020
A composite membrane for water filtration that balances durability and high flux performance. The membrane has a thin selective layer sandwiched between two support layers. The selective layer allows filtration while the support layers provide mechanical strength. The selective layer has a high flux polymer like polyethersulfone (PES) and the support layers have a durable polymer like polysulfone (PS) or polyetherketoneketone (PEKK). The composite structure improves durability compared to thin-film composite membranes with only a selective layer, while maintaining high flux.
49. Reverse Osmosis Membrane with Polysulfone-Coated Support Layer and Specific Compression Modulus
LG CHEM LTD, 2020
Reverse osmosis membrane for water filtration with improved mechanical strength and reduced defects during assembly. The membrane has a support layer with a polysulfone coating and an active layer. The support layer thickness is 90-120 μm and the polysulfone layer is 25-80 μm. The polysulfone layer contains 15-20 wt% polysulfone. This composition gives a membrane compression modulus of 20-40 MPa for enhanced mechanical strength during assembly and reduced defects.
50. Reverse Osmosis Membrane with Wide Flow Channel and Central Core Tube for Enhanced Anti-Fouling and Water Recovery
QINGDAO JINHAISHUN WATER PURIFICATION EQUIPMENT CO LTD, 2020
Wide-runner reverse osmosis membrane for desalination with improved anti-fouling properties and higher water recovery. The membrane has a wide flow channel on the dense water side to slow pollutant accumulation and reduce fouling. The channel has separate first and second flow paths. The wider channel improves water quality by reducing fouling and allowing higher water recovery compared to standard reverse osmosis membranes. The wider channel is achieved by thickening the dense water layer in that area. The membrane also has a central core tube with permeation holes for water flow. This allows concentrated water to be separated and guided out separately from the product water. The wider flow channel, core tube, and permeation holes improve membrane performance and fouling resistance compared to standard reverse osmosis membranes.
Clean water cannot be filtered without reverse osmosis membrane systems. they use as little energy as possible to guarantee salt removal and smooth water flow. Because of this, scientists are always experimenting with these systems to improve water quality, reduce energy consumption, and lengthen filter life.
Get Full Report
Access our comprehensive collection of 90 documents related to this technology
