Fuel Cell Lifespan Extension
Fuel cell degradation occurs through multiple pathways, with membrane deterioration and catalyst degradation causing significant performance losses over time. Current systems show a 10-20% drop in power density after 5,000 hours of operation, primarily due to chemical attack from peroxide radicals, uneven pressure distributions, and localized heating effects that compromise membrane integrity.
The fundamental challenge lies in balancing the competing demands of electrochemical performance, material durability, and system-level reliability while maintaining cost-effective manufacturing processes.
This page brings together solutions from recent research—including nanofiber antioxidant integration, porosity-gradient gas diffusion layers, pressure-optimized stack designs, and advanced bipolar plate coatings. These and other approaches focus on extending operational lifetimes while maintaining consistent power output under real-world conditions.
1. Fuel Cell Stack with Permeable Membrane and Integrated Water Circulation System for Moisture and Temperature Regulation
FENGQINGYANG HYDROGEN ENERGY TECH SHANGHAI CO LTD, FENGQINGYANG HYDROGEN ENERGY TECHNOLOGY CO LTD, 2024
Proton exchange membrane fuel cell stack design to improve performance and longevity by controlling moisture and temperature levels inside the stack. The stack has a permeable membrane outside the membrane electrode to allow water molecules to pass through when needed to keep the electrode moist. A water circulation system with a pump and temperature control circulates water around the stack. This allows regulating stack cell temperatures and removing/adding water as needed to prevent dry or flooded cells.
2. Fuel Cell Membrane Electrode with Integrated Hydrophilic Substances and Self-Humidifying Functional Layer
Guangdong Kechuang Hydrogen Energy Technology Co., Ltd., 2024
A self-humidifying fuel cell membrane electrode that allows fuel cells to operate without external humidification systems. The electrode design involves adding hydrophilic substances to the catalyst layer and creating a self-humidifying functional layer between the membrane and catalyst. This improves water management by enhancing back-diffusion of water from the cathode. The hydrophilic substances and functional layer provide more ion channels, active sites, and hydrophilicity for the membrane electrode to better handle water generated during cell operation.
3. Membrane Electrode Assembly with Integrated Water Distribution Layer for Uniform Moisture Regulation
ROBERT BOSCH CO LTD, ROBERT BOSCH COMPANY LTD, 2024
Membrane electrode assembly for fuel cells that prevents dryness and flooding issues to improve fuel cell performance. The assembly has a water management system that distributes water uniformly across the fuel cell to prevent dryness and flooding failures. It does this by having a water distribution layer between the cathode and proton exchange membrane that collects water from the cathode side and distributes it evenly to the membrane. This prevents dryness at the membrane and also prevents water flooding in the cathode side. This helps maintain optimal moisture levels in the membrane for performance and longevity.
4. Membrane Electrode Assembly with Asymmetric Catalyst Layer Coating for Enhanced Water Management
TOPPAN HOLDINGS INC, 2024
Membrane electrode assembly for fuel cells with improved water management and reduced humidity requirements. The assembly has electrode catalyst layers on either side of a polymer electrolyte membrane. One of the electrode catalyst layers has a section on the inlet side coated with carbon fibers, ionomer, and catalyst particles. The other section on the outlet side has the same composition without the carbon fiber coating. This configuration promotes water retention on the inlet side and water removal on the outlet side, allowing operation at lower humidity levels compared to conventional electrode structures.
5. Cathode Catalytic Layer with Hydrophilic-Hydrophobic Gradient for Proton Exchange Membrane Fuel Cells
Dalian University of Technology, DALIAN UNIVERSITY OF TECHNOLOGY, 2024
Improving water management in the cathode catalytic layer of proton exchange membrane fuel cells (PEMFCs) to enhance performance and durability. The technique involves creating a three-layer structure with a hydrophilic-hydrophobic gradient in the cathode catalytic layer. The layers are prepared using catalyst slurries with different sulfonated perfluorosulfonic acid resins having varying water contents. A hydrophilic layer close to the membrane is made with a low EW (equivalent weight) resin, a hydrophobic layer near the gas diffusion layer is made with a high EW resin, and an intermediate layer uses a mixture of resins with varying EW. This gradient helps balance water retention and distribution in the cathode catalytic layer for better fuel cell performance and longevity.
6. Perfluorosulfonic Acid Proton Exchange Membrane with Gapless Catalyst and Diffusion Layer Integration
SHENZHEN GOEL TECH CO LTD, SHENZHEN GOEL TECHNOLOGY CO LTD, 2023
A perfluorosulfonic acid proton exchange membrane design for fuel cells that improves durability by eliminating gaps between the membrane, catalysts, and diffusion layers. The membrane is sandwiched between matched-size diffusion layers and catalysts without gaps. This prevents membrane dehydration and cracking that can occur when gaps dry out during fuel cell operation. The membrane matches the size of the cathode diffusion layer. The left side connects to multiple anode catalysts and the right side connects to multiple cathode catalysts.
7. Gas Diffusion Layer with Longitudinal Porosity Gradient for Uniform Oxygen Distribution
KING FAHD UNIVERSITY OF PETROLEUM AND MINERALS, 2023
Designing gas diffusion layers (GDLs) for hydrogen fuel cells that improve efficiency and stability. The GDLs have a porosity gradient along their length to enable uniform oxygen distribution over the fuel cell cathode catalyst layer. This prevents hotspots, water accumulation, and uneven reactions that reduce fuel cell performance.
8. Fuel Cell System with Cerium-Infused Moisture Permeable Membrane in Humidifier
TOYOTA MOTOR CORP, 2023
A fuel cell system that suppresses deterioration of the electrolyte membrane by incorporating a humidifier with a moisture permeable membrane containing cerium ions. The cerium-containing membrane is placed in the humidifier to provide humidified fuel cell feed gas. The cerium ions diffuse through the membrane into the electrolyte membrane of the fuel cell to neutralize harmful hydroxyl radicals generated by hydrogen peroxide, preventing electrolyte membrane degradation.
9. Proton Exchange Membrane Fuel Cell with Independent Anode and Cathode Air Intakes and Water Balance Control System
WEIFANG UNIV OF SCIENCE & TECHNOLOGY, WEIFANG UNIVERSITY OF SCIENCE & TECHNOLOGY, 2023
Proton exchange membrane fuel cell water balance system and control method to maintain optimal water content in the fuel cell for better performance. The system has separate air intakes for anode and cathode. It monitors parameters like hydrogen and air pressure, flow rates, and outlet humidity. By adjusting the air intake humidity based on the anode hydrogen humidity and cathode conditions, it balances water levels and prevents dryness or flooding.
10. Fuel Cell Structure with Gradient Contact Angle for Enhanced Self-Humidification
Suzhou Qingdong Power Technology Co., Ltd., SUZHOU QINIGDONG POWER TECHNOLOGY CO LTD, 2023
Fuel cell design to reduce humidification requirements and improve water retention for better performance and durability. The design involves optimizing the contact angle of the fuel cell layers to promote self-humidification. The catalytic layer has a lower contact angle than the gas diffusion layer, and the diffusion layer has a lower contact angle than the polar plate. This gradient distribution improves water retention by making the hydrophilicity of the catalytic layer greater than the diffusion layer, and the diffusion layer greater than the plate. This reduces the need for external humidification equipment and improves fuel cell operation in dry conditions.
11. Fuel Cell Cathode Gas Diffusion Layer with Carbon Nanotube Intermediate Layer and Hydrophobic Microporous Layer
SHANXI INST COAL CHEMISTRY CAS, SHANXI INSTITUTE OF COAL CHEMISTRY CHINESE ACADEMY OF SCIENCES, 2023
Fuel cell cathode gas diffusion layer with improved water management for higher performance and durability under varying humidity conditions. The layer has three components: a base carbon paper, an intermediate layer made of a mixture of single-walled and multi-walled carbon nanotubes, and a hydrophobic microporous layer. The intermediate layer provides water retention and transmission properties, enabling self-humidification under low humidity and preventing flooding under high humidity. The composition of the intermediate layer is 25-90% single-walled carbon nanotubes and 75-10% multi-walled carbon nanotubes. The overall layer has porosity of 58-70%, aperture sizes of 50 nm to 1 um, and resistivity of 4-20 mΩ·cm.
12. Fuel Cell Membrane with Dispersed Cerium Hydrogen Phosphate Nanofiber Antioxidant
KOREA INSTITUTE OF SCIENCE AND TECHNOLOGY, 2023
Improving the durability and conductivity of fuel cell membranes by adding a nanofiber antioxidant, cerium hydrogen phosphate (CeHPO4), to the membrane. The antioxidant scavenges destructive radicals produced in the fuel cell to protect the membrane without reducing proton conductivity like conventional antioxidants. The nanofiber form provides high dispersibility in the membrane. The membranes with dispersed CeHPO4 show improved proton conductivity and durability in fuel cells.
13. Open Cathode Fuel Cell with Hygroscopic Filler-Enhanced Self-Humidifying Proton Exchange Membrane
COUNCIL OF SCIENTIFIC AND INDUSTRIAL RESEARCH, an Indian registered body incorporated under the Regn. of Soc. Act (Act XXI of 1860), 2023
Open cathode fuel cell system with self-humidifying proton exchange membrane (PEM) that eliminates the need for external humidifiers. The cell stack has an open cathode design and uses a modified PEM with hygroscopic fillers like carbon nanotubes. The fillers improve water retention in the membrane at low humidity. This allows the fuel cell to operate without external humidification. The fillers also enhance conductivity compared to pure PEM. The open cathode design allows oxygen to flow freely to the cathode without humidification. The cathode flow field is optimized to efficiently distribute oxygen and water to maintain membrane hydration.
14. Gas Diffusion Layers with Non-Uniform Porosity Gradients for Fuel Cells
King Fahd University of Petroleum and Minerals, 2023
Designing gas diffusion layers (GDLs) for fuel cells that improve efficiency and stability by providing custom porosity gradients. The GDLs have non-uniform porosity along the oxygen flow direction to distribute oxygen evenly over the catalyst layer. This reduces hotspots and water accumulation that can decrease fuel cell efficiency.
15. Fuel Cell Stack with Mixed Potential and Reverse Current Mitigation Through Selective Recirculation and Pressure Control
Hyundai Motor Company, Kia Corporation, 2023
Improving the durability and lifespan of fuel cells by avoiding stack deterioration due to mixed potential and reverse currents when the fuel cell is restarted after being stopped. The fuel cell deterioration avoidance method involves selectively recirculating air and hydrogen, controlling anode hydrogen pressure, and managing cooling water temperature based on diagnostic criteria like open circuit decay time and current distribution deviation. This prevents degradation by avoiding conditions prone to mixed potential and reverse currents when restarting the fuel cell.
16. Membrane Electrode Assembly with Anode Catalyst on Microporous Layer and Integrated Oxygen Evolution Reaction Catalyst Layer
KOREA ADVANCED INSTITUTE OF SCIENCE AND TECH, KOREA ADVANCED INSTITUTE OF SCIENCE AND TECHNOLOGY, 2023
Membrane electrode assembly (MEA) for polymer electrolyte fuel cells that prevents reverse voltage. The MEA has a design where the anode catalyst layer is on the microporous layer (MPL) instead of directly on the polymer electrolyte membrane. An oxygen evolution reaction (OER) catalyst layer is formed on the MPL and anode side. This prevents deactivation of the OER catalyst due to carbon oxidation during reverse voltage operation. The MEA also allows removing carbon from the anode catalyst layer for improved durability and performance stability over time. The OER catalyst layer prevents water electrolysis and carbon oxidation at the interface during reverse voltage.
17. Fuel Cell System with Catalyst-Based Hydrogen Partial Pressure Control Mechanism
TOYOTA JIDOSHA KABUSHIKI KAISHA, 2023
Fuel cell system that enhances fuel cell lifetime by controlling hydrogen partial pressure in the cell membrane. The system calculates the optimal target hydrogen partial pressure based on the catalyst location in the membrane. A controller adjusts the gas supply to achieve the target. This reduces chemical degradation of the membrane. The catalyst suppresses hydrogen peroxide formation when hydrogen is over-rich. By limiting hydrogen partial pressure, the catalyst location maximizes the suppression effect.
18. Membrane Electrode Assembly with Catalyst-Free Moisture Absorption Zones
AUDI AG, AUDI AKTIENGESELLSCHAFT, 2023
Moisture management in fuel cells to improve reliability and reduce size. The membrane electrode assembly has a catalyst-free area before and/or after the active catalyst coated area. This catalyst-free area is designed to absorb moisture from the fuel cell reactions. By concentrating the moisture absorption closer to the individual fuel cell units, it reduces the need for external humidifiers and complex plumbing. The membrane can absorb and distribute moisture internally to maintain optimal humidity for the membrane without relying on external humidifiers.
19. Fuel Cell Electrode with Cerium Hydrogen Phosphate Nanofiber Antioxidant
KOREA INSTITUTE OF SCIENCE AND TECHNOLOGY, 2023
An electrode for a polymer electrolyte membrane fuel cell that contains an antioxidant to improve the durability of the fuel cell. The antioxidant is cerium hydrogen phosphate dispersed as nanofibers. Adding this antioxidant to the catalyst layer of the fuel cell electrode helps protect the membrane from chemical degradation during operation. The antioxidant scavenges radicals that can attack and degrade the electrolyte membrane, thereby minimizing performance loss over time.
20. Membrane-Electrode Assembly with Dual Catalyst Layers Featuring Graphene Oxide and Variable Ionomer Particle Sizes
KOLON IND INC, KOLON INDUSTRIES INC, 2023
Membrane-electrode assembly for fuel cells with improved performance and durability. The assembly has two catalyst layers stacked on a polymer electrolyte membrane, with the first layer containing graphene oxide and a smaller average particle size ionomer. This layer provides better hydrophilicity compared to the second layer containing graphene and a larger ionomer particle size. This gradient of hydrophilicity reduces water management issues and improves durability compared to a uniform catalyst layer stack.
21. Fuel Cell Stack Purge System with Adaptive Condensate and Hydrogen Management
HYUNDAI MOTOR COMPANY, KIA CORPORATION, 2022
A system and method for purging condensate water and hydrogen from a fuel cell stack in a way that improves operation stability and efficiency by accurately and adaptively managing the purging process. The system includes a purge valve that selectively directs the purged water/hydrogen to either the atmosphere or back into the fuel cell humidifier based on stack pressure and conditions.
22. Fuel Cell System with Protective Component Arrangement for Hydrogen System Integrity
HONDA MOTOR CO., LTD., 2022
Fuel cell system design that protects hydrogen system components from damage due to loads like impacts. The design uses a layout where hydrogen system components are placed between the fuel cell stack and air system components. This ensures that if the fuel cell system receives a load, it is possible to suitably protect auxiliary devices which are present at positions where the pressure of the hydrogen gas is high. The upstream hydrogen auxiliary device is placed farther away from the air system component than the downstream hydrogen auxiliary device. This protects the upstream device from impacts.
23. Core-Shell Free Radical Scavenger with Porous Carbon Coating for Ion Exchange Membranes
Kolon Industries, Inc., Korea Advanced Institute of Science and Technology, KOLON INDUSTRIES INC, 2022
Free radical scavenger for improving the chemical durability of ion exchange membranes in fuel cells without reducing their ionic conductivity. The scavenger contains core particles that decompose peroxides and free radicals, coated with a thin porous carbon layer. It can be located in the membrane, electrodes, or interfaces between them. The carbon coating allows the scavenger to decompose peroxides and radicals without eluting from the membrane during cell operation.
24. Fuel Cell System with Pressure-Based Hydrogen Quality Detection and Power Generation Inhibition
TOYOTA JIDOSHA KABUSHIKI KAISHA, 2022
Fuel cell system that can detect poor quality hydrogen fuel and prevent irreversible degradation of the fuel cell performance. The system uses a pressure sensor to monitor the hydrogen gas pressure in the fuel cell. If, after a certain amount of time, the pressure does not reach expected levels based on the amount of hydrogen supplied, it indicates impurities in the gas. The system then disables power generation to avoid damaging the fuel cell.
25. Membrane Electrode Assembly with Differential Gurley Value and Fibrous Diffusion Layers for Polymer Electrolyte Fuel Cells
TOPPAN PRINTING CO LTD, 2022
Membrane electrode assembly for polymer electrolyte fuel cells that balances moisture content and prevents flooding in both low and high humidity environments. The assembly has a polymer electrolyte membrane sandwiched between a fuel electrode and an air electrode. The Gurley value (air permeability resistance) of the air electrode diffusion layer is 80 seconds or less and higher than the fuel electrode diffusion layer. This promotes water drainage at the air electrode to prevent flooding and balance moisture. The air electrode diffusion layer contains a fibrous substance like proton-conducting or electron-conducting fibers to enhance conductivity and strength. The fuel electrode diffusion layer can also contain fibers. The fibrous material improves durability and prevents cracking.
26. Fuel Cell Membrane Electrode Assembly with Non-Overlapping Oxygen Evolution Reaction Catalyst Layer
KOLON INC, KOLON INDUSTRIES INC, 2022
Fuel cell membrane electrode assembly (MEA) design to improve reverse voltage tolerance. The MEA has an oxygen evolution reaction (OER) catalyst layer between the anode and electrolyte membrane. The OER catalyst layer contacts the anode but does not overlap it in thickness. This prevents carbon corrosion and platinum loss on the anode during reverse voltage conditions, while maintaining power performance. The OER catalyst layer overlaps the fuel inlet/outlet to maximize moisture supply.
27. Fuel Cell System with Anode Water Recirculation for Oxidant Stream Humidification
BOSCH GMBH ROBERT, Robert Bosch Limited Liability Company, 2022
Fuel cell system with improved humidification to expand operating limits without increasing complexity or costs. The system recirculates some of the water produced at the anode outlet to a connection in the oxidant line going to the cathode inlet. This humidifies the oxidant stream entering the cathode, avoiding drying out issues that can limit fuel cell performance at high temps or during aging.
28. Iridium-Rich Metallic Coating for Bipolar Plates with Noble Metal Undercoat System
Schaeffler Technologies AG & Co. KG, 2022
A coating for bipolar plates of fuel cells or electrolyzers that provides improved performance and durability compared to previous coatings. The coating is a solid metallic solution containing iridium or iridium and ruthenium in concentrations of at least 99%. The iridium-rich coating has low electrical resistance like gold but is more stable and less prone to corrosion/dissolution. It can also contain small amounts of other noble metals like platinum or gold. The coating may also have an undercoat layer system containing elements like titanium or niobium. The coating is applied to bipolar plates of fuel cells or electrolyzers to improve their corrosion resistance and electrical conductivity.
29. Membrane Electrode Assembly with Gradient Hydrophobicity and Hydrophobic Fiber-Enhanced Electrode Structure
TOPPAN PRINTING CO LTD, 2022
A membrane electrode assembly (MEA) for a proton exchange membrane fuel cell (PEMFC) that improves water management and durability under low humidity conditions. The MEA has an electrode structure with different hydrophobicity levels in the inlet and outlet electrode sections. The inlet section has a lower hydrophobicity ratio compared to the outlet section. This allows better water retention in the inlet section where the fuel cell needs to hydrate the membrane. The higher hydrophobicity in the outlet section promotes water removal during gas exhaust. The MEA also has hydrophobic fibers in the electrode catalysts to prevent membrane drying. The hydrophobic:hydrophilic fiber ratio is higher in the outlet section than the inlet section.
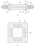
30. Electrochemical Stack Assembly with Variable Cross-Sectional Separators and Membrane Electrode Assembly Through-Openings
LTD, 2022
An assembly and stack design for electrochemical systems like fuel cells that uniformly supply cells with fluid media. The design involves separators with variable cross-sectional areas along the stacking direction. The membrane electrode assembly (MEA) also has varying sized through-openings. This allows customizing fluid flow rates to each cell based on its position in the stack. It reduces performance variability and cell wear compared to uniformly sized components.
31. Proton Exchange Membrane Fuel Cell Stack Humidification System with Sensor-Controlled Valve Adjustment
WEICHAI BAILLARD HYDROGEN ENERGY SCIENCE AND TECH LIMITED CO, WEICHAI BAILLARD HYDROGEN ENERGY SCIENCE AND TECHNOLOGY LIMITED CO, 2022
Proton exchange membrane fuel cell stack humidification system for fuel cell engines that prevents stack drying and degradation. The system uses regulators, humidity sensors, and a controller to maintain optimal stack humidity. It has a humidifier, gas-liquid separator, humidity detectors, and valves. When stack humidity falls below required levels, the controller adjusts the valve positions to increase humidity until optimal levels are reached. This prevents stack voltage drops and degradation caused by excessive dryness.
32. Membrane Electrode Assembly with Porous Carbon Layer on Cathode Catalyst Layer
KOREA INSTITUTE OF SCIENCE AND TECHNOLOGY, 2022
A membrane electrode assembly (MEA) for fuel cells that improves performance across a wide range of humidity levels. The MEA includes a polymer electrolyte membrane, anode and cathode catalyst layers, and a porous carbon layer on the cathode catalyst layer. The porous carbon layer helps prevent water evaporation from the membrane in low humidity while facilitating water back-diffusion from the cathode in high humidity. The carbon layer thickness and binder concentration are optimized for performance under different humidity conditions.
33. Method for Fabricating Self-Humidifying Membrane Electrode with Internal Water Management Structures
JIANGSU UNIVERSITY, UNIV JIANGSU, 2022
A method for preparing a self-humidifying membrane electrode for fuel cells that can maintain proper moisture levels in the membrane and catalytic layers without external humidification. The method involves creating a water management area in the electrode structure with specific shapes like "fields," "mouths," and "returns" to distribute water internally. This allows the membrane and catalysts to stay hydrated at low humidity and accelerate water discharge at high humidity to prevent flooding. The self-humidifying electrode simplifies fuel cell water management and reduces cost compared to external humidification.
34. Fuel Cell Operation Method with Controlled Humidification and Compression to Limit Membrane Expansion and Prevent Pinhole Formation
GEN MOTORS CORP, GENERAL MOTORS CORP, 2022
Method for operating fuel cells to improve durability and prevent pinhole formation in the membranes. The key steps are: 1) Humidifying the fuel cells to prevent dry-wet cycling. 2) Limiting membrane expansion during humidification to below 25%. 3) Compressing the fuel cell components between the membrane and gas diffusion media to prevent bulging. 4) Minimizing RH cycling and cell potential above 700mV to reduce chemical thinning.
35. Membrane Electrode Assembly with Hydrophobic Polymer Fiber-Entangled Catalyst Layer and Microporous Structure
TOPPAN PRINTING CO LTD, 2022
Membrane electrode assembly (MEA) for polymer electrolyte fuel cells that improves water management and durability at low humidity without impairing water retention. The MEA has an electrode catalyst layer with hydrophobic polymer fibers entangled with catalyst particles having hydrophobic coatings. This creates micropores that release water generated in high current regions. The hydrophobic fibers prevent cracking and entangle with catalyst particles. This enhances water retention and improves gas diffusion at low humidity.
36. Membrane Electrode Assembly with Fiber-Enhanced Catalyst Layers for Water Retention and Durability
TOPPAN PRINTING CO LTD, 2022
Membrane electrode assembly (MEA) for fuel cells with improved water retention and durability under low humidity conditions. The MEA uses electrode catalyst layers that contain specialized materials to enhance water management. These layers have catalyst-supporting particles, a polymer electrolyte, a water-retaining material, and a conductive material. The water-retaining material is a fiber that traps excess water generated during load fluctuations, maintaining gas diffusivity. This prevents drying and flooding issues. The fiber entanglement suppresses cracking. By adding water-retaining fibers to the catalyst layers, high power and durability are achieved at low humidity, reducing the need for humidifiers.
37. Fuel Cell System with Proton-Conducting Electrolyte Membrane and Controlled Shutdown Fuel Flow Rate
PANASONIC INTELLECTUAL PROPERTY MANAGEMENT CO LTD, PANASONIC IP MAN CO LTD, 2021
Controlling a fuel cell system using a proton-conducting electrolyte membrane like SOFCs to prevent fuel depletion during shutdown. The fuel cell system is controlled in the shutdown process to continue supplying fuel at a rate greater than the cell consumes in the open circuit state. This prevents fuel depletion that can damage the cell during shutdown. The fuel flow rate is controlled based on cell characteristics rather than extracted current like in oxide-ion cell systems.
38. Fuel Cell Membrane Electrode with Gradient Water Absorption Cathode Layer
Great Wall Motor Co., Ltd., GREAT WALL MOTORS COMPANY LTD, 2021
Fuel cell membrane electrode design to improve fuel cell current density by maintaining stable relative humidity throughout the cathode catalyst layer. The cathode catalyst layer has varying water absorption rates from inlet to outlet. This is achieved by adjusting the water absorption rate so that it decreases from the inlet to outlet. This stabilizes the relative humidity inside the cathode layer, which improves fuel cell current density compared to having varying humidity levels.
39. Membrane Electrode Assembly with Hydrophobic Catalyst Particles and Hydrophilic Fibers for Enhanced Water Management
TOPPAN PRINTING CO LTD, 2021
Membrane electrode assembly for fuel cells that improves water management in high current regions without hindering water removal. The assembly has an electrode catalyst layer with a specific composition. It uses hydrophobic catalyst particles coated with a hydrophobic film, hydrophilic fibers with certain diameter and mass, and a polymer electrolyte. This configuration enables water retention without blocking water discharge. The hydrophilic fibers provide pores for water escape while the hydrophobic coating prevents catalyst particle clogging. This allows water removal even in high current regions where water generation is high. The hydrophobic coating prevents catalyst particle clogging by fibers. The hydrophilic fibers form pores for water discharge. The fibers have a diameter range and mass ratio to catalyst particles for optimal water retention.
40. Self-Humidifying Membrane Cathode with Dual Catalytic Layer Comprising Inner Pt/C and Outer Fe-N/S/C Catalysts
Tianjin University, TIANJIN UNIVERSITY, 2021
A self-humidifying membrane cathode dual catalytic layer for fuel cells that improves fuel cell performance under low humidity conditions by retaining moisture inside the cathode to prevent dry-out. The cathode dual catalytic layer has two catalyst layers, an inner Pt/C catalyst layer close to the membrane and an outer Fe-N/S/C catalyst layer closer to the cathode. The Fe-N/S/C catalyst has high surface area to absorb water during electrochemical reactions. This locked moisture inside the cathode can humidify the membrane when ambient humidity is low, preventing dry-out and degradation.
41. Membrane Electrode Assembly with Stacked Hydrophilic and Hydrophobic Catalytic Layers Containing Carbon Nanofibers
SHANGHAI ELECTRIC GROUP CO LTD, 2021
A membrane electrode assembly for fuel cells that prevents flooding and maintains hydration at both low and high current densities. The membrane electrode has a stacked structure with a hydrophilic catalytic layer next to the membrane and a hydrophobic catalytic layer on top. The hydrophobic layer contains hydrophobic carbon nanofibers that accelerate water drainage. This allows the cathode to discharge water quickly at high currents to prevent flooding, while keeping the membrane hydrated at low currents. The hydrophilic layer with water-absorbing carbon nanofibers maintains membrane hydration.
42. Membrane-Electrode Assembly with Water-Receiving Zones and Water-Transport Paths in Subgaskets
KOLON INC, KOLON INDUSTRIES INC, 2021
A membrane-electrode assembly (MEA) for fuel cells that improves cell performance by increasing the water content of the polymer electrolyte membrane. The MEA has an inactive region around the active region of the membrane with water-receiving zones. The subgaskets surrounding the electrodes have water-transport paths connecting to these zones. Water can be supplied to the infusion zones through the paths, increasing membrane hydration beyond the gas humidification level. This prevents cell degradation and maximizes performance. The subgaskets also prevent gas crossover.
43. Membrane Electrode Assembly with Catalyst-Supporting Particles and Nanostructured Water-Retaining Material in Electrode Catalyst Layer
TOPPAN PRINTING CO LTD, 2021
Membrane electrode assembly (MEA) for fuel cells and polymer electrolyte fuel cells that provides improved power generation and durability under low humidity conditions while reducing manufacturing costs. The MEA contains catalyst-supporting particles, a polymer electrolyte, and a water-retaining material in at least one electrode catalyst layer. The water-retaining material has an average size of 5 nm to 2 μm to temporarily hold excess water generated during operation. This prevents gas diffusion hindrance while still allowing water removal. The size range prevents aggregation and cracks.
44. Fuel Cell Anode Overpressure Mitigation System with Injector Failure Detection and Hydrogen Valve Control
GM GLOBAL TECHNOLOGY OPERATIONS LLC, 2021
Process and system to mitigate overpressure in fuel cell anodes to prevent damage in the event of injector failure by detecting a stuck open injector and closing the hydrogen valve to prevent excess supply. The fuel cell stack continues to run and consume hydrogen to deplete the anode pressure. Other actions include opening the anode bleed valve, increasing cathode air pressure, and modulating load to maintain pressure balance.
45. Fuel Cell Humidity Control System with Dry Gas Flow for Membrane Protection
GM GLOBAL TECHNOLOGY OPERATIONS LLC, 2021
Reducing start-up/shutdown losses in fuel cells by controlling humidity during startup and shutdown to prevent catalyst dissolution and membrane corrosion. The method involves reducing membrane humidity below certain thresholds during startup and shutdown. During startup, a dry gas is forced through the cathode flow field for a time to lower membrane humidity below 5. This prevents catalyst dissolution when hydrogen displaces air in the anode. During shutdown, a dry gas is forced through the cathode and anode flow fields to lower membrane humidity below 50%. This prevents catalyst dissolution and membrane corrosion during voltage reversal.
46. Anode Exhaust Method with Pre-Exhaust Humidification for Closed Anode Proton Exchange Membrane Fuel Cells
Zhuhai Gree Electric Appliances Co., Ltd., GREE ELECTRIC APPLIANCES INC OF ZHUHAI, 2021
Anode intermittent exhaust method for closed anode proton exchange membrane fuel cells that improves the lifetime of the membrane electrode by avoiding excessive water loss during exhaust. The method involves humidifying the membrane before exhausting the impurity gas. This is done by implementing a humidification treatment program during exhaust. This prevents rapid water loss from the membrane during exhaust, which can cause cyclical stress and reduce membrane life. Instead, the membrane is humidified before gas discharge to mitigate voltage drop during exhaust and reduce water cycling.
47. Fuel Cell Gas Diffusion Layers with Controlled Water Vapor Transmission and Low PTFE Content
GM GLOBAL TECHNOLOGY OPERATIONS LLC, 2021
Fuel cell design with improved gas diffusion layers that prevent drying out of the proton exchange membrane during operation. The design involves using thin, low-weight cathode and anode diffusion layers with controlled water vapor transmission properties. The cathode diffusion layer has less than 15% PTFE, a water vapor permeability of less than 3 x 10^-4 g/(Pa·m^2) at 80°C and 1 bar, thickness less than 1000 micrometers, density less than 2.0 g/cm^3, and porosity greater than 25%. The anode diffusion layer has similar constraints, but can have different properties. This enables the fuel cell to operate with dry anode and cathode gas streams without drying out the membrane, by balancing water transport and humidification.
48. Proton Exchange Membrane with Transient Acid-Functionalized Polyethyleneimine and Acidic Polymer Matrix
SOUTHERN UNIVERSITY OF SCIENCE AND TECHNOLOGY, UNIV SOUTHERN SCI & TECH, 2021
Proton exchange membrane for fuel cells that has high proton conductivity and stability across the full humidity range of fuel cell operation. The membrane is prepared by compounding a transient acid-functionalized polyethyleneimine with a polymer matrix containing acidic groups. The transient acid functionalized polyethyleneimine provides proton transport channels and hydrophilic intervals for improved conductivity, while the polymer matrix provides structure. This reduces dependence on water content compared to conventional membranes. The membrane can also be coated on a reinforced membrane for mechanical strength. The compounding and film-forming process promotes mixing and structure. Drying and heat treatment completes the membrane.
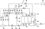
49. Proton Exchange Membrane Fuel Cell with Separate Oxygen and Water Channels and Integrated Water Storage System
SHI XIAOHUI, 2021
Proton exchange membrane fuel cell design to prevent water flooding and membrane drying issues at low temperatures. The fuel cell has a unique internal structure with separate channels for oxygen and water. The channels prevent water flooding by draining excess water from the cathode. It also has a water storage tank below the cell that collects drained water. This prevents membrane drying by providing moisture to the anode. The oxygen channel connects to the cathode and has a semicircular water outlet to drain excess cathode water. The water storage tank below the cell collects drained water. This prevents membrane drying by providing moisture to the anode.
50. Membrane Electrode Assembly with Catalyst-Supporting Particles and Water-Retaining Fibers of Specified Length and Mass Ratio
TOPPAN PRINTING CO LTD, 2020
Membrane electrode assembly (MEA) for fuel cells with improved water retention, durability, and power generation performance under low humidification conditions. The MEA has electrode catalyst layers containing catalyst-supporting particles, a polymer electrolyte, and water-retaining fibers with an average length of 3-600 microns. The mass of water-retaining fibers is 0.05-1.0 times the carrier mass in catalyst particles. This prevents flooding while enhancing water retention without hindering gas transport. The MEA allows water-generated by the electrode reactions to drain but also temporarily holds excess water during load fluctuations.
Get Full Report
Access our comprehensive collection of 91 documents related to this technology
