Drone Path Planning using AI
Modern UAV path planning systems process up to 30 million distance measurements per second while maintaining obstacle detection rates under 50 milliseconds. These systems must balance computational constraints with environmental complexity—from structured indoor environments with defined obstacles to dynamic outdoor scenarios with unpredictable moving objects and varying weather conditions that affect sensor reliability.
The fundamental challenge lies in balancing computational efficiency against the robustness required for real-time decision-making in unpredictable environments.
This page brings together solutions from recent research—including sensor fusion architectures that integrate lidar and camera data, hierarchical planning systems that separate global routing from local collision avoidance, dynamic map updating mechanisms for tracking moving obstacles, and reliability-based path selection that considers population density in urban environments. These and other approaches offer practical implementations for UAVs operating across diverse mission profiles while maintaining safety and efficiency standards.
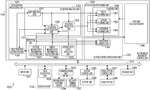
1. Autonomous Drone with Sensor Fusion for 3D Mapping and Obstacle Avoidance
KOREA ADVANCED INSTITUTE OF SCIENCE AND TECHNOLOGY, 2025
Autonomous drone system for exploration and reconnaissance in unknown environments. The system allows the drone to autonomously fly, map the environment, locate targets, avoid obstacles, and return home. The drone acquires data from cameras, lidar, and IMU to estimate pose, recognize targets, and generate a 3D map. It plans safe paths using ray-casting and sensor fusion. The drone applies the path to fly autonomously. This allows it to explore unknown areas, accurately locate targets, avoid obstacles, and return home.
2. Hierarchical Multi-Drone and Sensor Platform with Federated Path Planning and Information Lateralization
SOTER TECHNOLOGY INC, 2024
Facilitating managing of paths for unmanned vehicles using a hierarchical multi-drone/sensor platform with information lateralization and federated path planning. The platform involves multiple drones, ground robots, and sensors with complementary functions acquiring heterogeneous information at different resolutions. This information is integrated and fed back to adjust planned paths for missions. The platform is modeled after brain lateralization, where drones/sensors have specialized roles like human hemispheres.
3. Autonomous Mobile Robot Control System with Real-Time Route Adjustment Using Environmental Change Detection and Path Prediction
TOYOTA JIDOSHA KABUSHIKI KAISHA, 2024
An autonomous mobile robot control system that updates its route plan in real-time based on environmental changes detected by cameras. The system continuously monitors its surroundings, detects moving objects, predicts their paths, and generates avoidance procedures to prevent collisions. This enables the robot to dynamically adjust its route to avoid obstacles and minimize disruptions to human traffic.
4. 3D Navigation Method Using Predefined Spatial Segments with Unique Coordinate Combinations
AIRBUS DEFENCE AND SPACE GMBH, 2024
A navigation method for objects in 3D space that reduces computational requirements by representing the environment as a set of predefined spatial segments, each defined by a volume and a unique coordinate combination, and determining object positions and routes within these segments.
5. Autonomous Drone Navigation System with Dynamic Object Tracking and Map Updating for Indoor Path Planning
ALARM.COM INC, 2024
Improving autonomous navigation of drones inside buildings by dynamically tracking objects and their status to generate accurate maps for path planning. The drone obtains a map of the building with locations of dynamic objects. It periodically updates the map with current object status to capture changes. When instructed to perform an action, the drone computes the route based on the dynamic map and object status to avoid obstructions. This allows the drone to adapt and reroute if objects move or block paths.
6. UAV Flight Planning System Utilizing Population Density and Ground Condition-Based Reliability Mapping
AMAZON TECHNOLOGIES INC, 2024
System for safe UAV flight planning over populated areas that uses localized population density and ground condition data to select routes that avoid densely populated areas. The system generates a reliability map of a region by dividing it into cells and scoring each cell based on population density and ground conditions. A search algorithm uses the reliability map to plan UAV routes that minimize overflight of populated areas.
7. Marine Navigation System with AI-Based Collision Risk Evaluation and Route Adjustment Mechanism
FURUNO ELECTRIC CO, 2023
A marine navigation system for safe ship navigation using artificial intelligence. The system includes a navigation route planning apparatus that receives planned routes, vessel and obstacle information, and uses machine learning to evaluate collision risks and generate avoidance routes. The apparatus determines whether to deviate from the planned route based on the collision risk assessment, enabling safe navigation through dynamic ocean environments.
8. Route Optimization Method for Mobile Robots Utilizing A* Global Planning and Dynamic Window Local Optimization
STAR INSTITUTE OF INTELLIGENT SYSTEMS, CHONGQING UNIVERSITY, DIBI INTELLIGENT TECHNOLOGY RESEARCH INSTITUTE CO LTD, 2023
A route optimization method for mobile robots that combines global planning using A* algorithm with local optimization using dynamic window algorithm. The method first generates a global route using A*, then filters out redundant nodes to create a key node-based route. Local optimization is then performed on each segment of the route using dynamic window algorithm to improve route smoothness and safety.
9. Electric Aircraft Flight Controller with Autonomous Collision Avoidance Using Sensor-Driven Navigation Adjustments
BETA AIR LLC, 2023
Automated sense and avoid system for electric aircraft, comprising a flight controller that receives sensor inputs, identifies potential collision threats, generates navigation status, produces flight modifications, and autonomously initiates those modifications to prevent collisions.
10. Cell-Based Ground Obstruction Mapping for Drone Route Planning Using Dynamic Occupancy Metrics
AMAZON TECHNOLOGIES INC, 2023
Planning efficient and safe routes for drones based on localized ground obstruction data. The method involves dividing a region into cells and calculating occupancy metrics for each cell based on data like building footprints. Cells with high occupancy metrics are labeled as obstructed. The cells are further divided until they can be labeled obstructed or free. This dynamic and granular map of ground obstructions is used to plan drone paths through the free cells.
11. Flight Device with Dynamic Course Adjustment for Obstacle Density Avoidance
KDDI CORP, 2023
Flight device that dynamically adjusts its flight plan to avoid high-density areas of obstacles, such as cities or crowds, by proactively changing course when approaching areas with a threshold density of obstacles. The device continuously monitors its surroundings and adjusts its flight path to maintain a safe distance from obstacles, even when flying over densely populated areas.
12. Method for Generating Pathing Data Using Real-Time Sensor Input Over High-Throughput Network
HAND HELD PRODUCTS INC, 2023
A method for generating optimized pathing data for traveling objects in an environment using continuous real-time sensor data transmitted over a high-throughput communications network. The method receives real-time sensor data, determines the environment's status based on the data, and generates optimized pathing data for one or more traveling objects based on the status. The optimized pathing data is then transmitted to the traveling objects' control devices to enable autonomous navigation.
13. System for UAV Delivery Scheduling and Routing Utilizing Multi-Source Travel Data Integration
AMAZON TECHNOLOGIES INC, 2023
Optimizing scheduling and routing of deliveries by unmanned aerial vehicles (UAVs) using travel-related data from UAV sensors, data aggregators, weather services, and obstacle databases. The system receives data on obstacles, weather, crowds, interference, etc. from UAV sensors and other sources to evaluate and update flight plans. The UAV data is combined with other sources and stored for analysis.
14. Vehicle Motion Planning System with Nominal and Abort Trajectory Determination Based on Real-Time Movement and Surrounding State Analysis
APTIV TECHNOLOGIES LTD, 2023
Planning a motion of a vehicle that minimizes the risk of accident. The method includes determining a nominal trajectory for the vehicle based on a desired maneuver to be carried out in a traffic space, on a current state of movement of the vehicle and on a detected state of a surrounding of the vehicle, and determining, via the motion planning module of the control system, an abort trajectory branching off from the nominal trajectory and guiding the vehicle to a safe condition regardless of the desired maneuver.
15. Drone System with Stereo Vision and Depth Sensors for Autonomous Navigation and Obstacle Avoidance
DIGIT7 INDIA PRIVATE LTD, 2023
A drone system for inventory management in warehouses, enabling autonomous navigation and obstacle avoidance through a combination of stereo vision, optical flow, and depth sensors. The system generates a 3D map of the environment, estimates the drone's spatial position and orientation, and uses a collision prevention feature to find the shortest path between nodes while avoiding static and dynamic obstacles.
16. Autonomous Aerial Vehicle Navigation Using Crowd-Sourced Dynamic Obstacle Data with Airspace Partitioning
HERE GLOBAL BV, 2023
Enabling autonomous aerial vehicles to safely navigate complex environments by leveraging crowd-sourced data on dynamic obstacles they encounter during their flights. The system partitions the airspace into 3D shapes and records when aerial vehicles enter and exit each shape to build up a database of dynamic obstacle movements. This data is processed to compute collision probabilities for each shape. Aerial vehicles can then request routes that avoid shapes with high collision probabilities.
17. Route Planning Method for Mobile Robots Utilizing A* Global Pathfinding and Dynamic Window Local Optimization
DIBI INTELLIGENT TECHNOLOGY RESEARCH INSTITUTE CO LTD, 2022
A route optimization method for mobile robots that combines global planning with local optimization. The method first uses A* algorithm to plan a global route, then filters out redundant nodes to retain key nodes. Local optimization is then performed using the dynamic window algorithm to improve route smoothness and safety. This hybrid approach enables efficient and safe robot movement by leveraging the strengths of both global and local planning methods.
18. Distributed Architecture for Safety-Level Integration in Unmanned Aerial Vehicles with Non-Deterministic Algorithms
KUTTA TECHNOLOGIES INC, 2022
Enabling safe, autonomous flight of unmanned aerial vehicles (UAVs) using a distributed architecture that allows non-deterministic AI/ML algorithms on UAVs while maintaining safety. The architecture involves multiple safety levels assigned to individual functions. Vehicles with lower safety levels can connect to vehicles with higher levels to operate at the higher level. This promotes safety by leveraging trusted systems. It also allows cost-reduced, low-cost UAVs to operate in restricted environments by connecting to higher safety level vehicles.
19. Aerial Robotic Navigation System with Trajectory Prediction and Collision Detection Using Object Tracking and Real-Time Route Management
EVERSEEN LTD, 2022
A navigation system for aerial robotic devices that enables obstacle avoidance through trajectory prediction and collision detection. The system employs a combination of object tracking, prediction algorithms, and real-time route management to predict the trajectory of moving objects. It continuously updates the prediction list by filtering out measurement noise and determining the velocity and acceleration vectors of each object. The system then generates predicted trajectory points for each object in the prediction list, enabling the robotic device to avoid obstacles by predicting their future positions. The system maintains a tracking list of detected objects with their corresponding trajectory points, allowing the robotic device to maintain a continuous view of the environment and avoid collisions.
20. Aerial Vehicle Routing Method Using 3D Grid-Based Shape Representation with Probability-Based Collision Optimization
HERE GLOBAL BV, 2022
Method for routing an aerial vehicle through a 3D space by representing the space as a grid of three-dimensional shapes, matching the vehicle's start and target locations to corresponding shapes, and computing a collision-optimized route based on probability data for each shape. The route is evaluated based on collision probability, enabling autonomous aerial vehicles to safely navigate complex environments.
21. Motion Planning Framework with Nominal Path and Lateral Offset for Flatness-Based Trajectory Generation
UATC LLC, 2022
A motion planning framework for autonomous vehicles that generates executable trajectories by combining a nominal path with lateral offset profiles and velocity profiles, ensuring that the combined path meets flatness criteria to enable direct control of the vehicle's motion. The framework generates multiple candidate trajectories based on sensor data and selects the optimal trajectory to ensure safe and comfortable navigation.
22. Multi-Sensor Data Integration and Genetic Algorithm-Based Obstacle Avoidance for UAVs
GUANGDONG POLYTECHNIC NORMAL UNIVERSITY, 2022
Obstacle avoidance method for unmanned aerial vehicles (UAVs) that integrates multi-sensor data acquisition and real-time route planning using a genetic algorithm. The method generates a dynamic 3D environmental model from millimeter-wave radar, laser radar, camera, and ultrasonic sensor data, and uses a pre-trained route planning model based on the environmental model to determine the UAV's ability to avoid obstacles. When an obstacle is detected, the method generates an initial obstacle avoidance route using the genetic algorithm. The method enables real-time obstacle avoidance in complex environments, such as agricultural settings, with a speed range of 0-12 m/s.
23. Integrated Wireless Network System for Dynamic Obstruction Management in Passenger Drones and UAVs
METAL RAPTOR LLC, 2022
Dynamic obstruction management for passenger drones and unmanned aerial vehicles (UAVs) through an integrated wireless network-based air traffic control system. The system enables real-time monitoring and collision avoidance by integrating multiple wireless networks, including cellular and location-based services, to manage drone flight paths. It employs advanced collision prediction algorithms that consider multiple variables, including dynamic obstacles, to determine collision likelihood. The system provides redundant communication channels between drones and air traffic control centers, enabling continuous flight path updates and collision avoidance. The system also supports autonomous delivery operations by coordinating drone flight paths and communication between drones and air traffic control centers.
24. Autonomous Drone with Integrated AI for Sensor-Based Navigation and Task Execution
Ardavan Karbasi, 2022
Autonomous drone that uses artificial intelligence to fly and perform tasks without operator intervention. The drone has cameras, sensors, and speakers to collect data, which an onboard AI uses for autonomous functions like avoiding obstacles, navigating routes, and coordinating with other drones. This allows the drone to respond to changing conditions and environments without human input.
25. Autonomous Mobile Robot Control System with Real-Time Route Adjustment Using Environmental Change Detection
TOYOTA JIDOSHA KABUSHIKI KAISHA, 2022
An autonomous mobile robot control system that updates its route plan in real-time based on environmental changes detected by cameras, enabling the robot to avoid collisions with people and other moving objects by predicting their paths and generating avoidance maneuvers.
26. Autonomous Vehicle Motion Planning System with Multi-Dimensional Constraint Representation and Machine-Learned Blocking Classifier
UATC LLC, 2022
Autonomous vehicle motion planning system that generates constraints based on predicted object positions to determine a consistent motion plan. The system uses a scenario generator to identify objects of interest and their interactions with the vehicle's nominal path, and a constraint solver to determine navigation decisions that satisfy all constraints. The system represents constraints in a multi-dimensional space and uses a machine-learned blocking classifier to identify blocking objects. The motion plan is then optimized using an optimization planner to generate a safe and efficient trajectory.
27. Hierarchical Policy Model Architecture for Mobile Robot Navigation with Dual-Level Training
GOOGLE LLC, 2021
A method for navigating a mobile robot in an environment using a hierarchical policy model architecture. The method includes training a high-level policy model to generate coarse navigation actions based on sensor data and target labels, and a low-level policy model to generate fine-grained actions based on high-level actions and sensor data. The high-level policy model is trained using supervised learning with real-world data, while the low-level policy model is trained using reinforcement learning with simulated data. The two models are combined to enable the robot to navigate through complex environments while avoiding obstacles.
28. Information Processing Apparatus with Image-Based Cost Map Generation for Autonomous Movement Path Calculation
SONY CORP, 2021
An information processing apparatus for autonomous moving bodies that calculates a movement plan based on the image capture range of external cameras. The apparatus receives image capture range information from external cameras, generates a cost map based on the captured image range, and determines a movement path for the autonomous moving body based on the cost map.
29. Drone Path Planning System with Real-Time Depth Map-Based Obstacle Avoidance
AUTEL ROBOTICS CO LTD, 2021
A real-time path planning system for drones that enables autonomous navigation through dynamic environments. The system employs a depth map of the environment in front of the drone to determine optimal flight paths that avoid obstacles. The depth map is acquired through a depth sensor, and the system then calculates the optimal flight direction based on this map. The drone then continuously monitors its surroundings and adjusts its flight path in real-time to maintain the optimal path while avoiding obstacles. This enables dynamic navigation through environments with changing terrain and obstacles.
30. Property Monitoring System with Drone-Assisted Emergency Navigation and Occupant Guidance
ALARM.COM INC, 2021
A monitoring system for properties that uses a drone to assist occupants during emergencies. The system detects emergency conditions through sensors, locates occupants, and determines optimal exit paths. The drone navigates to the occupants and guides them to safety, avoiding obstacles and minimizing risk.
31. Method for Calculating Collision Probability Using Variable Resolution Spatial Partitioning and Dynamic Obstacle Tracking
HERE GLOBAL BV, 2021
Method for calculating collision probability for aerial vehicles in 3D space by partitioning the environment into varying resolution shapes and tracking vehicle movements through these shapes to generate dynamic obstacle observation records. These records are then processed to compute collision probability data for each shape, enabling more accurate routing and risk assessment for autonomous aerial vehicles.
32. Unmanned Aerial Vehicle Flight Control System with Dynamic Risk-Based Plan Switching
NTT DOCOMO INC, 2021
Controlling the flight of an unmanned aerial vehicle (UAV) by dynamically switching between optimized and risk-optimized flight plans based on the aircraft's current risk level. The system processes flight plans, determines additional flight conditions, and controls the UAV's flight path based on the determined conditions and risk level. This enables the UAV to adapt its flight to changing environmental conditions while maintaining safety, particularly in high-risk airspace.
33. Flight Control System with Type-Based Collision Avoidance for Air Vehicles
NTT DOCOMO INC, 2021
A flight control system for air vehicles that determines collision avoidance based on the type of detected air vehicle. The system detects nearby air vehicles, identifies their type, and assesses collision risk based on their movement attributes. It then controls the air vehicle's flight to avoid collisions with other vehicles, taking into account the specific characteristics of the detected air vehicle.
34. Depth Map-Based Obstacle Avoidance System with Target Tracking for Autonomous Drones
AUTEL ROBOTICS CO LTD, 2021
Autonomous obstacle avoidance for drones using target tracking enables real-time path planning across dynamic environments. The method employs a depth map-based approach that generates a grid map centered on the drone, determining optimal flight direction and minimum distance based on the environment's depth information. The system then calculates optimal flight speed based on the drone's current speed, expected speed, and target distance, ensuring collision avoidance while maintaining the initial horizontal distance. This approach enables drones to adapt to changing environmental conditions in real-time, improving their ability to navigate complex environments.
35. Motion Planning Lattices with Oriented Bounding Box Collision Detection and Parameterized Cost Functions for Autonomous Vehicles
REALTIME ROBOTICS INC, 2020
Motion planning for autonomous vehicles using planning lattices with collision assessment, where the primary vehicle is represented as an oriented bounding box and collision detection is performed using box-box or box-curve collision detection to determine whether the vehicle will collide with other vehicles or obstacles in transitioning between states. The collision detection is performed using a set of fitted functions that are fitted to the motion represented by the trajectory, and the cost of each edge in the planning lattice is set based on the collision detection and a parameterized cost function that represents factors such as obstacle type, collision type, vehicle speed, and estimated dissipated energy.
36. Autonomous Vehicle Motion Planning Model with Iterative Quadratic Programming and Reinforcement Learning for Trajectory Generation in Open Spaces
BAIDU USA LLC, 2020
Relaxation optimization model for autonomous vehicle motion planning in open spaces, enabling smooth and collision-free trajectory generation without reference lanes. The model iteratively refines a trajectory through quadratic programming optimizations, incorporating obstacle constraints and map information. Alternatively, an actor-critic reinforcement learning approach generates trajectories by maximizing reward predictions for control actions in open spaces.
37. Drone Airspace Allocation System with Cell-Based ID Assignment and Collision Risk Balancing
NTT DOCOMO INC, 2020
A system for allocating flight airspace to drones that balances collision risk with efficient airspace use. The system determines permitted flight airspace in advance, assigns cells with unique IDs, and allocates airspace to drones based on their flight type and parameters. When multiple drones request the same airspace, the system prioritizes drones with avoidance functions and limits the number of drones sharing airspace based on the overlap size.
38. Hierarchical Multi-Layer Planning Architecture with Integrated Machine Learning for Autonomous Systems
HUAWEI TECHNOLOGIES CO LTD, 2020
A multi-layer planning architecture for autonomous vehicles and mobile robots that integrates machine learning with hierarchical planning layers. The architecture comprises a mission planning layer, behavior planning layer, and motion planning layer, each with neural networks that learn and adapt to optimize vehicle operation. The layers are hierarchically connected, with each layer's output serving as input to the next, enabling coordinated planning and control. Machine learning is applied to specific functional tasks within each layer, enabling the system to learn and improve over time.
39. UAV Path Planning System with Multiobjective Optimization Utilizing Static and Dynamic Safety Index Maps
BEIHANG UNIVERSITY, 2020
Joint offline and online path planning for UAVs in urban environments using multiobjective optimization. The approach uses static and dynamic safety index maps along with a two-objective optimization problem formulation to find paths that minimize both travel time and collision risk. Offline planning uses a geography map to find an initial path. During flight, online replanning is triggered when unexpected obstacles are detected. The replanned path avoids dynamic threats while leveraging offline planning when safe.
40. Method for Coordinating Autonomous Vehicle Collision Avoidance Using Risk-Based Path Generation and Lead Vehicle Assignment
SEAT SA, 2020
Method for controlling multiple autonomous vehicles to avoid collisions when an anomaly is detected, comprising identifying nearby vehicles, calculating risk coefficients, generating candidate avoidance paths, and coordinating vehicle movements to minimize collision consequences. The method assigns a lead vehicle based on risk coefficients and coordinates avoidance maneuvers among all involved vehicles.
41. System for Predicting Third-Party Object Motion Using Temporal Logic and Tree Search in Autonomous Vehicle Environments
ZOOX INC, 2020
A system for predicting the motion of third-party objects in an autonomous vehicle environment using temporal logic and tree search. The system determines predictive trajectories for third-party objects based on sensor data, motion patterns, and learned policies, and evaluates these trajectories against safety and liveness constraints defined using temporal logic. The system selects the most likely trajectory based on outcome probability and provides it to the vehicle's decision planner for motion planning.
42. Drone-Assisted Emergency Navigation System with Occupant Location and Optimal Path Determination
ALARM.COM INC, 2020
A property monitoring system that uses a drone to assist occupants during an emergency. The system detects emergencies through sensors, locates occupants, and determines optimal exit paths. The drone navigates to the occupants and guides them to safety, avoiding obstacles and minimizing risk.
43. Unmanned Aerial Vehicle for Dynamic Route Guidance and Traffic Monitoring of Emergency Vehicles
INTERNATIONAL BUSINESS MACHINES CORP, 2020
Guiding an emergency vehicle to an emergency site using an unmanned aerial vehicle (UAV) that receives navigation data from the vehicle, automatically pilots itself ahead of the vehicle, and transmits traffic alerts to influence traffic flow based on real-time sensor data. The UAV calculates a route to the emergency site using area map data and provides navigation guidance to the vehicle, while continuously monitoring traffic conditions and adjusting the route in real-time to minimize response time.
44. Map Management System Integrating Dynamic Obstacle Data with Static Building Maps for Autonomous Navigation
MITSUBISHI ELECTRIC CORP, 2020
A map management system for autonomous mobile bodies that integrates dynamic obstacle information with static building maps to enable safe navigation in environments with people. The system generates dynamic maps by combining static floor plans with real-time data from facility management systems and sensors, such as motion detectors and security cameras. This integrated map information enables autonomous mobile bodies to adapt their navigation strategies based on the presence and movement of people, ensuring safe and efficient operation in shared spaces.
45. Unmanned Aerial Vehicle System with Real-Time Dynamic Flight Path Adaptation Using Superimposed Velocity Control for Collision Avoidance
INTEL IP CORP, 2020
An unmanned aerial vehicle (UAV) system that enables collision-free target tracking by dynamically adapting the flight path in real-time. The system combines conventional target tracking with a collision avoidance process that superimposes velocity control to avoid obstacles while maintaining target lock. The collision avoidance process receives sensor data, determines obstacle avoidance data, and generates a collision avoidance velocity value that is superimposed with the target tracking velocity to create a collision-free flight path.
Get Full Report
Access our comprehensive collection of 45 documents related to this technology
