Ferrography Test for Lubricant Wear Analysis
Ferrography testing enables the detection of wear particles as small as 1 µm in lubricating oils, providing critical insights into machine health. In typical industrial applications, wear particles ranging from 5-20 µm indicate normal operation, while larger particles (>50 µm) or increased concentrations of specific morphologies may signal impending failures. These microscopic debris fields tell a detailed story about component interactions, with ferromagnetic materials depositing differently than non-ferrous particles under magnetic field gradients.
The fundamental challenge lies in distinguishing normal wear patterns from abnormal conditions while maintaining sensitivity across diverse particle compositions, sizes, and morphologies in complex lubricant environments.
This page brings together solutions from recent research—including differential inductive measurement techniques with temperature compensation, hyperspectral scanning methodologies for quantitative analysis, magnetic field configurations for selective particle accumulation, and dynamic diagnostic threshold systems. These and other approaches enable more reliable early failure detection while minimizing false positives that can lead to unnecessary maintenance interventions.
1. Method for Characterizing Electric Vehicle Lubricants via Electronic Paramagnetic Resonance Spectroscopy to Quantify Superparamagnetic Iron Oxide Nanoparticles
CENTRE NATIONAL DE LA RECHERCHE SCIENTIFIQUE, 2024
Method for characterizing electric vehicle lubricants using electronic paramagnetic resonance (EPR) spectroscopy to quantify superparamagnetic iron oxide nanoparticles (SPIONs) in the lubricant, which correlates with wear particle accumulation and degradation. The method involves acquiring an EPR spectrum of the lubricant and analyzing it to determine the SPION concentration, which can be used to monitor lubricant condition and predict maintenance intervals.
2. Research of Friction Properties of Greasings with Operational Additives
Ding Kai Jian - TSNS Interaktiv Plus, LLC, 2024
The paper presents results investigated a lubricating properties of SN 150 mineral base oil modified with exploitation preparations R-2000 (soft material based preparation), MOTOR LIFE (chemical preparation) and Acorox 880 (zinc preparation). The test was conducted using the T-02 tester (four ball apparatus).
3. An Experimental Study on the Distribution of Grease in Cylindrical Roller Bearings
He Liang, Yan Lu, Wenzhong Wang - MDPI AG, 2024
The lubrication performance of bearings is greatly influenced by the distribution of the lubricant. In this study, a cylindrical rolling bearing test rig was constructed and presented. The distribution of grease and lubricating oil along the contact region was examined using the laser-induced fluorescence technique, and the thickness of the layer was determined. The lubricating oil and grease layer thickness distribution map was acquired. The effects of supply amount, thickener content, and speed on grease distribution were examined. Mechanisms for replenishing the line contact area were investigated.
4. Modeling of Selected Parameters of Used Lubricating Oil Diluted with Diesel Oil Using the Characteristics of Fresh Lubricating Oil
Leszek Chybowski, Marcin Szczepanek, Robert Sztangierski - MDPI AG, 2024
This article presents the verification of the hypothesis on using certain approximation curves in the evaluation of used lubricating oil. These curves are plotted for fresh lubricating oil to approximate the parameters of lubricating oil diluted with diesel oil. To confirm the hypothesis, an experiment is conducted to determine the flash point, initial boiling point, density at 15 C, kinematic viscosity at 40 C and 100 C, and viscosity index. The analysis covers fresh oil and used SAE 30 grade Marinol CB-30 RG1230 oil taken from the circulating lubrication system of a supercharged, trunk-piston, 4-stroke ZUT Zgoda Sulzer 5 BAH 22 engine that is located in the Marine Power Plant Laboratory of the Maritime University of Szczecin. Undiluted lubricating oils (both fresh and used) and mixtures of lubricating oils with diesel oil are examined for diesel oil concentrations in the mixture equal to 1, 2, 5, 10, 15, and 20% m/m. Orlen Efecta Diesel Biodiesel is used to prepare the mixtures. The functions approximating the parameters for fresh oil are determined and adapted to describe the v... Read More
5. Effect of Speed and Number of Sliding Cycles on the Film Formation Behavior of Fluorine-Based Grease
Jeong-Bin Chi, Hyuk-Jae Ma, Gyu-Sun Lee - MDPI AG, 2024
Grease, a type of lubricant, finds applications in various mechanical components due to advantages such as shape stability and sealing. However, grease is classified as a non-Newtonian fluid, and its film formation behavior is not fully understood to date due to variations in the mechanism related to the film formation behavior of grease based on factors like the base oil, bleed oil, thickener, and additives. In this study, the film formation behavior of fluorine-based grease was analyzed through the 3D profile of the grease after a friction test. In particular, the film formation behavior of the grease during sliding motion was analyzed. The experimental equipment used was a reciprocating-motion-type experimental equipment. Variations in the 3D profile were observed based on the speed and the cycle, indicating differences in the film formation behavior corresponding to changes in viscosity. In contrast to numerous studies that have observed the film formation behavior of grease under rolling motion, investigating the film formation behavior during the initial cycles of sliding motio... Read More
6. Changes in the Composition of Aircraft Lubricants Undergoing Thermal Breakdown
Raquel Juárez, Eric L. Petersen - American Institute of Aeronautics and Astronautics, 2024
Turbine oils often encounter high surface temperatures during operation that cause their breakdown and the formation of solid, carbonaceous coke deposits. These deposits may cause serious operational problems, delays, and loss of revenue. Recognizing changes in a lubricants composition as it undergoes the high-temperature break down reactions may allow better lubrication maintenance practices to be implemented. Fourier Transform Infrared (FTIR) spectroscopy is often listed as a way to detect changes in oil composition. This study therefore explored any changes in FTIR spectra caused by the formation of coke deposits in a laboratory-controlled, inert environment. In addition, the spectra of new samples of various lubricants (both mineral and synthetic) were compared. It was found that the spectra of synthetic lubricants differ from those of mineral-based lubricants. In addition, synthetic lubricants formed fibrous deposits that clogged oil lines (as opposed to coke deposits like in the case of mineral-based oils) after being exposed to high surface temperatures. Regardless of the mod... Read More
7. Evaluation of Thermal Stability and Corrosivity of Aviation Lubricants
- SAE International, 2024
<div class="section abstract"> <div class="htmlview paragraph">This test method describes a standardized process to evaluate an aviation lubricants resistance to thermal degradation and to evaluate the fluids tendency to corrode a steel specimen. Fluids are evaluated in an environment free of both air and moisture at a specified temperature and for a specified time period.</div></div>
8. Design of a test rig for grease endurance tests
Edoardo Goti, Francesca Maria Curá - Elsevier BV, 2024
The performance and endurance of lubricating greases is often assessed through model tests (like four-ball tests or SRV tests). This approach has some limitations, especially when greases with special fillers are investigated, because simplified laboratory test conditions can never replicate real operating conditions. For a more reliable assessment on the performance of a lubricating grease, lubricants must be tested in close-to-actual operational conditions, e.g. through component tests. This paper presents both the design and implementation of a dedicated test rig to test lubricating greases through middle-sized thrust ball bearings. The test rig design is optimized to monitor the effectiveness of lubrication and determine the useful life of grease by recording representative parameters, namely bearing temperature at different location in the bearing, vibration level, and electric contact resistance (ECR) through the bearing. The results of a couple of assessment tests are presented and confirm that the test rig is working as expected. The chart of the parameters being monitored sh... Read More
9. Assistance of Analytical Ferrography in the interpretation of wear test results carried out with Biolubricants
Afonso Gonçalves, Fábio Roberto Chavarette, Roberto Outa - Elsevier BV, 2024
Analytical ferrography plays a crucial role in predictive maintenance, which is a proactive approach to asset and equipment management. This technique provides valuable information about the internal condition of machines and components, allowing early identification of potential problems and the scheduling of maintenance interventions before catastrophic failures occur. Ferrography allows you to identify worn particles, non-metallic inclusions and other indicators of wear on components. By analyzing samples of lubricating oil or hydraulic fluid, analytical ferrography can offer insights into the health of internal components such as gears, bearings and other critical elements. Changes in particle concentration and composition may indicate abnormal wear. This work involves the use of analytical ferrography to interpret wear results carried out with two vegetable lubricants with additives, compared to a mineral lubricant, also with additives. To assist in the interpretation of the results, the open source software Image J and a small program developed in Python were used. It was found... Read More
10. Predicting Wear under Boundary Lubrication: A Decisive Statistical Study
Bernd Goerlach, Walter Holweger, Lalita Kitirach - MDPI AG, 2023
The forthcoming revolution in mobility and the use of lubricants to ensure ecological friendliness intensifies the pressure on tribology for predictors in new life cycles, mainly addressing wear. The current paper aims to obtain such predictors by studying how the wear processes that occur in a standard FE8 bearing test rig under thin film lubrication are conducted by the properties of the lubricant rather than simple viscosity parameters. Assuming that the activity of a lubricant with respect to the temperature, surface, and chemicals is a matter of its chemical potential, the results show that the nature of the base oil is a key parameter, apart from the chemical structure of the additives. Moreover, it becomes clear that chemical predictors are changing by altering the conditions they are exposed to. As an important result, the lubricant is effective in the prevention of wear if it has the capacity to uptake and transmit electrical charges due to its polarisability during a wear process.
11. A Methodological Approach to Assessing the Tribological Properties of Lubricants Using a Four-Ball Tribometer
Tareq M. A. Al-Quraan, Fadi Alfaqs, Jamil Haddad - MDPI AG, 2023
Based on the analysis of standards for the testing of lubricants, both liquid and plastic, on a four-ball tribometer, and the analysis of the parameters by which lubricants are evaluated, this paper proposes a methodology and an integral parameter for the estimation of tribological properties. The methodological approach proposed in this paper allows for the integration of a variety of parameters provided in the standards for the testing of lubricants into one indicator. Herein, we show that the developed technique is based on the energy approach and takes into account the specific wear work of the test material (steel balls) in the lubricating medium to be investigated. The results of laboratory tests of a wide range of lubricants are presented: hydraulic fluids, motor and transmission oils of various purposes and classifications. It is shown that the magnitude of the integral parameter can be used to assess the effectiveness of anti-wear and anti-scuff additives in base lubricants, as well as the ranges of their applications. This allows for differentiation and quantitative evaluat... Read More
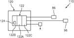
12. Metal Debris Sensor with Differential Inductive Measurement and Temperature Compensation
DANA ITALIA SRL, 2023
A metal debris sensor for oil that detects ferromagnetic particles in lubricating oil using a differential inductive measurement technique. The sensor includes a first inductor exposed to the oil and a second shielded inductor, with a comparator generating an output based on the difference between their voltages. The sensor's design provides temperature compensation and eliminates interference from parasitic voltage sources, enabling accurate detection of metal debris in oil.
13. System for Quantitative Analysis of Lubricating Fluids via Remote Hyperspectral Scanning
SAFENET INTERNATIONAL LLC, 2023
A system and method for quantitative analysis of lubricating fluids using remote hyperspectral scanning. The system comprises a fluid sample container, a hyperspectral scanner, a hyperspectral library, and a server. The method involves collecting a fluid sample, directing a light into the sample, receiving reflected light, converting incremental bands into sample reflectance numbers, matching sample reflectance numbers with laboratory reflectance numbers from the hyperspectral library, and reporting element content for each matched sample reflectance number. The system enables rapid, accurate, and portable analysis of lubricating fluids for contaminants, including metal components, particle size, viscosity, and chemical components.
14. Method for Determining Oil Film Thickness and Electrical Characteristics via Dielectric Property Measurements
NSK LTD, 2023
Method for detecting oil film state in lubricated devices, comprising deriving film thickness and electrical characteristic parameter from measurements of dielectric properties, particularly relative dielectric constant and loss factor, under controlled conditions. The method enables simultaneous determination of lubricant film thickness and electrical characteristic parameter, facilitating early detection of wear and damage in rotating parts.
15. A Comparative Analysis of the Lubricating Performance of an Eco-Friendly Lubricant vs Mineral Oil in a Metallic System
J. Santos García-Miranda, Luis D. Aguilera-Camacho, María T. Hernández-Sierra - MDPI AG, 2023
Eco-friendly lubricant research continues to increase since it has a comparative performance to commercial mineral lubricants to overcome the effects of environmental impact. However, the efficiency of these green lubricants depends on specific applications. In this study, we analyzed the friction and wear performance of a castor/sesame oil mixture as an eco-friendly lubricant and its comparison to a commercial mineral lubricant tested in a metallic system employed in bearing elements. For this purpose, AISI 8620 steel against ISO 100Cr6 was used as tribological pair. The friction and wear tests were carried out through a Tribometer of ball-on-disk configuration under boundary lubricating conditions, whereas the worn surfaces were investigated by using optical and electron microscopy. The physical properties and the rheological properties of the lubricants were also determined. The friction and wear performance between the eco-friendly lubricant and mineral oil were similar so that the CLE were comparable. The CLE values in terms of friction and wear ranged from 86% to 99.4%, respect... Read More
16. Experimental Investigations on Journal Bearing using SAE 30 and Ferrofluid Lubricant
Balanaga Vijaya Krishna, N. Seetharamaiah, L. Siva Rama Krishna - International Journal of Innovative Research in Engineering and Multidisciplinary Physical Sciences, 2023
The journal bearing test rig is used for experimental research to evaluate the effect of various speeds and loads utilizing two distinct fluids, SAE 30 and Ferro Fluid. The effect of lubricant mobility on a loaded journal bearing is investigated, and metrics such as coefficient of friction, load capacities, and bearing pressure are calculated to better understand the nature of both lubricants. Three distinct loads are introduced to the setup at three different rpms: 500, 600, and 700. A thorough tabular form is created to compare each load bearing capacity. The comparison results suggest that a proper ratio of nano particles added to a lubricant can boost load bearing ability and might carry away most of the temperature created due to friction.
17. TRIBOLOGICAL ANALYSIS OF NANOPARTICLES IN LUBRICANTS USING FOUR BALL TESTER
Shaurya Tarun, Siamjoyful Keishing, Subhash Sharma - International Research Journal of Modernization in Engineering Technology and Science, 2023
Lubricants are essential for keeping internal combustion engine parts lubricated and extending the engine's useful life.For its application, lubricating oils' load carrying capacity is a crucial factor.This study measures the coefficient of friction of 20W40 engine oil with various nanoparticles using the Four-Ball testing method.The tribological characteristics of the formed oil were assessed by a four ball tester during tests that were conducted in accordance with conventional test procedures.For 30 minutes, the spinning ball is rotated at 1,200 rpm at 75 C.As per ASTM D 4172 B, the coefficient of friction was assessed.
18. Correlation between Lubricating Oil Characteristic Parameters and Friction Characteristics
Li Wang, Qingguo Qiu, Pu Zhang - MDPI AG, 2023
In order to help one to judge the friction properties of lubricating oils without tests, this paper intends to establish the correlation between the characteristic parameters of lubricating oils and the friction properties. The elastohydrodynamic and boundary friction properties of poly alpha olefin (PAO) synthetic oil, polyol ester oil and paraffin-based mineral oil were tested using a Mini-Traction Machine. Fourier transform infrared microscopy is used to identify material changes before and after friction tests. The kinematic and dynamic viscosities of the three lubricating oils were measured using a petroleum product viscosity tester and a rotating rheometer. The results show that the kinematic viscosity does not directly determine the COF (coefficient of friction) of the lubricating oil, but the higher the dynamic viscosity, the higher the COF of the lubricating oil. The higher the viscosity-pressure coefficient, the lower the viscosity index (the worse the viscosity-temperature performance), and the higher the COF of the lubricating oil, which is related to the adaptability of ... Read More
19. Development of a high-precision Four-Ball friction machine for lubricant testing
М. В. Прожега, Artem Stasenko, E. O. Reschikov - AIP Publishing, 2023
The development of new types of lubricants requires highly accurate testing equipment. The design of a laboratory bench has been developed for testing greases according to a four-ball scheme following international standards and beyond them.
20. Tribological performance of various blends of commercial SAE 40 oil and novel apricot oil-based bio-lubricant using a four-ball tester tribometer
Anshul Kumar, Rajiv Chaudhary, Ramesh Singh - Inderscience Publishers, 2023
Conventional petroleum-based lubricants have numerous environmental and toxic issues related to their disposal. As a result, there is a growing interest in developing innovative environmentally friendly oils as lubricants. A novel apricot oil-based bio-lubricant was developed in the present research work. Its tribological performance was analysed using a four-ball tester compared with SAE 40 oil and blends of SAE 40 and developed bio-lubricant. A four-ball testing method (ASTM D4172) is a test for determining the wear-preventative features of a lubricant. It was observed that the optimum blend of SAE 40 and bio-lubricant had shown better extreme pressure performance than apricot oil-based bio-lubricant and SAE 40 alone.
21. Friction and Wear Characteristics of Engine Oil Through Four-Ball Tester
Venkateswara Babu Peddakondigalla, Syed Ismail, Vasavi Boggarapu - Springer Nature Singapore, 2023
Lubrication is a crucial factor in improving the tribological performance of various components and thus, the overall working performance of an internal combustion engine. This paper addresses the lubrication performance of different lubricants, which are commercially available and used in automobile engines. The experiments are conducted on a four-ball tester for evaluating the tribological performance of selected lubricants, namely SAE20W-50, SAE15W-40, and SAE10W-30. The tests are designed according to ASTM D4172, and the friction and wear performance of the lubricants are characterized for better lubrication performance. The lubricant SAE15W-40 has shown excellent lubrication performance with lower friction coefficient and wear scar diameter among all the tested lubricants.
22. Electrified four-ball testing – A potential alternative for assessing lubricants (E-fluids) for electric vehicles
Oscar A. Aguilar-Rosas, Leonardo Israel Farfán-Cabrera, Ali Erdemir - Elsevier BV, 2023
The increasing worldwide demand for hybrid and electric vehicle technology has brought new challenges for the global lubricant industry. The new lubricants for electric vehicles, also called E-fluids or EV-fluids, are expected to meet a new set of requirements including withstanding the much severe operating conditions of EV powertrains. High starting torques, high RPMs and uncontrollable shaft currents passing through the contact interfaces are some of the most challenging powertrain conditions that can impact the performance of these lubricants. Although there have been some papers already reporting on significant alteration of tribological properties of lubricants under electrification, so far there are no standard test protocols aimed at the fast and reliable screening of base oils, additives and formulated lubricants under such conditions. Thus, this research work focuses on exploring the popular four-ball ASTM-D4172 standard method to evaluate the tribological behavior of lubricants under electrified conditions. Specifically, a conventional four-ball tester was instrumented wit... Read More
23. Evaluation of Fouling Propensity of Aviation Lubricants Using the Mixed-Phase Flow Technique (High-Temperature Deposition Test)
- SAE International, 2023
<div class="section abstract"> <div class="htmlview paragraph">The high-temperature deposition test (HTDT) method is designed to evaluate the deposition and degradation characteristics of turbine lubricants when stressed under mixed-phase flow conditions found in certain parts of aviation gas turbine engines. This method is applicable to lubricants that form deposits in the range of 0.1 to 100 mg during the course of a test.</div></div>
24. Entwicklung eines Pre-Screening-Verfahrens zur Qualifizierung von umweltverträglichen Schmierstoffen für Stevenrohrsysteme – Bewertung der Reibungseffizienz und der Fresstragfähigkeit
Marius Bürger, Georg Jacobs, Stephan von Goeldel - Springer Science and Business Media LLC, 2023
Abstract Lubricants for stern tube systems are subject to increasingly stringent requirements in terms of environmental compatibility, as any lubricant leakage leads to contamination of the sea. As a result, interest in environmentally acceptable lubricants (EALs) is increasing. Biodegradable ester lubricants represent a possible alternative to conventional, mineral oil-based lubricants. In addition to environmental compatibility requirements, these ester lubricants must also meet tribological requirements. In this study, suitable tribometers were therefore combined in a pre-screening method to cost-effectively test lubricants for their tribological requirements (friction efficiency, wear protection and scuffing capacity). For this purpose, the contact parameters are transferred from the real conditions in the stern tube systems journal bearing and from the standardized component tests (FZG for gears and FE8 for rolling bearings) to tribological model tests on a Mini-Traction-Machine (MTM, PCS Instruments). The result of the study is a method for the pre-screening of EALs under the ... Read More
25. Engine Lubricant Wear Metal Particle Detection System with Dynamic Diagnostic Thresholds
CUMMINS INC, 2022
A system for detecting wear metal particles in engine lubricant, comprising a controller that determines particle concentration, confidence, and baseline levels, and sets dynamic diagnostic thresholds based on these factors. The controller provides a notification when the threshold is exceeded, enabling proactive maintenance to prevent engine damage.
26. Wear Debris Detection Sensor with Electrode Short Circuit Prevention and Sensitivity Adjustment Mechanism
NABTESCO CORP, 2022
Sensor for detecting wear debris in lubricating oil, comprising a pair of electrodes and an attracting portion between them, which attracts conductive particles to cause a change in electrical resistance between the electrodes. The sensor includes a short circuit preventing portion to prevent large-diameter conductive pieces from causing a short circuit between the electrodes. The sensor further includes a sensitivity adjusting unit to adjust the attraction of conductive particles to change sensitivity, comprising a surface treatment layer for the electrodes, a group of insulators with different axial heights, or a group of magnets with different magnetic forces.
27. Effect of Contact Conformity on Grease Lubrication
Michal Okál, David Košťál, Petr Šperka - MDPI AG, 2022
This work focused on the experimental study of grease lubrication mechanisms around contacts in radial ball bearing 6314. The main objective of this work was to show the influence of conformities and their impact on grease lubrication in ball bearings. For the experiments, a tribometer of ball-on-ring configuration was used and fluorescence microscopy was chosen as the observation method. The results showed that, under starvation conditions, a conformity of 0.52 at velocities around 2 m/s produces a 50% thicker lubricating film than a conformity of 0.58. The available amount of lubricant around the contact area for conformity 0.52 was approximately three times less than that for conformity 0.58, and the same ratio was observed for the amount of lubricant on the rolling track. Experiments show that a realistic tribometer geometry allows a more accurate experimental study of the lubrication mechanisms of greases in ball bearings.
28. Lubricating Oil Diagnosis System Utilizing Chromaticity Sensor with Calibration Curve for Rotary Machines
HITACHI LTD, 2022
A diagnosis technique for lubricating oil in rotary machines, particularly wind turbines, that enables accurate monitoring of oil condition without requiring shutdown. The technique uses a chromaticity sensor to measure oil color, which correlates with additive concentration, and employs a calibration curve to distinguish between additive consumption and contamination. The system acquires sensor data after a predetermined time following machine shutdown, when air bubbles are minimized, to ensure accurate measurement.
29. Oil Debris Monitoring Sensor with Parallel Passages and Independent Magnetic Field Coils
RAYTHEON TECHNOLOGIES CORP, 2022
An oil debris monitoring sensor for gas turbine engines that detects metallic particles in lubricating oil while maintaining high sensitivity despite increasing oil flow rates. The sensor features multiple parallel passages with separate magnetic field coils, allowing for simultaneous detection of particles across different flow paths. This design enables reliable detection of fine particles while preventing sensor bore enlargement, which would compromise detection capability.
30. Conductive Particle Detection Device with Permanent Magnet and Electrode Configuration for Selective Particle Accumulation
NABTESCO CORP, 2022
A conductive particle detecting device for mechanical systems that prevents false positives from fine particles while accurately detecting larger metal particles in lubricants. The device uses a permanent magnet to accumulate target particles between electrodes, while maintaining a non-conductive lubricant layer around smaller particles that would otherwise cause false signals.
31. Method and System for Engine Condition Diagnosis Using Lubricant Particle Coking Analysis
PRATT & WHITNEY CANADA CORP, 2022
Method and system for diagnosing engine condition based on lubricant coking level, comprising filtering lubricant particles, exciting particles with a beam, detecting emitted energy, comparing to expected energy, and determining coking level to diagnose engine condition.
32. Lubricant Oil Wear Debris Sensor with Multi-Unit Resistance Change Detection
NABTESCO CORP, 2022
Sensor for detecting wear debris in lubricant oil, comprising multiple detecting units with electrodes and sensing areas, where each unit exhibits a change in electrical resistance as conductive particles accumulate, and a sensing unit outputs a signal only when at least two units experience a resistance change, thereby preventing false triggering due to contamination.
33. Lubricating Oil Evaluation System with Imaging-Based Degradation Analysis and Machine Learning Feature Extraction
IDEMITSU KOSAN CO LTD, 2022
A lubricating oil degradation evaluation system and method that enables immediate assessment of oil degradation and contamination using standard imaging devices. The system captures images of the oil using a smartphone or camera, extracts relevant features, and compares them to reference data to determine degradation level. The method can also employ machine learning to improve accuracy and predict remaining oil life.
34. USING THE METHOD OF "MINIMAL RISK" IN TECHNICAL DIAGNOSTICS
Oleksii Hrechanyі, Tatiana Vasilchenko, Stepan Fedorenko - National Metallurgical Academy of Ukraine, 2022
As a lubrication of the spindle drive unit of the rolling stand It is proposed to switch to the oil-air lubrication system. The advantages of "oil-air" lubrication systems are indicated. The effect of iron-containing impurities on the performance of the lubrication system has been established. The methods of recognition theory for determining the boundary value of iron-containing additives in the working fluid of the lubrication system are analyzed. It has been established that for these purposes the minimal risk method is optimal, which, unlike the Bayesian method, is less labor-intensive. An example of the practical application of using the "minimal risk" method to determine the permissible content of iron chips in the working fluid of the "oil-air" lubrication system is given.
35. Method for Identifying Abnormal Component Sites via Oil Condition Data Mapping
TOYOTA JIDOSHA KABUSHIKI KAISHA, 2022
A method for identifying abnormal sites in on-board components, such as transmissions, by analyzing oil condition data. The method uses a mapping between oil condition variables, including foreign substance concentration and color, and component abnormal site variables. The mapping is stored in a device and executed when an abnormality is detected, enabling identification of the root cause of the problem.
36. Experimental Investigations of novel fatty oil based lubricant-enhanced water based drilling mud via lubricity coefficient, filtration loss and rheological characterization
Govind Mittal, Himanshu Kesarwani, Shivanjali Sharma - IEEE, 2022
The study reports the synthesis, characterization, and oilfield behavior (lubricity coefficient, Rheology, fluid loss controller) of a lubricant for water-based drilling fluid. The maturation of existing oil fields and the increasing oil demand provides impetus to drill complex wells. These wells face problems of increased torque and drag due to the friction between the different tubing. This damages the drill string and leads to necking, fractures, cave-ins, etc. The synthesized novel fatty oil lubricant will mitigate these problems while drilling.In this study, a non-toxic and biodegradable lubricant was synthesized. The product was then characterized via Fourier-transform infrared (FT-IR), and field-electron scanning electron microscopy (FE-SEM). The performance evaluation of the lubricant was evaluated using ASTM Standards 13-B1. The rheological properties were examined using Fann Model 35 VG Viscometer. Further, an API Filter press test was performed to evaluate filtration loss from the drilling fluid.The FT-IR results validate the synthesis of lubricant. The addition of lubric... Read More
37. Development of grease resistant to water washout
S. V. Pashukevich - FSB EIHE Omsk State Technical University, 2022
In the work, laboratory tests are carried out to create a grease with the introduction of waterproof components into the composition with further analysis of samples of the resulting lubricant. A technique has also been developed to measure the washout of greases. During the tests, the values of the following technological properties of greases are obtained: dropping point, penetration at 25 C with stirring, colloidal stability, welding load, washout, freezing point, tensile strength at 20 C and at 80 C. A comparative analysis of each of the considered indicators of five samples of the developed lubricant and samples of already manufactured products are carried out.
38. Novel In-Situ Observation of the Grease Constituents in Elastohydrodynamic Contacts by Fluorescence Microscopy
David Košťál, Michal Okál, Josef Frýza - Springer Science and Business Media LLC, 2022
Grease is important lubricant for ball bearings as it is used much more often than oil. However, mechanism of the lubrication is not completely clear, especially concerning the role of the thickener in the lubricating process. It was shown that contribution of the thickener to film thickness build-up varies with operating conditions. Also, its influence on the resistive torque of the bearing was proved. However, all studies were in-direct showing its effects. This paper presents new in-situ fluorescence method of the grease constituents' observation, where both, thickener, and base oil can be observed independently. Two different fluorescence dyes are used to distinguish grease constituents with the use of different microscope setup. Moreover, the new method was tested on two different test rigs. First is typical ball on disc test rig widely used for study of elastohydrodynamic lubrication. Second is ball on ring test rig which more closely represents radial ball bearing conditions. It was shown that thickener engagement is very different for each geometrical configuration.
39. Assessment of the Lubricity of Grease‐Sealing Rotary Shaft Seals Based on Grease Properties
Susanne Hahn, Simon Feldmeth, Frank Bauer - Wiley, 2022
Abstract Greaselubricated sealing systems have an increased risk of starved lubrication. For this work, the lubricity of 23 greases in a rotary shaft sealing system was evaluated with a new test and evaluation method. The lubricity was then correlated with rheological and other grease properties. These grease properties are either available by the data sheet or can be measured with low effort. The results of the correlation allow a preselection of greases which are expected to lubricate rotary shaft seals well. This can support manufacturers and users in considering the lubrication of the sealing system early in the development process.
40. Novel in-situ observation of the grease constituents in elastohydrodynamic contacts by fluorescence microscopy.
David Košťál, Michal Okál, Josef Frýza - Springer Science and Business Media LLC, 2022
Abstract Grease is important lubricant for ball bearings as it is used much more often than oil. However, mechanism of the lubrication is not completely clear, especially concerning the role of the thickener in the lubricating process. It was shown that contribution of the thickener to film thickness build-up varies with operating conditions. Also, its influence on the resistive torque of the bearing was proved. However, all studies were in-direct showing its effects. This paper presents new in-situ fluorescence method of the grease constituents observation, where both, thickener, and base oil can be observed independently. Two different fluorescence dyes are used to distinguish grease constituents with the use of different microscope setup. Moreover, the new method was tested on two different test rigs. First is typical ball on disc test rig widely used for study of elastohydrodynamic lubrication. Second is ball on ring test rig which more closely represents radial ball bearing conditions. It was shown that thickener engagement is very different for each geometrical configuration.
41. Measurements of viscosity profile in elastohydrodynamic lubrication film using fluorescence method under various contact pressure conditions
Takefumi Otsu - Japan Society of Mechanical Engineers, 2022
This paper describes rheological properties of hydrodynamic and elastohydrodynamic lubrication (EHL) film under various contact pressure conditions using the fluorescence measurement method. In this measurement method, the viscosity and the information about the state of the lubricant (liquid or solid) can be obtained via the analysis of fluorescence spectrum of a pyrene excimer emission. Previous research revealed that the intensity of excimer emission decreased with increasing of viscosity. In addition, the intensity ratio between the excimer peak and lubricant 5P4E fluorescence peak was introduced for the analysis, and the ratio decreased with increasing viscosity of lubricant. In this study, the viscosity profile obtained from the relationship between the intensity ratio and viscosity showed that the state of lubricant in the lubrication film corresponded almost exactly to the lubrication regime proposed in previous researches. It is concluded that the viscosity measurement technique proposed in this study is useful method for practical uses in hydrodynamic and elastohydrodynamic... Read More
42. Study on the tribological characteristics of plant oil-based bio-lubricant with automotive liner-piston ring materials
M. Shahabuddin, M. Mofijur, I.M. Rizwanul Fattah - Elsevier BV, 2022
The development of bio-lubricant is an immerging area of research considering the rapid depletion of petroleum reserve and environmental concern. This study aims to develop non-edible jatropha oil-based bio-lubricant and investigate the tribological properties considering commonly used piston ring-cylinder liner materials of stainless steel and cast iron due to their interaction under lubricated conditions in an internal combustion engine. The bio-lubricant was prepared by blending different percentages of vegetable oil with commercial lubricants. The tribological test was carried out using a Reo-Bicerihigh-frequency reciprocating rig (HFRR) for the duration of 6 h under standard operating conditions. Different properties of bio-lubricants were measured before and after the HFRR test using various analytical instruments. The morphology of the worn material surfaces was examined via Hitachi S-4700 FE-SEM cold field emission high resolution scanning electron microscopy (SEM). The result showed that addition of vegetable oil lubricant up to 7.5% concentration can be compared with comme... Read More
43. Enhancing the sensitivity of a tribological testing method to enable development of lubricants for cold forging
Chengliang Hu, Haitang Chen, Wenlong Zhang - Elsevier BV, 2022
Because of environmental issues, new water-based lubricants are being developed to replace the conventional lubrication approach in cold forgingphosphation plus soap coating. To support the development and application of water-based lubricants, a new testing method that is highly sensitive, accurate, and easy to use was established on the basis of the ring with boss compression test. The dimensions of ring specimens were optimized, and the methods high sensitivity was demonstrated by obtaining scatter calibration curves and determining the distortion of the outer boss. The effectiveness and high sensitivity of the method were experimentally validated using two strategies. The method was then successfully employed to evaluate a commercial water-based lubricant; the effect of lubricant amount and lubrication mode was investigated.
44. Lubricating Oil Parameters
Gavril Grebenişan, 2022
One of the major causes of premature wear of moving or working machine parts subjected to loads on the contact surface is inadequate lubrication. This includes contamination with foreign particles, use of inappropriate lubricants, and use of excessive or insufficient lubricants. In addition to the quality of lubricants for ensuring technological processes under friction, wear and temperature control, lubricants also become diagnostic tools. A lubricant condition monitoring program can provide information on additive inefficiencies, viscosity changes, water content, coolant and emulsion losses, and particle contamination. Depending on the objectives and complexity of the lubricant analysis monitoring system, observations can be made by: monitoring and analysis of contaminating fluids; analyzing fluid properties; analysis of metal wear. Typical tests include those performed to determine the following parameters: - Number of foreign particles; - Viscosity; - Water concentration; - Spectroscopy of chemical elements; - Infrared spectroscopy (FTIR); - Measurement of total acidity index; - ... Read More
45. Test and evaluation method for greases in grease-sealing rotary shaft seals
Susanne Hahn, Simon Feldmeth, Frank Bauer - Narr Francke Attempto Verlag GmbH + Co. KG, 2021
Grease-lubricated sealing systems show starved lubrication much more frequently than oil lubricated sealing systems. Different greases provide different lubricity to the sealing system. A test and evaluation method was developed that allows to assess the lubricity of different greases and to compare them with each other. The test and evaluation method consists of a test run and a subsequent analysis of the test components. The test run comprises a 24-hour speed collective and is performed on a test rig using real sealing system components. For the evaluation method, eight criteria are analysed, which are rated suitable for evaluating starved lubrication. The criteria include parameters measured during the test run, such as friction torque and temperature, as well as parameters inspected in the subsequent examination of all test components. All criteria are assessed and combined to an overall score, that allows to directly compare different greases with each other. The test and evaluation method developed reveals significant differences between 23 greases examined. Thus, the lubricity... Read More
46. Lubricating Fluid Monitoring System with Radiation-Based Particle Detection and Concentration Analysis
HALLIBURTON ENERGY SERVICES INC, 2021
A system for determining when to change lubricating fluids in machines, comprising a radiation source, a radiation detector, and a processing device. The system monitors the lubricating fluid for the presence of particles, such as metal flakes, by passing radiation through the fluid and analyzing the transmitted radiation. When particles are detected, the system determines their concentration and generates an alert to change the lubricating fluid when the concentration exceeds a predetermined threshold.
47. Lubricating Oil Composition with Fluorescent Compound Exhibiting Degradation-Correlated Emission Intensity Reduction
IDEMITSU KOSAN CO LTD, 2021
A lubricating oil composition for measuring oil degradation, comprising a fluorescent compound that deteriorates in a predetermined relationship with the oil's degradation state. The fluorescent compound emits light in response to electromagnetic radiation, and its fluorescence intensity decreases as the oil degrades. The composition is used in a system that measures the oil's degradation state by detecting the fluorescent compound's emission.
48. Microfluidic Device with Integrated Sensors for Oil Condition Monitoring
RAB MICROFLUIDICS RESEARCH AND DEVELOPMENT COMPANY LITED, 2021
Microfluidic system for monitoring lubricating oil condition, comprising a microfluidic device with at least one microchannel for oil sample passage, and integrated chemical and/or physical sensors for detecting wear, degradation, and contamination indicators in the oil. The system enables real-time analysis of lubricating oil condition, enabling early detection of machinery wear and potential failure.
49. Magnetic Chip Detector System with Modifiable Field and Gap-Induced Current Circulation
PRATT & WHITNEY CANADA CORP, 2021
A magnetic chip detector system for detecting metallic particles in a lubricant flow in an engine, comprising a first and second conductor member separated by a gap, each member having a magnetic field oriented into the lubricant path, with at least one field being actively modifiable. An electrical energy source induces a current circulation across the gap, and a meter measures the response of the gap to the induced current circulation. The system detects the presence of ferromagnetic chips in the lubricant based on the measured response of the circuit.
50. Method for Determining Lubricant Lubricity via Temperature Measurement with Rotating Pin and Vee Block Assembly
SELBY THEODORE W, 2021
A method for determining lubricity of lubricants using temperature measurement. The method involves testing lubricants under controlled conditions of force and motion, measuring the temperature generated by frictional abrasion, and comparing the results to establish a lubricity index. The test apparatus includes a rotating pin and vee block assembly with thermocouples to measure temperature, and a torque measurement system to quantify wear resistance. The method enables precise evaluation of lubricant performance and identification of optimal lubricants for specific applications.
Get Full Report
Access our comprehensive collection of 84 documents related to this technology
