Hydrogen Production through Solar-Powered Electrolysis
Solar-powered electrolysis systems currently achieve hydrogen production rates of 50-70% efficiency, with leading installations producing up to 100 kg/day from a 1 MW solar array. However, these systems face intermittency challenges from variable solar input, voltage matching requirements between PV arrays and electrolyzer stacks, and the need to maintain stable production despite fluctuating power levels.
The fundamental challenge lies in optimizing the interface between variable solar power generation and the constant voltage/current requirements of electrolysis cells while maintaining system efficiency.
This page brings together solutions from recent research—including distributed stack architectures that enhance production flexibility, integrated DC power management systems, thermal control mechanisms, and hybrid approaches incorporating energy storage. These and other approaches focus on achieving stable, efficient hydrogen production in real-world conditions while minimizing system complexity and energy losses.
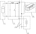
1. Solar-Powered Electrolysis System with Series-Connected Distributed Stacks and Integrated Gas Processing
ERTHOS IP LLC, 2024
Hydrogen production via solar-powered electrolysis using distributed stacks, where multiple electrolysis cells are connected in series to enhance efficiency. The system integrates solar power generation, electrolysis, gas separation, and compression into a single, compact system. By leveraging multiple stacks, the system can achieve higher production rates while maintaining operational capacity. The distributed design enables greater flexibility in system configuration and reduces the number of components required compared to traditional centralized electrolysis systems.
2. Hydrogen Production System Utilizing Solar-Powered Electrolysis with Water Body-Based Solar Panels
MICHAEL J SMITH, 2024
A hydrogen transportation system that leverages solar-powered electrolysis to produce green hydrogen, enabling widespread electrification of transportation and industrial applications. The system utilizes solar panels deployed on water bodies like quarry lakes, gravel pits, and reservoirs to split water into hydrogen and oxygen, with the water vapor then evaporating into the atmosphere. This closed-loop process eliminates the need for water-based hydrogen production, making it an ideal solution for decarbonizing hard-to-abate sectors like steel, cement, and chemicals manufacturing. The system integrates with existing renewable energy infrastructure, particularly solar power, to create a scalable and reliable hydrogen production pathway.
3. Portable Electrolysis System with Photovoltaic-Powered Hydrogen and Oxygen Generation
Harbin Institute of Technology, HARBIN INSTITUTE OF TECHNOLOGY, 2024
Portable electrolysis system for water hydrogen and oxygen production utilizing photovoltaic power generation, enabling efficient and compact hydrogen and oxygen production for various applications.
4. Photovoltaic-Integrated Water Electrolysis System for Hydrogen Production
NATIONAL INSTITUTE OF CLEAN-AND-LOW-CARBON ENERGY, 2024
A hydrogen production system for water electrolysis that integrates with solar energy harvesting to create a closed-loop system for hydrogen production. The system enables the direct conversion of solar energy into electrical power, which is then used to drive the water electrolysis process. The system includes a photovoltaic panel array connected to a water electrolysis unit, where the electrical energy is used to drive the electrolysis process. The system provides an efficient and continuous hydrogen production solution that can be integrated into existing infrastructure, particularly in remote or off-grid locations where grid connection is not feasible.
5. Solar-Powered Water Electrolysis System with Integrated Photovoltaic Panel and Non-Sacrificial Redox Shuttle
COUNCIL OF SCIENTIFIC AND INDUSTRIAL RESEARCH AN INDIAN REGISTERED BODY INCORPORATED UNDER THE REGN OF SOC ACT, 2023
A solar-powered water electrolysis system for hydrogen production that combines a functional photovoltaic panel with a water electrolyzer. The system comprises a solar panel with enhanced efficiency, a water electrolyzer, and a system integrating these components through a non-sacrificial redox shuttle. The system achieves enhanced water splitting efficiency through both solar-driven illumination and photo-catalytic activation of the redox shuttle. The integrated system enables both hydrogen production and oxygen generation with minimal energy consumption and environmental impact.
6. Photovoltaic-Integrated Electrolysis System with Inter-Panel Spacing for Decentralized Hydrogen Production
VINCI CONSTRUCTION GRANDS PROJETS, 2023
Electrolysis of water using photovoltaic power to produce hydrogen, with the added benefit of decarbonizing industrial processes through localized hydrogen production. The system integrates photovoltaic fields with electrolysis units, enabling decentralized hydrogen production while maintaining safety through inter-panel spacing. The approach enables cost-effective hydrogen production through photovoltaic power, with the potential for significant reductions in hydrogen costs through economies of scale.
7. Integrated Photovoltaic and Flow Battery System with Metal Ion Battery for Electrolysis-Driven Hydrogen Production
WOODSIDE ENERGY TECHNOLOGIES PTY LTD, 2023
A solar hydrogen production module integrates photovoltaic cells and a flow battery into a single system for generating hydrogen through electrolysis. The module comprises a rechargeable metal ion battery and a flow battery with a membrane, where the battery and flow battery are connected through electrical connectors. The photovoltaic cells generate DC power, which is then transferred to the battery through the connectors. The flow battery stores electrical energy during daylight periods and supplies it to the battery when needed. The system can produce both hydrogen and oxygen through electrolysis, with the oxygen being vented or processed separately.
8. Integrated Photovoltaic-Electrolysis System with Direct Hydrogen Production and Continuous Gas Separation Mechanism
SHANGHAI QINGMAI ENGINEERING TECH CO LTD, 2023
Direct hydrogen production by photovoltaic power generation through a novel system architecture that eliminates the need for intermediate storage facilities. The system integrates photovoltaic power generation with electrolysis in a single, continuous process. Photovoltaic modules produce DC power, which is then fed into a control system that regulates the flow of DC to the electrolysis cell. The cell's output is then connected to a gas separation system, where oxygen is separated from hydrogen through a pneumatic film regulator or solenoid valve. The separated gases are then directed to the electrolysis cell, where water is split into hydrogen and oxygen. This continuous flow eliminates the need for intermediate storage facilities and reduces energy losses.
9. Photovoltaic-Integrated Electrolysis System with Energy Storage and Thermal Management for Stable Hydrogen Production
SICHUIAN HUANENG FUJIANG HYDROPOWER CO LTD, 2023
Solar electrolysis hydrogen production system that maintains stable hydrogen production under variable sunlight conditions. The system integrates a photovoltaic module with an energy storage component that stores excess energy generated during peak sunlight periods. The energy storage component is controlled to release stored energy during periods of insufficient sunlight, ensuring continuous electrolysis operation while maintaining optimal hydrogen production efficiency. The system also includes a cooling water supply unit to manage electrolysis unit temperature.
10. Hydrogen Production System with Integrated DC Power Management for Water Electrolysis
NTT ANODE ENERGY CORP, 2023
A hydrogen production system that optimizes hydrogen production efficiency by eliminating energy losses during the power conversion process. The system integrates a power generation unit that produces direct current (DC) power using solar energy, a water electrolysis unit that converts DC power into hydrogen, and a power management system that regulates the DC power output. The system controls both the DC power voltage and current levels to maintain optimal conditions for hydrogen production in the electrolysis unit. This enables continuous hydrogen production while minimizing energy losses during the power conversion process.
11. Photovoltaic-Driven Electrolysis System with Conductive Polymer Anode for Low-Voltage Hydrogen Production
UNIV SYDNEY, 2023
A novel process for producing hydrogen gas using photovoltaic energy, enabling direct production through electrolysis at lower voltages compared to traditional methods. The process replaces the conventional oxidation reaction at the anode with a lower-voltage process, enabling the use of photovoltaic cells in electrolytic cells. The system achieves this by replacing the OER at the anode with a process that has a lower required voltage, while maintaining the separation of products. The process utilizes a conductive polymer as a solid anode material, allowing for the direct production of hydrogen gas without the need for further processing.
12. Hydrogen Power Generation System with Integrated Photovoltaic Electrolysis and Gas-Steam Turbine Configuration
LEE KEON WOO, 2023
Hydrogen power generation system that enables efficient and reliable hydrogen production through solar power conversion, followed by use of the produced hydrogen as a fuel for a gas turbine generator. The system comprises a photovoltaic power generation unit, an electrolysis unit, a hydrogen storage unit, a gas turbine generator, and a boiler. The photovoltaic power generation unit converts sunlight into electrical energy, which is then used to drive water electrolysis to produce hydrogen. The hydrogen is stored in a hydrogen storage unit and subsequently used as fuel in the gas turbine generator. The system incorporates a boiler to generate steam from the gas turbine generator's exhaust, which powers a steam turbine to generate electricity.
13. Photovoltaic-Integrated System for Concurrent Electricity and Hydrogen Production with Electrolysis and Fuel Cell Integration
GRAPHIC ERA DEEMED TO BE UNIVERSITY DEHRADUN, 2022
Self-sufficient system using photovoltaic energy to produce both electricity and hydrogen. The system combines solar cells, water electrolysis, fuel cells, and energy storage to create an off-grid power source. The solar cells generate electricity from sunlight. This power is used to electrolyze water to produce hydrogen and oxygen. The hydrogen is stored and can be used in fuel cells to generate electricity. The oxygen is vented. The system allows self-sufficient production of both electricity and hydrogen using just solar energy. It can provide power for remote locations or backup for grid failures.
14. Integrated Photovoltaic-Electrolysis Apparatus with Ion-Exchange Membrane for Hydrogen and Oxygen Co-Production
XIAN JIAOTONG UNIVERSITY, 2022
Photovoltaic-driven step-by-step hydrogen-oxygen-electricity co-production device and method for hydrogen production through water electrolysis. The device integrates photovoltaic power generation with electrolysis processes in a single chamber, enabling continuous production of both hydrogen and oxygen. The system employs an ion-exchange membrane separator to maintain purity while utilizing solar energy to drive the water splitting reaction. The device's fully automatic control system optimizes current density and time cycles to achieve continuous production while minimizing environmental impact.
15. Integrated Solar-Powered Hydrogen Generation and Storage System with Electrolysis and Fuel Cell Components
SIN DAE SEOP, 2022
Solar-hydrogen-based power generation device that produces hydrogen using solar power and electrolysis. The device has a case with a solar panel, water electrolyzer, hydrogen compressor, hydrogen tank, and fuel cell inside. The solar panel generates electricity, which is converted and supplied to the electrolyzer to produce hydrogen by splitting water. The hydrogen is compressed, stored, and then used by the fuel cell to generate power. This allows storing and utilizing solar energy as hydrogen fuel, enabling continuous power generation from solar when sunlight is not available.
16. Hydrogen Production System with Integrated Photovoltaic Electrolysis and Dual Drying Boxes with Desiccant and Cooling Systems
ERDOS REDBUD INNOVATION INSTITUTE, 2022
A novel hydrogen production system that integrates photovoltaic power generation and electrolysis of water to produce clean hydrogen. The system employs a novel hydrogen drying box with integrated desiccant layers and a separate oxygen drying box, both with cooling systems. The system achieves efficient hydrogen production through precise control of water vapor pressure and temperature, while maintaining high purity of the electrolysis process. The system also incorporates advanced circulation control and monitoring systems to optimize production efficiency and safety.
17. Transparent Electrolytic Cell System with Integrated Solar Cell and Reflector for Direct Water Electrolysis
SICHUAN UNIVERSITY, 2022
A system for producing hydrogen through direct electrolysis of water using solar energy. The system comprises a transparent electrolytic cell, a solar cell, a diaphragm, and a reflector. The solar cell generates electron-hole pairs that diffuse through the cell structure, where they undergo oxidation-reduction reactions with water to produce hydrogen and oxygen. The generated hydrogen is collected separately from the oxygen, allowing for the production of hydrogen without the need for external electrolysis systems.
18. Integrated Solar-Powered Hydrogen Production System with Rainwater-Fed Electrolysis and AI-Driven Control
HITIT UENIVERSITESI REKTOERLUEGUE, 2022
A system that enables the production of green hydrogen through solar power generation, water electrolysis, and hydrogen storage. The system integrates PV arrays, rainwater harvesting, and electrolysis units to produce hydrogen from renewable energy, with the electrolysis process utilizing rainwater collected during solar generation. The system incorporates advanced AI-driven monitoring and control to optimize energy production, storage, and distribution.
19. Integrated Solar-Powered Electrolysis System for Hydrogen and Oxygen Generation
KOREA INSTITUTE OF SCIENCE AND TECHNOLOGY, 2021
A solar energy system that converts solar power into electric energy and then converts that electric energy into hydrogen through electrolysis, eliminating the need for external power sources. The system integrates solar panels, a water tank, a water electrolysis reactor, and a hydrogen storage tank. The solar panels generate electricity, which is used to power the water electrolysis reactor, where water is split into hydrogen and oxygen. The generated hydrogen is stored in a high-pressure tank, while the oxygen is collected and stored in a separate tank. The system achieves continuous hydrogen production through the water electrolysis process, utilizing only the solar energy input.
20. Integrated Solar-Powered Proton Exchange Membrane Electrolysis Device with Multi-Channel Solar Collector and Anode Catalyst Coatings
FUSION WELCOME FUEL UNIPESSOAL LDA, 2021
A device for generating hydrogen from concentrated sunlight through direct coupling of solar energy with proton exchange membrane electrolysis. The device integrates a concentrated sunlight collection system with a proton exchange membrane water electrolysis cell, featuring an integrated solar collector with multiple flow channels, a specially designed anode zone with individual catalyst coatings, and a heat exchanger. The system maintains optimal operating conditions through mechanical compression and thermal management.
21. Integrated Solar Photovoltaic and Water Electrolysis System Without DC/DC Converter and MPPT Components
SOUTHERN GREEN GAS LTD, 2021
A solar-powered water electrolysis system that eliminates the need for a DC/DC converter and MPPT while maintaining the required power output. The system incorporates a printed solar photovoltaic (PV) source directly integrated into the electrolysis system, enabling the production of hydrogen through electrolysis of water. The PV source provides the necessary power to drive the electrolysis process, eliminating the need for separate power conversion and tracking components. This integrated approach enables efficient and reliable operation of the electrolysis system, particularly in applications where solar energy is the primary power source.
22. Hydrogen Production System with Integrated Renewable Energy Sources and Electrolysis Components
ANLIKER LUCIA, 2021
A hydrogen production system that integrates multiple renewable energy sources to create a sustainable, on-site hydrogen supply. The system comprises an electrolysis cell, a water treatment system, a hydrogen dryer, a water tank, a hydrogen collection container, a booster pump, a photovoltaic power generator, and a control system. The system utilizes a combination of solar, wind, and hydroelectric power to generate the necessary energy for the electrolysis process, while also providing a reliable water supply for the system.
23. Integrated Photovoltaic-Electrolysis System with Thermal Energy Utilization for Hydrogen Production
JIAYU HYDROGEN ENERGY TECH LIAONING CO LTD, 2021
A system that integrates electrolysis of water with photovoltaic power generation to produce hydrogen while leveraging the thermal energy of photovoltaic panels. The system combines the electrolysis process with the cooling water system of photovoltaic power plants, enabling the production of high-purity hydrogen while utilizing the thermal energy of photovoltaic panels for cooling. This approach addresses the traditional limitations of hydrogen production by electrolysis, which often requires significant energy inputs for cooling. The system enables efficient hydrogen production through the electrolysis of water, with the photovoltaic power plant's cooling system serving as a secondary energy source.
24. Self-Sustaining Hydrogen Production System with Integrated Photovoltaic Cell, Battery, Electrolyzer, and Atmospheric Water Recovery
ACTREE CORP, 2021
A hydrogen production system using sunlight that does not require external power or water supply. The system uses a photovoltaic cell, battery storage, water recovery device, and electrolyzer. During daytime, the solar panel charges the battery and electrolyzer generates hydrogen using the solar power. At night, the battery powers the electrolyzer to continue hydrogen production. The water recovery device extracts moisture from the air to provide the electrolyzer with water. This allows independent hydrogen production using only sunlight and recovered atmospheric water.
25. Solar-Powered Electrolysis Device with Integrated Electrode System for Hydrogen and Oxygen Generation
JING YUN-SHAN, 2021
A device for generating hydrogen and oxygen through solar energy electrolysis, enabling the production of clean energy while minimizing environmental impact. The system comprises a solar cell with integrated positive and negative electrodes, where water is split into hydrogen and oxygen through electrical energy. The generated hydrogen and oxygen are collected in separate containers, enabling scalable production of these clean energy products.
26. Method for Integrating Photovoltaic Modules with Electrolysis Units for Direct Hydrogen Production
Atilla Akyol, 2020
A method for optimizing solar power generation using hydrogen production through electrolysis. The method involves integrating a solar power system with a hydrogen production process that generates hydrogen through electrolysis of water. The system incorporates a photovoltaic module to convert DC power to AC, and an inverter to convert the AC power to DC. The DC power is then fed into a hydrogen production unit that generates hydrogen through electrolysis of water. This integrated system enables the efficient conversion of solar power into hydrogen, eliminating the need for separate electrolysis units.
27. Three-Level Photovoltaic Water Electrolysis System with Integrated Centralized Control and Maximum Power Point Tracking
BEIJING LEIDONG ZHICHUANG TECH CO LTD, 2020
A photovoltaic water electrolysis hydrogen production system and control method that enables high-voltage power generation from photovoltaic sources. The system employs a three-level power supply architecture with a maximum voltage of 1500V, where each level is connected in parallel to provide higher voltage levels. The system integrates a photovoltaic power generation unit, an electrolyzer, monitoring and control components, and a hydrogen purification unit, all controlled by a single central control unit. The control system utilizes maximum power point tracking (MPPT) for photovoltaic power generation optimization, and advanced current control for electrolyzer operation. The system includes monitoring for hydrogen leakage and ambient conditions.
28. Integrated Solar-Powered Hydrogen Production System with Battery Storage and DC Boost Electrolysis
Zhuhai Hengqin Boxin Energy Construction Co., Ltd., ZHUHAI HENGQIN BOXIN ENERGY CONSTRUCTION CO LTD, 2020
A system for producing hydrogen from solar energy that overcomes conventional limitations by integrating solar power generation, battery energy storage, and hydrogen production. The system comprises a solar power generation system, a battery pack, a DC boost unit, a DC bus, and a DC gas reaction electrolysis hydrogen production device. The solar power generation system converts photovoltaic energy into direct current, which is then boosted by the DC boost unit and transmitted to the battery pack through the DC bus. The battery pack stores the DC power for later use, while the DC boost unit enables efficient DC power transmission. The DC gas reaction electrolysis hydrogen production device generates hydrogen from the stored DC power through electrolysis. This integrated system enables the production of hydrogen from solar energy while leveraging existing infrastructure and reducing the complexity and cost associated with conventional hydrogen production methods.
29. Solar-Driven Electrolysis System with Series-Connected Solar Panels and Continuous DC Current for Hydrogen Production
SAVADOGO OUMAROU, 2020
Solar-driven electrolysis for hydrogen production through continuous DC current application, enabling efficient and sustainable hydrogen reduction. The system comprises a solar panel array connected in series to an electrolysis cell, where direct current is converted to an electrolysis current. The electrolysis process occurs in an aqueous medium, either acidic or alkaline, allowing continuous operation.
30. Solar and Hydrogen Energy Integrated System with Photovoltaic Generation and Electrolysis-Based Hydrogen Storage
HYUNDAI MOTOR CO, 2020
A solar and hydrogen energy combined power conversion system that improves energy efficiency in an environmentally friendly and efficient manner through photovoltaic power generation and hydrogen production and storage through reforming. The system uses a solar panel to generate electricity which can be used to produce hydrogen through electrolysis. The hydrogen is then stored and can be used to generate electricity when needed. This allows maximizing the use of solar power by converting excess solar electricity to hydrogen during the day and using it as backup power at night or when solar production is low. The system also has controls to optimize hydrogen production based on solar availability and storage levels.
31. Integrated Photovoltaic and Electrolysis System for Hydrogen Production with DC Power Transmission
ZHUHAI HENGQIN BOXIN ENERGY CONSTRUCTION CO LTD, 2020
A system for producing hydrogen from solar energy that integrates photovoltaic power generation with hydrogen production. The system employs a high-efficiency solar power generation system, a battery pack, a DC boost unit, a DC bus, and a DC gas reaction electrolysis device to generate direct current power. This DC power is then transmitted to a storage battery pack, where it is stored. The storage battery pack serves as the primary source of hydrogen production through gas reaction electrolysis. This direct conversion of solar energy into hydrogen enables efficient energy storage and distribution, offering a new approach for renewable energy applications.
32. Integrated Hydrogen Production and Distribution System with Photovoltaic-Driven Water Electrolysis and Variable Output Control
TOKO TAKATAKE CO LTD, 2020
A hydrogen supply system and method that enables efficient production and distribution of hydrogen from renewable energy sources. The system integrates photovoltaic power generation, water electrolysis, and hydrogen storage through a single water electrolysis device. The system maintains stable power transmission by controlling the water electrolysis output based on renewable energy generation capacity, ensuring sufficient hydrogen supply even during peak power fluctuations. The system also enables precise control over hydrogen quality and quantity through adjustable water content, enabling efficient use in applications like fuel cells, boilers, and industrial processes.
33. Continuous Hydrogen Production System with Dual-Stage Solar-Heated Catalytic Reactor and Molten Salt Thermal Energy Storage
NANT HOLDINGS IP LLC, 2020
A system for continuous hydrogen production through solar energy utilization during both day and night periods. The system employs a dual-stage process: daytime production in a solar-heated catalytic reactor, and nighttime production from stored thermal energy in a molten salt thermal energy storage system. The dual-stage approach enables continuous hydrogen production without the need for heating the reactor during nighttime operation.
34. Photovoltaic Electrolysis Device with Concentrated Sunlight Integration for Enhanced Hydrogen Production
SICHUAN UNIVERSITY OF SCIENCE & ENGINEERING, Sichuan University of Science and Engineering, 2019
Photovoltaic electrolysis water hydrogen production device that utilizes concentrated sunlight to enhance the efficiency of water electrolysis. The device employs a photovoltaic concentrator to focus sunlight onto the electrolysis process, significantly increasing the energy input from solar power. This concentrated sunlight enables more efficient water electrolysis, resulting in higher hydrogen production rates compared to conventional systems. The device maintains a stable operating temperature and maintains the water electrolysis process at optimal conditions for hydrogen production.
35. Integrated Photovoltaic-Electrolysis System with Daylighting-Mounted Photovoltaic Component and Hydrogen Production Reactor
SICHUAN UNIVERSITY OF SCIENCE & ENGINEERING, Sichuan University of Science and Engineering, 2019
Photovoltaic hydrogen production device that integrates solar power generation with electrolysis to produce high-density hydrogen. The system comprises a photovoltaic component mounted on a daylighting system, a control system, and a hydrogen production reactor. The photovoltaic component converts sunlight into electrical energy, while the control system optimizes energy conversion to generate hydrogen through electrolysis. The system integrates photovoltaic power generation with electrolysis for a continuous and efficient hydrogen production process.
36. Solar Water Electrolysis System with Real-Time Controlled Switching Elements for Variable Solar Input Integration
NANTONG ANSIZHUO NEW ENERGY CO LTD, Nantong Ansizhuo New Energy Co., Ltd., 2019
A solar water electrolysis system that optimizes energy conversion through advanced control and integration of solar power. The system comprises a solar power array connected to a water electrolysis unit, where the solar power is used to generate hydrogen through electrolysis. The system incorporates multiple switching elements between the solar array and the electrolysis unit, enabling the electrolysis process to be controlled in real-time based on solar input variability. This enables enhanced energy utilization efficiency compared to traditional electrolysis systems, particularly in intermittent solar power generation environments.
37. Solar-Powered Hydrogen Production Facility with Multi-Mode Electrolytic Cell and Integrated Power Generation Unit
SHINKO ENVIRONMENTAL SOLUTION CO LTD, 2018
Hydrogen gas production facility using solar power for electrolysis, where the facility operates in multiple modes to optimize renewable energy utilization. The facility employs a hydrogen gas generator with an integrated power generation unit, featuring an electrolytic cell that electrolyzes water to produce hydrogen gas. The facility employs a power generation unit with a solar panel and an electrolytic cell that electrolyzes water to produce hydrogen gas. The facility operates in three distinct modes: normal operation, standby mode, and preparation mode, with each mode optimizing renewable energy utilization through power generation and water circulation.
38. Solar Water Electrolysis System with Series-Connected Bipolar Plates and Advanced Power Management
NANTONG ANSIZHUO NEW ENERGY CO LTD, 2018
A solar water electrolysis system for hydrogen production that optimizes energy conversion efficiency through advanced power management. The system employs multiple solar panels connected in series to generate a stable and predictable power output, while a sophisticated control system manages the flow of power between the solar array and the water electrolysis unit. The system incorporates a unique configuration of bipolar and unipolar plates in the electrolysis cell, where the bipolar plates are connected in series to form an anode and cathode, while the unipolar plates serve as the electrodes. This configuration enables the electrolysis process to operate at higher efficiency while maintaining stable power output. The system also includes a gas/liquid separation and drying purification system, a lye circulation system, and a hydrogen storage tank.
39. Membrane-Based Electrolysis System for Direct Solar-Driven Hydrogen Production from Atmospheric Water Vapor
UNIVERSITY OF LOUISVILLE RESEARCH FOUNDATION INC, 2017
Direct solar-driven hydrogen production through electrolysis, enabling reliable and continuous fuel supply from ambient humidity sources like seawater vapor. The process employs atmospheric water vapor as a feedstock, utilizing a membrane-based electrolysis system that operates under controlled humidity conditions. The system produces ultra-pure hydrogen gas through electrolysis, eliminating the need for freshwater purification and deionization. The process achieves high current densities and stable operation, with potential applications in remote energy generation and off-grid applications.
40. Hydrogen Production System with Dual Electrolysis Methods Using Fixed and Variable Power Segmentation
KABUSHIKI KAISHA TOSHIBA, 2017
A hydrogen production system that enables efficient electrolysis using renewable energy while maintaining device performance. The system divides renewable energy into fixed and variable power components, with the fixed power components being electrolyzed using a reliable electrolysis method like alkaline or solid oxide electrolysis, while the variable power components are electrolyzed using a more flexible method like solid polymer electrolysis. This approach enables stable operation of both electrolysis devices despite fluctuating renewable energy output, while maintaining the required performance characteristics of each electrolysis method.
41. Hybrid Power System with Direct Coupling of Photovoltaic and Battery-Electrolyzer Cells
TECHNISCHE UNIVERSITEIT DELFT, 2017
A hybrid power system that integrates solar energy generation with advanced battery-electrolyzer technology. The system optimizes energy conversion between solar power and chemical energy storage through direct coupling of photovoltaic cells with battery-electrolyzer cells. The system enables precise control over energy conversion based on solar irradiance, allowing both electrical energy generation and chemical hydrogen production. The system can operate in both charging and discharging modes, enabling flexible energy management and storage.
42. Solar-Powered Electrolysis System with Integrated Steam Turbine and Heat Source for Hydrogen and Oxygen Generation
SABIC GLOBAL TECHNOLOGIES BV, 2016
Solar-powered system for generating hydrogen and oxygen from water through electrolysis, utilizing a solar-powered turbine unit to drive the electrolysis process. The system integrates a steam turbine with a solar-powered heat source, enabling continuous operation without fossil fuel-based electricity generation. The turbine-driven steam drives the electrolysis unit, while the solar-powered heat source provides additional energy. The system produces both hydrogen and oxygen as separate streams, with the oxygen stream being enriched with air. The system achieves carbon-neutral operation through the electrolysis process itself.
43. Electrochemical Cell Stack with Tubular Bipolar Membrane and Embedded Electrode for Hydrogen Production
UNIV DELFT TECH, 2016
A system for producing chemical fuels through electrolysis of water, specifically hydrogen, using a bipolar membrane-based electrochemical cell (EC) stack. The system integrates a bipolar membrane with an embedded electrode in a tubular configuration, enabling efficient production of hydrogen while minimizing losses and improving selectivity. The bipolar membrane provides a physical barrier between the electrodes and the electrolyte, while the embedded electrode enables direct proton transfer. The system can operate in both aqueous and gaseous phases, with the membrane maintaining stability under conditions that prevent membrane corrosion. The system can be powered by solar energy through photovoltaic cells integrated into the stack.
44. Concentrating Solar Hydrogen Conversion Device with Series-Connected Photovoltaic and Electrolytic Modules
SHENZHEN ANGTEER SOLAR ENERGY INVESTMENT CO LTD, 2016
A high-power concentrating solar hydrogen conversion device that combines photovoltaic power generation with electrolytic hydrogen production. The device employs a novel configuration where concentrated solar power modules are connected in series to achieve higher power output, while the output is then connected to a polymer electrolyte cell module. This configuration enables the simultaneous generation of both electrical power and chemical hydrogen, with the power output from the concentrated solar modules serving as the input to the electrolytic cell. The device features advanced power control capabilities that enable precise optimization of the concentration series connection to maximize power output.
45. Modular Solar-Powered Hydrogen Production System with Integrated J-FET Transistor-Based Amplifier and Pressure Regulation
Zhang Wanjun, WANJUN ZHANG, 2016
A solar-powered hydrogen production control system that integrates solar energy into hydrogen production through electrolysis. The system employs a modular architecture with solar panels, a power controller, batteries, and an electrolysis unit, enabling efficient and reliable hydrogen generation. The system features a hydrogen measuring apparatus with advanced detection capabilities, including a J-FET transistor-based amplifier with surge protection, and a pressure regulator with 5kΩ resistance. The system's design ensures precise control of the electrolysis process, with features like automatic voltage regulation and current limiting.
46. Integrated Renewable Energy and Electrolysis System for Continuous Hydrogen Production
HYENTEC GMBH, 2016
A process for environmentally friendly hydrogen production that combines renewable energy sources with electrolysis. The method integrates combustion and photovoltaic power generation into a single system, utilizing both energy streams to drive the electrolysis process. This approach enables continuous hydrogen production while minimizing the need for separate energy storage and transportation infrastructure. The system can harness renewable energy from wind, solar, or biomass, and utilize waste materials like tire incineration as a source of energy. The continuous operation ensures a reliable hydrogen supply, while the integrated approach eliminates the need for separate storage and transportation systems.
47. Integrated Solar-Powered Hydrogen Production System with Combined Electrolysis and Storage Components
WANJUN ZHANG, Zhang Wanjun, 2016
Solar-powered hydrogen production system using a compact, discrete combination of solar panels, controllers, batteries, rectifier circuits, electrolysis devices, and storage units. The system integrates solar power generation, water electrolysis, and hydrogen production into a single, efficient device. The system's innovative design eliminates the need for separate components like membrane electrolysis tanks and high-pressure pumps, making it a simplified solution for solar water electrolysis applications.
48. Solar-Powered Water Electrolysis System with Integrated Rare Earth Sintered Titanium Anode and Air Supply Line
China Decoration Engineering Information Consulting Co., Ltd., ZHONGZHUANG ENGINEERING INFORMATION CONSULTING CO LTD, 2015
A solar-powered system for hydrogen and oxygen production through water electrolysis, utilizing a novel integrated design. The system comprises a solar energy collection module, a water electrolysis unit, and an air supply system. The solar module is connected to an electrolysis cell, which is positioned in a tank with a water surface below the air supply line. The electrolysis cell contains an anode made of rare earth sintered titanium, while the air supply line delivers oxygen. The system is controlled by an energy conversion module that regulates the electrolysis process. The system provides a continuous flow of hydrogen and oxygen while utilizing solar energy for power generation, making it an efficient and sustainable solution for hydrogen production.
49. Electrolysis Cell Assembly with Series-Connected Photoelectric Conversion Units for Integrated Power Generation
UNIV TOKYO, 2015
Electrolysis system for water decomposition that utilizes photoelectric conversion elements to generate power. The system comprises an electrolysis cell with a photoelectric conversion unit at each end, where the conversion unit receives light and generates electric power. The conversion units are connected in series to provide a continuous power source. The electrolyte cells are connected in series to the conversion units, with the conversion units positioned on the side of the electrolyte cells. This configuration enables a single system to generate power from light while providing a continuous flow of hydrogen and oxygen.
50. Photovoltaic Module with Integrated Electrolysis Cell and Water Circulation System
BADINI ANGELO, 2015
Photovoltaic module for hydrogen production through electrolysis, featuring integrated electrolysis and water circulation systems. The module comprises an integrated electrolysis cell within a photovoltaic panel, where water is continuously circulated through the cell to facilitate electrolysis. The circulation system includes a pump and control unit that manage water flow, maintaining optimal electrolyte levels and preventing overfilling. The module's design enables efficient electrolysis while minimizing water usage and system complexity compared to traditional electrolysis systems.
Get Full Report
Access our comprehensive collection of 50 documents related to this technology
