Potential Induced Degradation Detection in Solar Cells
Potential Induced Degradation (PID) in solar cells can reduce power output by up to 30% within the first few years of operation, particularly affecting modules at the negative end of high-voltage strings. Current detection methods often identify PID only after significant performance loss has occurred, with conventional monitoring systems typically detecting changes only when power reduction exceeds 15-20%.
The fundamental challenge lies in developing detection methods that can identify PID in its earliest stages while maintaining the continuous operation of large-scale solar installations.
This page brings together solutions from recent research—including low-current shunt resistance measurements, string-level voltage deviation analysis, AC impedance-based monitoring, and cumulative resistance tracking systems. These and other approaches focus on early detection and localization of degradation before significant power losses occur, enabling targeted maintenance interventions in utility-scale installations.
1. Photovoltaic Cell Characterization with Intermittent Reverse Bias Voltage Application
NATIONAL RESEARCH COUNCIL OF CANADA, 2024
Reducing photovoltaic cell degradation through controlled reverse bias voltage application during current-voltage sweeps. The method involves intermittently applying reverse bias voltage to solar cells during J-V characterization to prevent charge carrier trapping and maintain device performance. The application of reverse bias voltage during sweeps slows down degradation by de-trapping charge carriers, particularly in polymer-based solar cells like PCDTBT:PC70BM, where photo-induced defects lead to significant degradation. This approach enables the development of photovoltaic cells with improved durability and efficiency compared to conventional methods.
2. Solar Module Diagnostics with Integrated Power Data Analysis and Aging Value Calculation
KOREA PHOTONICS TECH INST, 2023
Solar module aging diagnosis system and method for monitoring and predicting module failure and degradation through power generation data analysis. The system integrates power generation data from multiple modules across a solar array, comparing it against predefined threshold values and aging patterns to calculate an aging value for each module. This aging value is then compared against a reference value to determine module failure or degradation. The system enables proactive maintenance by providing early warnings of potential issues through both threshold-based and aging-based diagnostics.
3. Solar Cell Abnormality Detection System Utilizing Periodic Voltage Variation Analysis
PANASONIC IP MANAGEMENT CO LTD, 2023
Low-cost, high-accuracy system for detecting abnormalities in solar cells like decreased power generation and hot spots. The system periodically acquires the operating voltage of a solar cell string. If the time-series variation in voltage exceeds a threshold, it indicates an abnormality in the cell string. This allows detecting cell issues without additional environmental sensors.
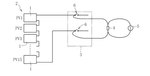
4. Method for Detecting Partial Degradation in Solar Cells Using AC Impedance-Based Parallel Resistance Model
TOKYO GAS CO LTD, 2022
A method for detecting potential degradation in solar cells through early detection of partial degradation (PD) in the solar cell's internal resistance network. The method employs a parallel resistance model of the solar cell, which is generated from measurements of the cell's AC impedance. By analyzing the model's response to partial degradation, the method identifies changes in the parallel resistance that indicate degradation. This approach enables earlier detection of PD compared to traditional methods that rely on full degradation thresholds.
5. Sequential Segmented Testing Method for Photovoltaic Cell Characteristic Curve Measurement
HELIATEK GMBH, 2022
Method for testing photovoltaic cells to determine their power and failure rates. The method involves dividing the cells into segments and measuring the characteristic curves of each segment sequentially while illuminating them one at a time. The segment curves are added to determine the overall cell curve. This allows accurate testing of long cells that cannot be uniformly illuminated by conventional equipment. The segments are moved relative to the lighting device to measure them sequentially. The segments can be divided based on the area illuminated by the testing device.
6. Solar Cell String Diagnosis System with Cumulative Resistance Measurement for Deterioration Localization
MITSUBISHI ELECTRIC CORP, 2022
A deterioration diagnosis system for solar cell strings and photovoltaic power systems that enables precise location of deteriorated solar cells within the string. The system measures the cumulative resistance of each solar cell in the string over time, calculating a normalized resistance value for each cell. By comparing the resistance values to a predetermined threshold, the system identifies cells that have exceeded this threshold, indicating deterioration. This approach eliminates the need for manual inspection of individual solar cells, significantly reducing maintenance time and labor costs.
7. Photovoltaic Module Aging Diagnosis System with Voltage Characteristic Analysis and Anomaly Detection
DAEEUN CO LTD, 2022
A photovoltaic aging diagnosis system that accurately diagnoses the degree of deterioration of solar modules by analyzing their voltage characteristics. The system measures the average voltage value for each module over a period, calculates the average change rate of the average voltage value over that period, and calculates the average value between modules in the same string. It then compares these values against reference values to detect abnormal voltage deviations. The system enables rapid diagnosis of module failures even before the degradation calculation is performed, through its ability to identify voltage anomalies that exceed reference values.
8. Photovoltaic Sensor with Low-Current Shunt Resistance Measurement for Potential Induced Degradation Detection
UNIV OF CYPRUS, 2021
A photovoltaic (PV) sensor for early detection of potential induced degradation (PID) in PV systems. The sensor is specifically designed to monitor PV modules at the negative voltage end of a string, where degradation is most pronounced. The sensor operates with low power currents (typically below 10 mA) and measures shunt resistance within the PV module. It isolates the PV module during interrogation to maintain system integrity. The sensor provides real-time monitoring of shunt resistance and PV module power loss, enabling early detection of PID before significant degradation occurs.
9. Photovoltaic Module Degradation Detection via String-Level Voltage Deviation Analysis
CHUNGBUK TECHNOPARK, 2021
Real-time monitoring of photovoltaic module degradation through intelligent string-level analysis. The system measures voltage across each string and calculates daily average voltage deviations between strings. By comparing these deviations to reference values, it identifies significant voltage drops indicative of module degradation. The system provides detailed degradation metrics, enabling proactive maintenance and optimizing system performance through targeted monitoring and replacement.
10. Solar Cell String Deterioration Detection via Real-Time Current Measurement and Reference Ratio Comparison
MIRAIT CORP, 2021
Detecting solar cell string deterioration through a novel method that leverages real-time current measurements and reference ratios. The system monitors current values across multiple strings while storing reference ratios for each string. When current values deviate below predetermined thresholds, it compares them against the stored reference ratios. If the current ratio is consistently lower than the reference ratio, it indicates cluster deterioration, triggering early detection of the affected string. This approach enables accurate identification of solar cell modules or clusters with deteriorated components, enabling proactive maintenance and reducing overall system losses.
11. Method for Detecting Deterioration in Solar Cell Strings via Threshold-Based Current Comparison Over Time Intervals
MIRAIT CORP, 2021
Method for detecting solar cell string deterioration in photovoltaic power systems. The method compares the current output of each solar cell string against a reference current level, and uses a threshold-based approach to identify potential string failures. The comparison is performed over predetermined time intervals, with the threshold being set based on the reference current level. If the current output consistently falls below the reference level, it indicates deterioration, and the method determines if the entire string is affected. This approach enables early detection of solar cell string failures through continuous monitoring rather than relying on a single measurement point.
12. Solar Cell with Integrated Sensors for Dynamic Monitoring of Back Electric Field and Electrode Contact Area
Yancheng Artes GCL Sunshine Power Technology Co., Ltd., Suzhou Canadian Solar Power Technology Co., Ltd., SUZHOU CSI SOLAR TECHNOLOGIES CO LTD, 2020
Solar cell with integrated monitoring of contact area between the back electric field and the back electrode. The cell incorporates a novel design where the back field and electrode contact area are dynamically monitored through integrated sensors within the cell structure. This enables real-time detection of contact area changes, enabling proactive maintenance and optimization of solar cell performance.
13. Optical Spectroscopic Imaging for Non-Destructive Detection of Photovoltaic Cell Defects
QINGHAI HUANGHE HYDROPOWER DEVELOPMENT CO LTD, 2020
Sensitive detection of solar cell defects through non-destructive analysis of photovoltaic cells. The method employs a novel optical spectroscopic technique that utilizes advanced spectroscopic imaging and machine learning algorithms to detect subtle defects in solar cells. This approach enables the detection of deep-level defects such as voids, grain boundaries, and dislocations that are challenging to identify through traditional EL methods. The technique leverages advanced spectroscopic imaging and machine learning algorithms to analyze the optical signatures of solar cells, providing detailed insights into their internal structure and defects.
14. Photovoltaic Module Fault Detection via Power Data Analysis Using Secondary Derivative Technique
BUKYUNG CO LTD, 2020
Determining the presence of aging photovoltaic module faults in a solar string system without installing individual voltage or current sensors. The method analyzes power data from the connected modules to detect abnormal power variations, specifically identifying deviations from the normal power-voltage characteristic curve. The analysis is based on a secondary derivative of the power output, which captures the aging-induced power waveform characteristics. By comparing the power output against predetermined thresholds, the system determines whether a module has reached an abnormal state.
15. Method for In-Situ Detection of Solar Cell Module Deterioration Using IV Curve Analysis in Bypass Diode Operating Region
OTOWA ELECTRIC INDUSTRY CO LTD, 2020
A method for detecting solar cell module deterioration in solar power systems while maintaining the module's electrical connection. The method measures the IV characteristics of the solar cell string under controlled lighting conditions, specifically during the operating region of the bypass diode. By analyzing the IV curve in this region, the method determines the solar cell module's deterioration status without disconnecting the module from the string. The method uses a novel approach that identifies clusters of modules as a single unit, with each cluster's IV characteristics measured separately. This approach enables efficient monitoring of multiple modules simultaneously while maintaining the module's electrical integrity.
16. Device and Method for Solar Cell Module Diagnostics Using Impedance and Phase Angle Spectral Analysis
HITACHI POWER SOLUTIONS CO LTD, 2019
Diagnostic method and device for solar cell modules that enables precise monitoring of deterioration through impedance and phase angle analysis. The method employs a novel approach where the solar cell module is subjected to AC signal modulation at specific frequencies, generating a spectrum of impedance and phase angle values. By analyzing these spectral characteristics, the device calculates the equivalent circuit parameters in the light-shielded state, enabling the detection of deterioration through changes in capacitance values at specific frequency ranges. This approach provides a comprehensive diagnostic capability that can be applied across the module's lifespan, particularly when visual inspection methods are impractical or unavailable.
17. Method for Analyzing Series-Connected Solar Cell Arrays via Array-Level IV Curve Threshold Voltage Detection
MIRAIT CORP, 2019
Determining the functional deterioration of solar cells in series-connected arrays through a novel method that analyzes the IV characteristics of the entire array rather than individual components. The method measures the IV curve of the array at multiple voltage levels, determining the threshold voltage where the IV curve shifts from the normal operating range to the cutoff range. This threshold voltage is then compared against the IV curve of individual solar cells to identify potential failures. The method enables the simultaneous monitoring of multiple solar cells in series, enabling early detection of array-level failures without disconnecting the array.
18. Solar Cell Module Diagnostic System with Selective Light-Shielding for Electrical Characteristic Monitoring
FUJI ELECTRIC CO LTD, 2019
Solar cell module diagnostic system for detecting defects in photovoltaic power generation systems through early detection of partial failures. The system employs a light-shielding device that selectively blocks light from specific solar cell substrates, allowing monitoring of the underlying electrical characteristics. By analyzing the light current waveform patterns during the light-shielding operation, the system identifies deviations indicative of potential defects, such as contamination or structural damage. This approach enables early detection of partial failures before their cumulative impact causes system performance degradation, while maintaining the system's operational efficiency.
19. Solar Cell String Defect Detection via Single AC Signal and Impedance Variation Analysis
OMRON CORP, 2018
Determining the number of defects in a solar cell string using a single AC inspection signal application. The method measures index values that vary with the number of modules between the inspection terminals and positions of defects. When the index values deviate from a reference value for a string with no defects, the inspection detects defects in multiple positions. This approach enables rapid detection of multiple defects in a solar cell string by analyzing the impedance variations between terminals and positions of defects.
20. Method for Electrode Resistance Pattern Analysis in MWT Solar Cells for Defect Detection
NANJING SUNPORT POWER CO., LTD., 2018
Rapid detection of MWT solar cell defects through analysis of electrode resistance patterns. The method measures the resistance between electrode points on a Lithium T solar cell to identify defects such as poor contact between positive silver and back contact paste, or between back silver and aluminum field. This approach enables rapid defect detection in the manufacturing process, enabling timely replacement of defective cells before they impact photovoltaic module performance.
21. Photovoltaic Inspection System with Dual-Measurement for Simultaneous Current Analysis in Solar Cell Modules
HITACHI SYSTEMS CO LTD, 2018
Photovoltaic power generation inspection system for detecting solar cell module failures in solar power systems. The system employs a dual-measurement approach where output currents from both a reference string and failure string are measured simultaneously. The reference string is positioned closer to the solar panels than the failure string to minimize environmental variations. The system uses the reference string's output currents as a reference point to estimate failure clusters in the failure string, enabling accurate fault detection and diagnosis.
22. Photovoltaic Defect Detection Circuit with Multi-Stage Thyristor and Zener Diode Configuration
NATIONAL INSTITUTE OF ADVANCED INDUSTRIAL SCIENCE AND TECHNOLOGY, 2017
Defect detection circuit for photovoltaic power generation systems that enables automated identification of defective solar cells through a novel multi-stage approach. The circuit employs a series of thyristor-based short-circuit detection and current monitoring elements. Each stage uses a Zener diode-based gate circuit to selectively ignite thyristors connected to the solar cells, while a variable load circuit regulates current flow between the output terminals. This configuration enables the detection of short circuits across multiple solar cells simultaneously, with the detection circuit providing detailed information on current flow through each circuit. The circuit also includes a reset circuit that short-circuits between output terminals to prevent false positives, allowing for automated identification of defective solar cells.
23. Solar Panel Failure Diagnosis System with Voltage Monitoring and Comparative Analysis for Fault Detection
TAIYO YUDEN CO LTD, 2017
A failure diagnosis system for solar panels that enables precise detection of module faults through voltage monitoring. The system monitors the generated voltage of a specific solar cell in a string and compares the voltage changes when the cell is shielded versus when it is active. When the voltage changes are significantly different, indicating a fault, the system determines the faulty module. This approach eliminates the need for extensive labor-intensive module inspection, particularly for large-scale solar farms where multiple modules must be inspected individually.
24. Solar Cell Module Impedance Analysis System with Frequency-Variable Measurement for Equivalent Circuit Constant Determination
MITSUBISHI ELECTRIC CORP, 2017
Diagnosing the state of solar cell modules through impedance analysis. The method measures the module's impedance characteristics during periods when it's not generating power, using a frequency-variable impedance measuring device. By analyzing the impedance response, the diagnostic system determines the equivalent circuit constant of the module, which is then used to calculate the module's state of health. This approach provides a quantitative assessment of the module's condition beyond traditional power generation monitoring.
25. Voltage-Based Diagnostic Method for Identifying Potential-Induced Degradation in Solar Cell Modules
KOREA ENERGY RESEARCH INST, 2017
Method for diagnosing solar cell modules with potential-induced degradation (PID) through voltage-based analysis. The method compares the voltage output of solar cells connected in series to an inverter, specifically targeting modules where voltage levels deviate significantly from normal operation. By measuring the voltage under dark conditions (residual voltage measurement step), modules with abnormal voltage characteristics are identified. A secondary module with normal voltage characteristics is then connected to a recovery system for reverse voltage application. If the secondary module recovers to normal operation, it indicates a PID module. This method enables remote detection of PID without visual inspection, as the recovery process can be performed independently.
26. Solar Cell Defect Detection via Correlation Analysis of Electrical Measurements
INVENTEC SOLAR ENERGY CORP, 2017
Method for detecting solar cell defects through correlation analysis of electrical measurements. The method identifies regions of high defect occurrence within solar cells and calculates the correlation between these regions and the cell's electrical properties. By analyzing the correlation between the defect-prone regions and the cell's electrical characteristics, the method determines whether a solar cell is defective. This approach eliminates the need for additional equipment, as it only requires analyzing the entire cell area or specific regions.
27. Method for Detecting Solar Cell Defects via Current Flow Monitoring in Controlled Discharge Sequence
Canadian Solar (China) Investment Limited, Changshu Canadian Solar Power Technology Co., Ltd., CHANGSHU CSI ADVANCED SOLAR INC, 2017
A method for detecting solar cells in solar modules by monitoring current flow through individual battery cells during a controlled discharge sequence. The method integrates current measurement devices at both battery terminals, allowing simultaneous measurement of current through each cell during the discharge process. By comparing the measured currents, the method identifies abnormal current patterns indicative of defective cells. This approach enables rapid detection of solar cells with internal faults, particularly in modules with complex battery configurations, compared to conventional IV testing methods.
28. Photovoltaic Cell PID Detection via Non-Invasive Current Sensing with Ion Shift Monitoring
ARTES INVEST CO LTD, 2017
Detecting potential induced degradation (PID) in photovoltaic cells through a novel, rapid, and non-invasive method. The method employs a current sensing device to monitor the electrical characteristics of the photovoltaic cell sheet. When the cell is blocked, the device detects the changes in current flow patterns, indicating potential degradation due to ion shifts. This approach eliminates the need for traditional EL testing and provides a faster, more accurate method for detecting PID in PV modules.
29. Modular Diagnostic System for Solar Cells with Automated Current Characteristic Monitoring and Pattern Recognition Analysis
FUJI ELECTRIC CO LTD, 2016
Diagnostic system for solar cells in photovoltaic power generation systems that enables early detection of module defects through automated monitoring of current characteristics. The system employs a modular architecture where current measurements are taken across the entire solar cell array, with specific current measurements taken at predefined intervals. This current data is then used to determine module health through pattern recognition algorithms that identify deviations from normal current behavior indicative of defects.
30. Portable Device for Non-Invasive Detection of Bypass Circuit Faults in Photovoltaic Systems Using AC Voltage Boosting
TEKKUSU:KK, 2016
Portable solar cell failure detection device for photovoltaic power generation systems that enables rapid, non-invasive inspection of bypass circuit faults. The device incorporates an AC power source that boosts the solar cell's output voltage, enabling voltage measurement at the end of the string. By comparing the voltage at the end of the string with predetermined thresholds based on the number of bypass stages, the device detects bypass circuit failures. This approach eliminates the need for direct visual inspection and reduces the risk of damage during the inspection process. The device can be powered by a dry battery or storage system, making it suitable for remote monitoring of large-scale photovoltaic power plants.
31. Photovoltaic Device with Continuous Bypass Diode Current Monitoring for Hot Spot Detection
TOSHIBA CORP, 2016
A photovoltaic power generation device that detects hot spot phenomena in solar cell modules through continuous monitoring of bypass diodes. The device detects hot spots by continuously measuring the current through bypass diodes in the solar cell module. When a bypass diode continuously conducts current, it indicates a hot spot, which can lead to thermal damage in the solar cells. The device enables rapid detection and intervention to prevent damage through real-time monitoring of bypass diodes.
32. Solar Panel Failure Detection System Using Continuous Power Output Monitoring
TOSHIBA CORP, 2016
Early failure detection system for solar panels that eliminates the need for traditional thermal monitoring methods. The system detects solar panel failures by continuously monitoring the generated power output from the panel, rather than relying on temperature-based indicators. This approach eliminates the risk of thermal damage from exposure to wind and rain, while maintaining reliability for monitoring panel performance.
33. Photovoltaic System Degradation Detection via Real-Time Current-Voltage Curve Analysis with Self-Learning Algorithm
BOSCH GMBH ROBERT, 2016
Detecting degradation in photovoltaic systems through real-time monitoring of current-voltage curves. The method employs a self-learning algorithm that compares measured current-voltage data with a reference fill factor curve to identify deviations from the expected behavior. This enables the detection of degradation without requiring additional radiation measurements or temperature data. The algorithm continuously monitors system fill factor and alerts when deviations exceed predetermined thresholds, enabling proactive maintenance and ensuring optimal performance from the photovoltaic system.
34. Method and Apparatus for Electrical Characterization of Solar Panels Using Electroluminescence Analysis
FUTECH, 2016
Method and apparatus for detecting, regenerating, and preventing defects in solar panels through electrical characterization. The method measures the electrical performance of solar panels using advanced diagnostic techniques, particularly through the analysis of electroluminescence. By applying specific electrical voltages to the solar panels and monitoring the resulting current patterns, defects such as hotspots, snail trails, and delamination can be identified. The method enables regeneration of damaged solar panels by applying controlled electrical voltages, restoring their original performance characteristics. The diagnostic capabilities enable comprehensive defect detection, regeneration, and monitoring of solar panel performance, enabling efficient maintenance and replacement of damaged panels.
35. Method for Electrical Stimulation of Degraded Solar Cells Using Controlled Voltage Pulses
WISCONSIN ALUMNI RES FOUND, 2016
Recovering efficiency from degraded solar cells through controlled electrical stimulation. The method employs a controlled voltage pulse application across the solar cell, with the pulse applied at the cell's operating voltage. By injecting electrons into the electrolyte during the pulse, it redistributes ions and enhances flow characteristics, allowing the solar cell to recover from degradation. The pulse duration and amplitude are optimized based on the cell's initial performance characteristics to maximize the beneficial effect. This approach enables the restoration of solar cell performance without the need for material removal or replacement.
36. Correlation-Based Anomaly Detection Method for Solar Cells Using Dynamic Threshold Adjustment
KYOCERA CORP, 2016
Detecting small solar cell anomalies in large-scale photovoltaic systems through a novel correlation-based method. The method calculates the correlation coefficient between solar irradiance and system output power, then identifies anomalies when this correlation drops below a predetermined threshold. The threshold is dynamically adjusted based on the system's current irradiance levels, ensuring accurate detection of both normal and abnormal conditions. This approach enables comprehensive monitoring of solar cell performance while maintaining operational stability.
37. Solar Panel Abnormality Detection System with Threshold-Based Voltage Fluctuation Analysis
PANASONIC IP MANAGEMENT CO LTD, 2015
An abnormality detection system for solar panels that improves the reliability of monitoring PV strings. The system detects anomalies in solar panels by analyzing voltage fluctuations across the string. It achieves this through a novel approach that leverages the fact that voltage levels in solar panels tend to remain relatively constant during normal operation. The system uses a threshold-based approach, where it continuously monitors voltage levels across the string until a predetermined threshold is reached. If the voltage exceeds this threshold, the system detects an anomaly. This approach enables more accurate detection of panel failures compared to conventional methods that rely on voltage thresholds.
38. Voltage Ratio Analysis Method for Fault Detection in Series-Connected Solar Modules
KACO NEW ENERGY GMBH, 2015
Method for detecting faults in solar arrays through voltage ratio analysis. The method compares measured voltage ratios between series-connected solar modules with expected ratios, ensuring accurate detection of deviations. The comparison is performed across three voltage taps, allowing the method to account for variations in module placement and orientation. The method uses a predetermined tolerance threshold to determine when a measured ratio deviates from the expected value, enabling early fault detection without compromising array performance.
39. Signal-Level Monitoring System for Anomaly Detection in Solar Panel Strings
PANASONIC IP MANAGEMENT CO LTD, 2015
Anomaly detection system for solar panels that improves accuracy through signal-level monitoring. The system employs a signal transmitter and receiver that transmit and receive signals along the solar panel string. The receiver measures signal levels at multiple positions along the string, enabling detection of anomalies at any point. The system's signal-level monitoring enables precise location of faults compared to traditional fixed-position monitoring methods.
40. Photovoltaic Module Failure Detection via Bypass Diode Voltage Differential Measurement
JX NIPPON OIL & ENERGY CORP, 2015
Failure detection for photovoltaic modules using a bypass diode. The detection system measures the potential difference between the negative and positive electrodes of the photovoltaic module when the bypass diode is connected in parallel, and compares it to the voltage drop of the bypass diode under normal operation. If the measured voltage exceeds the bypass diode's voltage drop, it indicates open failure. This approach eliminates the need for current measurement and current-carrying components, making the detection method safer and more reliable.
41. String Converter with Integrated Visual Inspection for Solar Cell Fault Detection
NIPRON CO LTD, 2015
String converter for detecting solar cell faults through visual inspection of a solar cell string. The converter features a compact design that can be integrated into existing solar panel mounting systems. It employs a simple input system to measure current and voltage values, while the visual inspection mechanism enables quick identification of defects in individual solar cells within a string. The converter can be integrated into existing solar panel mounting systems, eliminating the need for dedicated monitoring devices.
42. Device and Method for Detecting Solar Cell String Abnormalities via Midpoint Potential Shift Analysis
NEXT ENERGY AND RESOURCES CO LTD, 2015
A method and device for detecting solar cell string abnormalities through the analysis of midpoint potential shifts in series-connected solar cells. The method measures the midpoint potential between the positive and negative terminals of each solar cell string, where a shift indicates an abnormality. The midpoint potential is determined based on the specific characteristics of each solar cell module's power generation characteristics. This approach enables accurate detection of solar cell module failures or shorts by monitoring the shift in the midpoint potential rather than traditional current measurements.
43. Method for Detecting Solar Cell Degradation via Comparative String Voltage Measurements
MIRAITE CO LTD, 2015
A method for detecting solar cell degradation in solar panels by comparing string voltage measurements during normal operation versus shading conditions. The method involves measuring the string voltage under both normal and shaded conditions using a voltmeter, then comparing the voltage differences between the two conditions to identify potential degradation. This approach eliminates the need for complex electrical analysis while maintaining the connection between the solar cells.
Get Full Report
Access our comprehensive collection of 43 documents related to this technology
