Techniques to Improve Adhesion in Heterojunction Solar Cell
Heterojunction solar cells face critical adhesion challenges at material interfaces where thermal expansion coefficients can differ by up to 10-6/°C. These mismatches lead to mechanical stress during thermal cycling, with delamination occurring at forces exceeding 1.2 MPa at the amorphous silicon/crystalline silicon interface. Current commercial cells exhibit adhesion failure rates between 0.5-3% after standard 200-cycle reliability testing.
The challenge lies in enhancing interfacial bonding strength while maintaining optimal electrical properties across the heterojunction's band alignment.
This page brings together solutions from recent research—including gradient silicon-based film architectures, oxygen-content-optimized doped conductive layers, tungsten-doped indium oxide transparent conductive films, and laminated passivation structures with sequential oxide-nitride layers. These and other approaches focus on practical implementation strategies that simultaneously improve mechanical stability and electrical performance without compromising manufacturing yield.
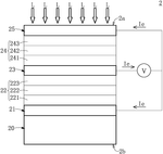
1. Heterojunction Solar Cell with Pyramid-Structured Silicon Substrate and Gradient Silicon-Based Film Thickness
TRINA SOLAR CO LTD, 2025
Heterojunction solar cell with improved efficiency, comprising a silicon substrate with a pyramid structure on at least one side, a silicon-based film with an intrinsic layer and a doped layer on the substrate side, and a transparent conductive layer on the film side. The film thickness decreases towards the substrate, preventing transparent conductive material from entering the substrate interface and reducing recombination.
2. Solar Cell with Differential Oxygen Content Doped Conductive Layer and Method of Manufacture
ZHEJIANG JINKO SOLAR CO LTD, 2024
A solar cell and method for manufacturing a solar cell that improves efficiency and performance by optimizing the metallized region. The cell includes a semiconductor substrate, emitter, front passivation layer, tunneling layer, doped conductive layer, rear passivation layer, and electrodes. The doped conductive layer has a first region with lower oxygen content for metallized areas and a second region with higher oxygen content for non-metallized areas. The tunneling layer and doped conductive layer are optimized to reduce contact resistance and improve passivation performance.
3. Multijunction Solar Cells with Graded Band Gap Heterojunction Subcells and Lattice-Matched/Mismatched Configurations
ESPENLAUB ANDREW, 2024
Design and specification of multijunction solar cells for space missions, including lattice-matched and lattice-mismatched configurations, that achieve high energy conversion efficiencies and radiation resistance. The solar cells feature optimized subcell band gaps, semiconductor layer compositions, and doping levels to maximize power output while minimizing degradation over time. The design incorporates a graded band gap in the active layer of heterojunction solar subcells to enhance radiation performance characteristics at the end-of-life.
4. Multidentate Polymer-Stabilized Buried Interface for Efficient Planar Perovskite Solar Cells
Hao Zhu, Chao Wang, Yanping Mo - American Chemical Society (ACS), 2024
Buried interface engineering is crucial to improve the performance and stability of perovskite solar cells (PSCs). Although coordination materials have been widely used for buried interface modification, they are generally engineered on one surface of the interface through monodentate or bidentate molecules. Here, we propose that a multidentate polymer, sodium alginate (SA), acts with both surfaces via numerous CO groups to reinforce buried interfaces. SA effectively reduces buried interface defects, adjusts the energy level alignment, and refines carrier dynamics. Notably, it also induces the growth of a perovskite film that is less tensile stressed and free of voids. Consequently, the champion device efficiency after SA treatment increased from 23.05% to 24.98%, along with significant improvements in both light and thermal stability. This work offers insights into efficiency and stability improvement from the perspective of multidentate polymer anchoring.
5. Solar Cell Structure with Interspersed Doped Conductive Layers and Integrated Diffusion Regions
ZHEJIANG JINKO SOLAR CO LTD, JINKO SOLAR CO LTD, 2024
A solar cell with improved photoelectric conversion efficiency, comprising a substrate, a tunneling dielectric layer, a doped conductive layer, a plurality of first electrodes, at least one transmission layer, and at least one diffusion region. The doped conductive layer includes a plurality of main body portions arranged at intervals, with each transmission layer disposed between adjacent main body portions and electrically connected to their side surfaces. The diffusion region partially extends into the transmission layer, tunneling dielectric layer, and substrate, with a doping ion concentration greater than the substrate.
6. Design of Isoindigo-Based Small-Molecule Donors for Bulk Heterojunction Organic Solar Cell Applications in Combination with Nonfullerene Acceptors
Masiyappan Karuppusamy, Shyam Vinod Kumar Panneer, Elumalai Varathan - American Chemical Society (ACS), 2024
The development of small-molecule organic solar cells with the required efficiency depends on the information obtained from molecular-level studies. In this context, 39 small-molecule donors featuring isoindigo as an acceptor moiety have been meticulously crafted for potential applications in bulk heterojunction organic solar cells. These molecules follow the D
7. Sustainable Manufacturing of Perovskite-CIGS Tandem Solar Cells through Lamination with Metal-Free Transparent Conductive Adhesives
Ezra Alvianto, Guanxiang Wan, Zhuojie Shi - American Chemical Society (ACS), 2024
Perovskite-CIGS tandem solar cells offer unique benefits, such as high efficiencies and the possibility for cost-effective production on flexible, lightweight substrates. Yet, scaling up the production of these devices presents challenges, particularly because of roughness, solvents, and reactions that can impair the integrity of subcells within tandem configurations. Here, we introduce a metal-free transparent conductive adhesive (TCA) material, implemented via a lamination approach, as a scalable solution that facilitates separate fabrication and subsequent tandem integration of the subcells. This TCA not only exhibits promising electrical and optical properties but also ensures that its lamination process does not degrade the perovskite. It also exhibits encapsulation properties rivaling those of commercial encapsulants. By employing this TCA, we have attained a champion efficiency of 20.6% in single-junction semitransparent solar cells, featuring a high fill-factor of 79.7%. Ultimately, we demonstrate its compatibility with perovskite-CIGS tandem solar cells, effectively eliminat... Read More
8. Solar Cell with Layered Structure Including Tunneling Dielectric and Conductive Transport Layers
JINKO SOLAR CO LTD, ZHEJIANG JINKO SOLAR CO LTD, 2024
A solar cell with improved photoelectric conversion efficiency, comprising a substrate, a tunneling dielectric layer, multiple doped conductive layers, multiple first electrodes, and at least one conductive transport layer. The conductive transport layers are disposed between adjacent doped conductive layers and in contact with their side surfaces, enabling lateral carrier transport and reducing parasitic absorption of incident light.
9. Connecting Interfacial Mechanical Adhesion, Efficiency, and Operational Stability in High Performance Inverted Perovskite Solar Cells
Zhenghong Dai, Shuai You, Dwaipayan Chakraborty - American Chemical Society (ACS), 2024
Carbazole-based self-assembled monolayers (SAMs) at the interface between the metal-halide perovskite (MHP) and the transparent conducting oxide (TCO) serve the function of hole-transport layers in p-i-n "inverted" perovskite solar cells (PSCs). Here we show that the use of an iodine-terminated carbazole-based SAM increases the interfacial mechanical adhesion dramatically (2.6-fold) and that this is responsible for substantial improvements in the interfacial morphology, photocarrier transport, and operational stability. While the improved morphology and optoelectronic properties impart high efficiency (up to 25.39%) to the PSCs, the enhanced adhesion suppresses nucleation and propagation of pores/cracks during PSC operation, resulting in the retention of 96% of the initial efficiency after 1000 h of continuous-illumination testing at the maximum power-point. This demonstrates the strong connection between judicious interfacial adhesion toughening and simultaneous enhancement in the efficiency and operational stability of p-i-n PSCs, with broader implications for the reliability and d... Read More
10. Heterojunction Solar Cells with Dual-Layer Tungsten-Doped Indium Oxide Transparent Conductive Films
ANHUI HUASUN ENERGY CO LTD, 2024
Heterojunction solar cells with enhanced performance through optimized transparent conductive film design. The method involves creating a back transparent conductive film with a tungsten-doped indium oxide (ITO) structure, where the doping concentration is lower than in the front transparent conductive film. This back film is formed on the side of the semiconductor substrate opposite to the front film, with a patterned photoresist grid line that opens during evaporation. The back film is then cured and annealed to create a stable, transparent conductive layer. The front film remains as a standard ITO, while the back film serves as the transparent conductive layer. This configuration enables improved encapsulation performance and photoelectric conversion efficiency compared to conventional back films.
11. Tailoring the Buried Interface by Dipolar Halogen-Substituted Arylamine for Efficient and Stable Perovskite Solar Cells
Yan Wang, Qin Cao, Xuwu Xiang - American Chemical Society (ACS), 2024
Improving the quality of the buried interface is decisive for achieving stable and high-efficiency perovskite solar cells. Herein, we report the interface engineering by using dipolar 2,4-difluoro-3,5-dichloroaniline (DDE) as the adhesive between titanium dioxide (TiO
12. Elementary processes in ternary solar cells
Teodoro Pizza, Alessandro Landi, Francesco Ambrosio - Royal Society of Chemistry (RSC), 2024
The insertion of a third component in bulk heterojunction solar cells has led to enhanced power conversion efficiencies (PCE). However, the rationale beyond the superior performance of ternary solar cells...
13. Modulation of intermolecular interaction in active layer Enables Highly Efficient Organic Solar Cell via introducing solid additive
Zhe Mei, Rong Li, Kun Li - Royal Society of Chemistry (RSC), 2024
Solid additives play a crucial role in developing highly efficient organic solar cells (OSCs) by improving intermolecular interactions between polymer donors and acceptors, forming optimal bulk heterojunction (BHJ) morphology. In...
14. Mechanical strengthening of perovskite-substrate heterointerface for highly stable solar cells
Xuesong Leng, Yichu Zheng, Jingjing He - Royal Society of Chemistry (RSC), 2024
We show the mechanical strengthening of the buried interface in perovskite solar cells by using a cohesive macromolecular binder. Solar cells with a strengthened interface delivered a T97.5 lifespan of over 1600 h under 1-sun illumination at 55 C.
15. Work function tuning of a weak adhesion homojunction for stable perovskite solar cells
Chunyang Zhang, Yoosang Son, Hyungjun Kim - Elsevier BV, 2024
Perovskite solar cells (PSCs) have demonstrated a comparable efficiency to Si-based cells. However, the buried interface with weak adhesion remains a critical issue since the ion migration enhanced by the built-in electric field at this interface might lead to instability. We report here that adjusting the energy-level alignment at the weak adhesion homojunction interface can mitigate ion migration and thereby enhance the stability and photovoltaic performance of PSCs. Functional molecules with self-assembled monolayer characteristics were introduced to the surface of the SnO2 layer using silane derivatives, which tuned the work function of the homojunction depending on the functional groups in the molecules and thereby significantly reduced the built-in electric field. The PSC exhibited a power conversion efficiency (PCE) of 25.3%. The maximum power point (MPP) tracking under continuous illumination confirmed that the device retained more than 97% of its initial PCE, even after 1,000 h.
16. Formulation of optimized TCA using PDMS epoxy and Ag-coated PMMA for high-efficiency Si tandem solar cell applications
Hasnain Yousuf, Seungyong Han, Somin Park - Elsevier BV, 2024
In this study, we aimed to develop and characterize Transparent Conductive Adhesive (TCA) materials for mechanically stacked tandem solar cell applications. The research objectives were to enhance the transparency, conductivity, and adhesive strength of TCAs to improve the efficiency and practicality of tandem solar cells. The TCA formulation comprises a combination of polymers and Ag-coated particles, with flexible poly-methyl methacrylate (PMMA) micro-spheres serving as conductive particles and SYLGARD 184 silicon elastomer poly-di-methyl-siloxane (PDMS), mixed in a 10:1 ratio of base to curing agent, serving as the transparent adhesive. We conducted systematic experiments with Ag-particle coverage areas ranging from 0.34 % to 21.61 % at temperatures of 80 C and 100 C, under 500 mb pressure. The optimal conductivity was achieved at 2 wt% Ag-particle coverage, measuring 5.26 10 S/m, with over 93 % transparency. These key results indicate the significant potential of the optimized TCA in enhancing the performance of mechanically stacked tandem solar cells, thus contributing to t... Read More
17. A comparative study of acrylic and epoxy-based adhesives for perovskite solar cells encapsulation
Gabriela A. Soares, Izabela S. Bicalho, Sergio Castro‐Hermosa - Elsevier BV, 2024
The development of a reliable encapsulation is a key factor for protecting perovskite solar cells from extrinsic degradation and an important step to commercialization. The use of edge sealing materials has already been proven effective for rigid substrates. However, for flexible devices, a different encapsulation strategy must be developed. In this study, epoxy- and acrylic-based adhesives were tested over blade-coated p-i-n MAPI devices and the encapsulation was evaluated with currentvoltage measurements, calcium, and thermal stability tests. Although causing discoloration around the cells, over the area without the evaporated top electrode, the epoxy adhesive showed great performance after encapsulation and under thermal stress. This strategy was used to compare the stability of PEDOT:PSS and NiO as HTL. After an initial drop of 40 % in performance, the device with NiO was stable for over 5500 h under 85 C. These results show that this method can be used for evaluating the stability of perovskite solar cell and that, with further development of a proper buffer layer, epoxy-based... Read More
18. Stabilizing Top Interface by Molecular Locking Strategy with Polydentate Chelating Biomaterials toward Efficient and Stable Perovskite Solar Cells in Ambient Air
Baibai Liu, Xiaodong Ren, Ru Li - Wiley, 2024
The instability of top interface induced by interfacial defects and residual tensile strain hinders the realization of long-term stable n-i-p regular perovskite solar cells (PSCs). Herein, one molecular locking strategy is reported to stabilize top interface by adopting polydentate ligand green biomaterial 2-deoxy-2,2-difluoro-d-erythro-pentafuranous-1-ulose-3,5-dibenzoate (DDPUD) to manipulate the surface and grain boundaries of perovskite films. Both experimental and theoretical evidence collectively uncover that the uncoordinated Pb
19. Commentary on “Review on Nanocrystalline Silicon Thin Films for Heterojunction Solar Cells”
Mansi Sharma - Scientific Archives, 2024
The article presents a commentary for the recent publication on nanocrytalline silicon thin films for heterojunction solar (SHJ) cells. The aim of the communication is to highlight some of the important mechanism discussed in the report for improved structure and interface properties which results in better device fill factor and hence enhanced efficiency. Furthermore, the discussion has been extended to present some of the recent literatures which have followed the similar guidelines for material synthesis with improved optical gain in applications of SHJ solar cells.
20. Interfacial toughening for high-efficiency perovskite solar modules
Tao Li, Yuanqiang Huang, Bin Ding - Elsevier BV, 2024
The distinctive benefits of perovskite solar cells, such as their lightweight nature, high flexibility, and ease of deformation, have garnered significant interest. These characteristics make them well-suited for use in portable electronic devices. Nevertheless, a large efficiency gap still exists between laboratory-based small cells and industrial oriented large-scale modules. One of the primary reasons for the efficiency losses is the limited adhesion at the brittle interface between the perovskite layer and hole transport layer. Herein, potassium acetate is selected to tailor the interface of perovskite/hole transport layer. The presence of potassium acetate between the perovskite layer and hole transport layer has the potential to enhance the p-type perovskite interface. And the strengthen of the interface contact could be verified by the utilization of KPFM and DFT calculations. As results, the charge separation is accelerated associated with the substantial enhancement in Voc from 1.118 V to 1.139 V. And the power conversion efficiency of the solar cell has been enhanced, resul... Read More
21. Laminated Passivation Structure for PERC Solar Cells with Sequential SiO2, Al2O3, SiOxNy, and SiNx Layers
TRINA SOLAR CO LTD, 2023
A method for improving the efficiency of P-type passivated emitter and rear cell (PERC) solar cells by introducing a novel laminated passivation structure. The structure comprises a silicon substrate with a first SiO2 film, an Al2O3 layer, a SiOxNy film, and a first SiNx film sequentially deposited on the back surface. The aluminum back field passes through these layers to connect with the substrate, reducing recombination and increasing long-wave reflection. The structure enables a 1% or more efficiency improvement in PERC cells, with the potential to further enhance efficiency beyond current limits.
22. Hyperbranched polymer functionalized flexible perovskite solar cells with mechanical robustness and reduced lead leakage
Zhihao Li, Chunmei Jia, Zhi Wan - Springer Science and Business Media LLC, 2023
Perovskite solar cells (PSCs) are multilayer structures. The interface between electron transport layer and perovskite is the mechanical weakest point in flexible PSCs due to its low fracture energy. Herein, we develop a highly adhesive polyamide-amine-based hyperbranched polymers to reinforce the interface. The interface fracture energy is improved from 1.08 to 2.13 Jm-2 by the hyperbranched polymers with adhesive groups and dynamic hydrogen bond networks. The polymer functionalized perovskite solar cells achieve superior power conversion efficiencies of 25.05% and 23.86% for rigid and flexible devices, respectively. Furthermore, the hyperbranched polymer contains abundant intramolecular cavities that can capture Pb2+. Pb leakage after solar cell damage is effectively suppressed. Our findings provide insights on designing adhesive interface layers towards high-efficiency, mechanical-stable and environment-friendly flexible perovskite solar cells.
23. Impact of morphology change on hole transfer dynamic during charge separation process
Dongchan Lee, Jiho Ryu, Chang‐Mok Oh - SPIE, 2023
Although it has been clearly elucidated that the change in the overall bulk-heterojunction (BHJ) morphology of PM6:Y6 induced by the difference in solvents results in a variation in the performance of the entire solar cell, the charge dynamics during the charge separation process induced by morphological changes have not yet been deeply studied. Based on mobility and photocurrent-related studies, it has been inferred that holes are deeply involved in these charge generation and separation processes. The decrease in exciton dissociation probability observed in the PM6:Y6 solar cell fabricated using CB (PM6:Y6-CB) was found to be due to the change in the hole transfer state caused by morphological changes. For the PM6:Y6 solar cell fabricated using CF (PM6:Y6-CF), it was determined that the density of the state (DOS) of the effective hole transfer state (hECT) was small, as hECT and Y6 HOMO were almost degenerate, and the lower hECT, which can interfere with hole transfer, was also formed minimally. However, for PM6:Y6-CB, the overlapping region of hECT and the highest occupied molecul... Read More
24. Study of electrically conductive adhesives in the manufacture of photovoltaic modules
Orlando Soriano‐Vargas, Raúl MENDOZA-HERNÁNDEZ, R. Lopez - ECORFAN, 2023
In this work, the behavior of an electrically conductive adhesive (ECAs) was selected and studied, using shingled technology is a development in the connection of solar cells by means of superimposition with electrically conductive adhesives, thus obtaining higher powers than the previous welding process, also offers several advantages compared to standard photovoltaic modules, improving: efficiency, reduction of microcracks, better use of the surface, lower processing temperature, higher energy yield, and better aesthetics. The objective of this study was to analyze electrically conductive adhesives for use in the manufacture of photovoltaic modules to propose a technological development to obtain greater efficiency in energy capture. Polycrystalline cells and monocrystalline cells were studied. The photovoltaic module manufacturing set was made using the conventional fixing method to join solar cells, based on the union by welding with Sn-Cu connection tapes. Loctite Ablestik ICP 8282 adhesive was selected for use in the manufacture of the overlay prototype and the substitution of ... Read More
25. Double Heterojunction Solar Cell with Parallel-Connected PIN Structures via Common Electrode
INNOVATION & INFINITY LTD, 2023
A double heterojunction solar cell with improved conversion efficiency, comprising two PIN heterojunction structures electrically connected in parallel through a common electrode structure. The first structure is formed on a first terminal electrode, while the second structure is formed on top of the first structure and connected to a second terminal electrode through the common electrode structure.
26. Back-Emitter Heterojunction Solar Cell with Double Intrinsic Layer Structure
MEYER BURGER GERMANY GMBH, 2023
A back-emitter heterojunction solar cell structure with improved electrical properties, comprising a crystalline semiconductor substrate with a first conductivity type doping, a front-side intrinsic layer, a front-side doping layer with a higher doping concentration than the substrate, a back-side intrinsic layer, and a back-side doping layer with a second conductivity type opposite to the first. The layers are arranged in a specific order, with the back-side intrinsic layer deposited first, followed by the front-side intrinsic layer, then the front-side doping layer, and finally the back-side doping layer. This sequence enables the formation of a double intrinsic layer on the substrate edge, which enhances the shunt resistance and reduces reverse current.
27. Surface Cleaning and Passivation Technologies for the Fabrication of High-Efficiency Silicon Heterojunction Solar Cells
Cuihua Shi, Jiajian Shi, Zisheng Guan - MDPI AG, 2023
Silicon heterojunction (SHJ) solar cells are increasingly attracting attention due to their low-temperature processing, lean steps, significant temperature coefficient, and their high bifacial capability. The high efficiency and thin wafer nature of SHJ solar cells make them ideal for use as high-efficiency solar cells. However, the complicated nature of the passivation layer and prior cleaning render a well-passivated surface difficult to achieve. In this study, developments and the classification of surface defect removal and passivation technologies are explored. Further, surface cleaning and passivation technologies of high-efficiency SHJ solar cells within the last five years are reviewed and summarized.
28. Surface-Energy-Mediated Interfacial Adhesion for Mechanically Robust Ultraflexible Organic Photovoltaics
Baocai Du, Kenjiro Fukuda, Tomoyuki Yokota - American Chemical Society (ACS), 2023
Insufficient interfacial adhesion is a widespread problem across multilayered devices that undermines their reliability. In flexible organic photovoltaics (OPVs), poor interfacial adhesion can accelerate degradation and failure under mechanical deformations due to the intrinsic brittleness and mismatching mechanical properties between functional layers. We introduce an argon plasma treatment for OPV devices, which yields 58% strengthening in interfacial adhesion between an active layer and a MoOX hole transport layer, thus contributing to mechanical reliability. The improved adhesion is attributed to the increased surface energy of the active layer that occurred after the mild argon plasma treatment. The mechanically stabilized interface retards the flexible device degradation induced by mechanical stress and maintains a power conversion efficiency of 94.8% after 10,000 cycles of bending with a radius of 2.5 mm. In addition, a fabricated 3 m thick ultraflexible OPV device shows excellent mechanical robustness, retaining 91.0% of the initial efficiency after 1000 compressingstretchi... Read More
29. PEDOT:PSS-mediated semiconductor wafer bonding for built-in middle subcells in multijunction solar cells
Kazuya Okamoto, Kodai Kishibe, Naoki Sano - IOP Publishing, 2023
Abstract We propose and experimentally demonstrate a novel concept of semiconductor wafer bonding that simultaneously realizes bond formation and solar cell implementation. Firstly, a semiconductor bonding technique mediated by poly(3,4-ethylenedioxythiophene)poly(styrenesulfonate) (PEDOT:PSS) is developed. By utilizing the PEDOT:PSS-mediated bonding, we subsequently fabricate an InP/Si heterostructure. The PEDOT:PSS/Si heterojunction derivatively formed at the bonded interface is then demonstrated to operate as a photovoltaic device. The prepared InP/PEDOT:PSS/Si heterostructure can thus be regarded as a prototype architecture representing an intermediate section of a multijunction solar cell with a built-in subcell. Our facile semiconductor bonding scheme mediated by functional agents could lead to low-cost, high-throughput production of high-efficiency multijunction solar cells.
30. Self-Assembled Molecules for Hole-Selective Electrodes in Highly Stable and Efficient Inverted Perovskite Solar Cells with Ultralow Energy Loss
Wenhui Li, Michele Cariello, María Méndez - American Chemical Society (ACS), 2023
Good selective contacts are necessary for solar cells that are efficient and have long-term stability. Since 1998, with the advent of solid-state dye sensitized solar cells (DSSC), Spiro-OMeTAD has become the reference hole-transporting material. Yet, for efficient solar cells Spiro-OMeTAD must be partially oxidized with chemical dopants, which compromises the long-term stability of the solar cell. Alternatively, semiconductor polymers such as PTAA have been also studied, matching or improving the solar cell characteristics. However, PTAA-based devices lack long-term stability. Moreover, both Spiro-OMeTAD and PTAA are expensive materials to synthesize. Hence, approaches toward increasing the solar cell stability without compromising the device efficiency and decreasing the manufacturing cost are very desirable. In this work we have modified Spiro-OMeTAD, by an easy-to-use methodology, by introducing a carboxylic acid anchoring group (Spiro-Acid), thereby allowing the formation of self-assembled monolayers (SAMs) of the hole-transporting material in dopant-free p-i-n hybrid perovskite... Read More
31. Silicon Heterojunction Solar Cells with Textured Crystalline Substrate and Intrinsic Layers Without Transport Layers
TECHNISCHE UNIVERSITEIT DELFT, 2023
Silicon heterojunction solar cells without electron or hole transport layers to simplify fabrication and improve efficiency. The cells have a textured crystalline Si substrate with intrinsic Si layers on both sides. A transparent conductive oxide (TCO) layer covers each intrinsic layer. Metal contacts connect to the TCO on the front and back. The cells have no separate electron or hole transport layers. This eliminates extra doping, deposition, and processing steps while maintaining high efficiency. The textured substrate and intrinsic layers improve performance.
32. Semiconductor Wafer Bonding for Solar Cell Applications: A Review
Katsuaki Tanabe - Wiley, 2023
Wafer bonding is a highly effective technique for integrating dissimilar semiconductor materials while suppressing the generation of crystalline defects that commonly occur during heteroepitaxial growth. This method is successfully applied to produce efficient solar cells, making it an important area of research for photovoltaic devices. In this article, a comprehensive review of semiconductor waferbonding technologies is provided, focusing on their applications in solar cells. Beginning with an explanation of the thermodynamics of wafer bonding relative to heteroepitaxy, the functionalities and advantages of semiconductor wafer bonding are discussed. An overview of the history and recent developments in highefficiency multijunction solar cells using wafer bonding is also provided. Bonded solar cells made of various semiconductor materials are reviewed and various types of waferbonding methods, including direct bonding and interlayermediated bonding, are described. Additionally, other technologies that utilize wafer bonding, such as flexible cells, thinfilm transfer, and wafer r... Read More
33. Bonding III–V/Textured‐Silicon Monolithic Flexible Tandem Devices
Xingliang Li, He Wang, Wudi Zhang - Wiley, 2023
Abstract IIIV/silicon tandem solar cells simultaneously have the potential advantages of high efficiency and low cost. Bonding is an effective way to realize tandem at both ends. However, it is difficult to realize vacuum bonding in industrialized micrometersized pyramid silicon cells. Up to know, all bonding in IIIV/silicon tandem solar cells is based on planar silicon cells. Here, a transparent conductive adhesive (TCA) based on micron particle size is designed and implemented, which realizes the bonding of IIIV cell and textured silicon cell for the first time. The TCA consists of epoxy adhesive 301 (Epoxy301) as transparent adhesive and silvercoated flexible polymethylmethacrylate microspheres as conductive particles. The average contact resistance of TCA is 0.17 cm 2 , and the transmittance exceeds 91% in the range of 8001200 nm. In addition, TCA shows good stability in the etching process of GaAs substrates. Monolithic IIIV/silicon device exhibits 25.1% power conversion efficiency (PCE) on thin and textured silicon heterojunction solar cells, which enables flexible pr... Read More
34. Highly Efficient Bifacial Silicon/Silicon Tandem Solar Cells
Jaeun Kim, Sunhwa Lee, Somin Park - Institute of Electrical and Electronics Engineers (IEEE), 2023
Silicon-based tandem solar cells with efficient use of the solar spectrum are desirable for a next generation-commercial photovoltaic system. It has been widely investigated elsewhere using perovskites or III-V cells as top cell materials for high efficiency and stability. However, perovskite and III-V top cells are still unsuitable for mass production as well as expansion and integration with silicon solar cell production processes so far. Two-terminal bifacial Si/Si tandem cell by bonding with transparent conductive adhesive (TCA) is reported here. The current matching can maximize the efficiency by controlling the opening area of the top cell, which makes the bottom cell also able to absorb sunlight in the short wavelength region that is absorbed by the top cell as well, without being limited to the thickness or bandgap of the top cell. The Si/Si tandem solar cell achieved 25.195 mA/cm <sup xmlns:mml="http://www.w3.org/1998/Math/MathML" xmlns:xlink="http://www.w3.org/1999/xlink">2</sup> of current density after current matching by 36% opening ratio of top cell.
35. Universal Encapsulation Adhesive for Lead Sedimentation and Attachable Perovskite Solar Cells with Enhanced Performance
Xuehao Zhu, Haoyu Cai, Cong Bai - Wiley, 2023
In this work, a modified polyurethane adhesive (PUA) was prepared to realize a convenient encapsulation strategy for lead sedimentation and attachable perovskite solar cells (APSCs). The modified PUA can completely selfheal within 45 min at room temperature with an efficient lead ionblocking rate of 99.3%. The PUA film can be coated on a metal electrode with slight efficiency improvement from 23.96% to 24.15%. The thermal stability at 65 C and the humidity stability at 55% relative humidity (RH) are superior to the devices encapsulated with polyisobutylene. The PUA film has strong adhesion to the flexible substrate and the initial efficiency of the flexible perovskite module (17.2%) encapsulated by PUA remains 92.6% within 1825 h. These results suggest that PUA encapsulation is universal for rigid and flexible PSCs with enhanced stability and low lead hazards. Moreover, it was found that flexible PSCs can be well attached to various substrates with PUA, providing a facile route for the APSCs in various scenarios without additional encapsulation and installation.
36. Self‐Healing Perovskite Grain Boundaries in Efficient and Stable Solar Cells via Incorporation of 502 Adhesive
Yifei Feng, Zhongbao Que, Shuaibo Zhai - Wiley, 2023
Additive engineering has become an effective method to passivate the grain boundary defects of perovskite films for enhanced photovoltaic performance. Herein, inspired by daily life, a 502 adhesive is directly introduced into perovskite films to improve the power conversion efficiency (PCE) and stability of perovskite solar cells (PSCs), where the perovskite grain boundaries are selfhealed through spontaneous polymerization of the 502 adhesive by tracing water molecules in the air at room temperature. The C=O and CN groups in 502 adhesive molecules provide double bonding points to chemically anchor with perovskite gain boundaries, which effectively block the invaded channels of moisture and oxygen into the perovskite film. Meanwhile, the CN groups can combine with the deficient coordination of Pb 2+ to passivate the deep defects. The optimized PSCs via incorporation of 502 adhesive into perovskite film achieve PCE of 20.12% and remarkable longterm and moisture stability compared to the control device with PCE of 17.30%.
37. Low-temperature metallization & interconnection for silicon heterojunction and perovskite silicon tandem solar cells
Angela De Rose, D. Erath, Veronika Nikitina - Elsevier BV, 2023
In this work, we present results on various low-temperature approaches for the metallization and interconnection of high-efficiency solar cells as silicon heterojunction (SHJ) or perovskite silicon tandems. By using fine line screen printing for the cell metallization and Ag-free or -reduced interconnection technologies, we demonstrate the potential of these approaches both for SHJ and perovskite silicon tandem cells. Furthermore, low-temperature (LT, 200 C) or ultra-low-temperature (ULT, 150 C) processes are utilized for metallization and interconnection to treat these temperature-sensitive solar cells with a reduced energy consumption. We compare LT soldering of SHJ cells with Pb-free alloys to state-of-the-art soldering processes and interconnection with electrically conductive adhesives (ECAs). For successful module integration of perovskite silicon tandem solar cells, these findings provide the basis to build full-size tandem modules with different interconnection technologies.
38. Universal encapsulation adhesive for lead sedimentation and attachable perovskite solar cells with enhanced performance.
Xuehao Zhu, Haoyu Cai, Cong Bai - Wiley, 2023
In this work, a modified polyurethane adhesive (PUA) was prepared to realize a convenient encapsulation strategy for lead efficient sedimentation and for attachable perovskite solar cells (PSCs). The modified PUA can completely self-healing within 45 minutes at room temperature and it has a lead ion blocking rate of 99.3% in the dripping experiment. The PUA film can directly contact with the metal electrode surface with a slight efficiency improvement from 23.96% to 24.15%. The thermal stability of 65 and humidity stability of 55% RH is superior to the encapsulated devices with polyisobutylene. The PUA film has strong adhesion to flexible substrate, and the initial efficiency of flexible perovskite module (17.2%) encapsulated by PUA remains 92.6% within 1825 h. These results suggest PUA encapsulation route is universal for rigid and flexible PSCs with enhanced stability and low lead hazardous. Moreover, it was found that the flexible PSCs can be well attached to varied substrates with PUA, providing a facile route for the attachable PSCs in various scenarios without additional encap... Read More
39. Flexible Polymer Solar Cells with High Efficiency and Good Mechanical Stability
I. Kathir, Santaji Krishna Shinde, C. Parswajinan - Wiley, 2022
Single-junction polymer solar cells have demonstrated exceptional power conversion efficiency. Interlayer adhesion will be critical in building flexible polymer solar cells since inorganic conveyance layers would surely break. Aluminium-doped zinc oxide modified by polydopamine has emerged as a viable electron transportation layer in polymer solar cells, enhancing mechanical qualities by offering a high degree of flexibility and adhesion to the active layer. Power conversion efficiency of 12.7% is achieved in nonfullerene polymer solar cells built on PBDB-T2F:IT-4F with aluminium-doped zinc oxide 1.5% polydopamine electron transporting layer. Furthermore, the device based on Ag-mesh wire-wound electrodes has a power conversion efficiency of 11.5% and retains more than 90% of original power conversion efficiency afterward 1500 cycles of bending. For implantable and adaptable polymer solar cells for wide areas, roll-to-roll fabrication of inorganic electron transport layers is advantageous because of their mechanical resilience and thickness insensitivity.
40. Thermoplastic elastomer enhanced interface adhesion and bending durability for flexible organic solar cells
Zihan Xu, Yunfei Han, Yuanyuan Bai - Springer Science and Business Media LLC, 2022
Abstract Stable interface adhesion and bending durability of flexible organic solar cells (FOSCs) is a basic requirement for its real application in wearable electronics. Unfortunately, the device performance always degraded during continuous bending. Here, we revealed the weak interface adhesion force between MoO 3 hole transporting layer (HTL) and the organic photoactive layer was the main reason of poor bending durability. The insertion of an interface bonding layer with a thermoplastic elastomer, polystyrene-block-poly(ethylene-ran-butylene)-block-polystyrene (SEBS) effectively improved the interface adhesion force of MoO 3 HTL and the active layer and decreased the modulus, which ensured higher than 90% of the initial efficiency remaining after 10000 bending. Meanwhile, the FOSCs gave an efficiency of 14.18% and 16.15% for the PM6:Y6 and PM6:L8-BO devices, which was among the highest performance of FOSCs. These results demonstrated the potential of improving the mechanical durability of FOSCs through thermoplastic elastomer interface modification.
41. Efficient and Stable Quasiplanar Heterojunction Solar Cells with an Acetoxy-Substituted Wide-Bandgap Polymer
Yan Li, Hui Chen, Hanjian Lai - American Chemical Society (ACS), 2022
Intermolecular interactions have fundamental importance in the control of active layer morphology, exciton generation, charge transport, and, thus, the overall photovoltaic performance. This is especially true for quasiplanar heterojunction (Q-PHJ) polymer solar cells, because the bilayer device structure requires larger exciton diffusion lengths. However, little effort has been made to design polymer donors with additional organic functional groups intended to control intermolecular hydrogen-bonding interactions. Herein, we report two new copolymers for Q-PHJ solar cells synthesized by the addition of hydroxy (PNTB-OH) and acetoxy groups (PNTB-OAc) onto electron-deficient units. We have systematically investigated the influence of the hydrogen bond on electro-optical behaviors, crystallinity, photovoltaic properties, energy losses, photostability, and storage stability in both types of polymers. The single-crystal data reveals more regular stacking and order orientation driven by hydrogen bonding, of the acetoxy-substituted electron-deficient units. Q-PHJ organic solar cells (OSCs) ... Read More
42. Tandem Photovoltaic Cell with Two-Terminal Transparent Conductive Layer Stack
AIR LIQUIDE, 2022
Tandem photovoltaic cell with two terminals comprising a front cell and a rear cell bonded together by a stack of transparent conductive layers, including antireflection layers, refractive index contrast layers, and a metal oxide layer that diffuses and oxidizes at low temperature. The layers are deposited using techniques such as coating, centrifugation, or spraying, and are optimized for low contact resistance and high transparency. The cell can be fabricated using a variety of semiconductor materials, including III-V elements, Perovskites, and silicon.
43. High Efficiency Silicon Heterojunction Metal Wrap Through Produced in Industrial Pilot Line
Marina Foti, N. Guillevin, E.J. Kossen - IEEE, 2022
In this work, we describe the development of metal wrap through (MWT) silicon heterojunction (SHJ) solar cells and modules using an industrial pilot line. We believe that MWT technology applied to SHJ cell can pave the way to a larger use of SHJ for single side PV module for residential and BIPV applications. The up to 5% power gain demonstrated is extremely important for the future of PV in such market segment and beyond and show once more the high potential of this technology.
44. Glued III-V on Si tandem solar cells using hybrid transparent conductive layers
Phuong‐Linh Nguyen, Jerónimo Buencuerpo, Philippe Baranek - IEEE, 2022
The photovoltaic market is dominated by c-Si solar cells, with a record efficiency of 26.7 <sup xmlns:mml="http://www.w3.org/1998/Math/MathML" xmlns:xlink="http://www.w3.org/1999/xlink">%</sup> which approaches the detailed balance limit. Tandem solar cells combining a III-V semiconductor top cell with a Si bottom cell are one of the most studied routes to exceed 30% efficiency. Direct growth of III-V on Si has achieved 25.9% efficiency but remains a challenge. Direct wafer bonding has demonstrated state of the art efficiencies of up to 35.9%, but this technique is not suitable for industrial production as it requires extremely low roughness, low particle contamination, surface activation and bonding under vacuum. The integration of III-V on Si using conductive transparent glues may circumvent these constraints. In this contribution, we design and fabricate a 2-terminal AlGaAs/ARC/Glue/ARC/TOPCon tandem cell using sol-gel derived TiO2 ARCs and PEDOT:PSS-based glue. The ARCs ensure Ohmic contact with the sub-cells (replacing the tunnelling recombination junction) as well as transmissi... Read More
45. Solar Cell Structure with Aluminum Oxide Passivation Layer and Dielectric Coating on Doped Semiconductor Substrate
LG ELECTRONICS INC, 2022
Solar cell with improved passivation structure and manufacturing process, comprising a semiconductor substrate with a doped region and a semiconductor layer, where the doped region is formed on the substrate and the semiconductor layer is formed on the doped region. The passivation structure includes an aluminum oxide layer with hydrogen content greater than the semiconductor layer, and a dielectric layer positioned on the aluminum oxide layer. The structure enables improved passivation characteristics, reduced material cost, and simplified manufacturing process.
46. Adhesion in Perovskite Solar Cell Multilayer Structures
Reisya Ichwani, Vanessa O. Uzonwanne, Adri Huda - American Chemical Society (ACS), 2022
It is important to understand the interfacial robustness of promising multilayer structures of perovskite solar cells (PSCs) due to their weak adhesion at interfaces, which can lead to failure or delamination in the structures. Herein, we used force microscopy to quantify the adhesive interactions between adjacent layers of PSCs. The measured pull-off forces are elucidated to rank the adhesion interaction between layers of PSCs that are deposited by vapor and solution crystallization. The effects of crystallized conditions on perovskite morphologies are also studied. The interfacial adhesive forces are then correlated to device performances and charge transfer resistances between perovskites and charge transport layers. The results found that high adhesion forces within solution-processed PSCs led to the low resistance of charge carrier transport across the devices and improved photoconversion efficiencies. The implications of the results are then discussed for the design of robust PSCs.
47. Solar Cell with Multi-Layer Passivation and Hybrid Electrode Structure
ZHEJIANG JINKO SOLAR CO LTD, 2022
Solar cell with improved conversion efficiency and reduced manufacturing costs, comprising a substrate with a front surface having a first passivation film, anti-reflection layer, and first electrode, and a rear surface having a tunneling layer, field passivation layer, and second electrode. The field passivation layer includes a first sub-layer with higher conductivity and a second sub-layer with lower conductivity and smaller thickness, both optimized for carrier transmission and light absorption. The second electrode is a hybrid structure comprising a silver electrode, conductive adhesive, and electrode film, enabling cost-effective replacement of silver with alternative conductive materials.
48. Material Joint Analysis of Lead-Free Interconnection Technologies for Silicon Photovoltaics
Derya Güldali, Angela De Rose - IEEE, 2022
Due to the negative environmental impact, efforts are being made to eliminate lead from electronic components, also in the photovoltaic industry. The development of a "green" solar module is of high relevance. For the series interconnection of solar cells, currently lead-containing solder alloys are used. The aim of this work is to evaluate the microstructure and impact on solar module performance of two industrially feasible interconnection materials with high potential for the interconnection of high-efficiency silicon heterojunction solar cells: lead-free solder and lead-free electrically conductive adhesives. Isothermal aging shows that the microstructure of soldered joints is submitted to significant changes such as intermetallic compounds growth (Ag <inf xmlns:mml="http://www.w3.org/1998/Math/MathML" xmlns:xlink="http://www.w3.org/1999/xlink">3</inf> Sn, Cu <inf xmlns:mml="http://www.w3.org/1998/Math/MathML" xmlns:xlink="http://www.w3.org/1999/xlink">3</inf> Sn, Cu <inf xmlns:mml="http://www.w3.org/1998/Math/MathML" xmlns:xlink="http://www.w3.org/1999/xlink">6</inf> Sn <inf xml... Read More
49. Mechanical Reliability of Fullerene/Tin Oxide Interfaces in Monolithic Perovskite/Silicon Tandem Cells
Michele De Bastiani, Giovanni Armaroli, Rawan Jalmood - American Chemical Society (ACS), 2022
High-efficiency perovskite-based solar cells comprise sophisticated stacks of materials which, however, often feature different thermal expansion coefficients and are only weakly bonded at their interfaces. This may raise concerns over delamination in such devices, jeopardizing their long-term stability and commercial viability. Here, we investigate the root causes of catastrophic top-contact delamination we observed in state-of-the-art p-i-n perovskite/silicon tandem solar cells. By combining macroscopic and microscopic analyses, we identify the interface between the fullerene electron transport layer and the tin oxide buffer layer at the origin of such delamination. Specifically, we find that the perovskite morphology and its roughness play a significant role in the microscopic adhesion of the top layers, as well as the film processing conditions, particularly the deposition temperature and the sputtering power. Our findings mandate the search for new interfacial linking strategies to enable mechanically strong perovskite-based solar cells, as required for commercialization.
50. Solar Cell with Interdigitated Back-Contact Heterojunction and Novel Passivation Layer Configuration
POPSOLAR TECHNOLOGY CO LTD, 2022
A solar cell with high efficiency interdigitated back-contact heterojunction technology achieved through a novel passivation layer approach. The cell features a crystalline silicon substrate with a front surface passivation layer containing Si3N4 and SiON, and a back surface with a tunnel oxide layer, alternating n+-doped amorphous silicon layers, a laser grooved region, and a metal electrode. This configuration enables efficient interdigitated contact formation while eliminating the need for Al2O3 passivation film, which previously required an inversion layer on the back surface to prevent carrier transport. The passivation layer provides superior performance compared to conventional methods, enabling high-efficiency solar cells with reduced manufacturing complexity and cost.
Get Full Report
Access our comprehensive collection of 95 documents related to this technology
