Battery Coolant for EV Thermal Management
Electric vehicle battery packs generate substantial heat during charging and operation, with cell temperatures routinely reaching 45°C under high load conditions. Managing this thermal load is critical, as operating outside the optimal 20-40°C window can accelerate battery degradation and reduce pack lifetime by up to 50%.
The fundamental challenge lies in developing coolants that can efficiently transfer heat while maintaining electrical isolation properties essential for high-voltage battery systems.
This page brings together solutions from recent research—including phase change materials for enhanced thermal capacity, Fischer-Tropsch derived base oils with optimized aging properties, nanofluids with improved heat transfer characteristics, and composite cooling systems that combine multiple approaches. These and other developments focus on achieving uniform temperature distribution across battery packs while maintaining long-term stability and safety requirements.
1. Isoparaffinic Mineral Oil-Based Heat Transfer Fluid with Balanced Electrical and Thermal Properties
THE LUBRIZOL CORP, 2024
A low-cost heat transfer fluid for cooling high-power density electrical components like batteries and electronics in applications like electric vehicles and servers. The fluid has balanced electrical properties like low electrical conductivity and dielectric constant to avoid issues like shorts, arcing, and static buildup. It also has desirable thermal properties like low pour point, kinematic viscosity, and flash point. The fluid is synthesized from isoparaffinic mineral oil base stock with additives like antioxidants, dispersants, and detergents to optimize performance.
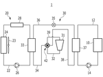
2. Refrigerant-Based Cooling Circuit with Current Limitation for Solid-State Battery Thermal Regulation
HONDA MOTOR CO., LTD., 2024
Battery cooling system for solid-state batteries in electric vehicles that prevents the battery temperature from exceeding a safe operating limit when the battery already exceeds a lower limit. The system uses a refrigerant cooling circuit between the battery and an external heat exchanger. When the battery temperature exceeds the lower limit, the battery controller limits the battery current to balance the heat generated by the battery, heat absorbed by the refrigerant, and heat exhausted by the heat exchanger. This keeps the battery temperature between the lower and upper limits. By closely controlling current and refrigerant flow, the system prevents excessive battery heating even if the battery already exceeds the lower limit.
3. Battery Module with Dual Coolant Circuits and Heat Exchanger for Individual Cell Temperature Regulation
MERCEDES BENZ GROUP AG, MERCEDES-BENZ GROUP AG, 2024
Battery module for electric vehicles that has a secondary cooling system to quickly and effectively cool individual cells with thermal runaway to prevent catastrophic failures. The module has two coolant circuits, one inside the module and another connected to an external refrigeration unit. The internal circuit has a heat exchanger that cools the cells. If a cell overheats, the internal heat exchanger is activated. If it still overheats, the external circuit is activated to bring the cell temperature down faster. This prevents thermal runaway propagation and cell damage.
4. Shared Coolant Loop with Valve-Controlled Heat Exchange for Electric Vehicle Components
GREAT WALL MOTOR COMPANY LTD, 2024
Vehicle thermal management system that allows efficient utilization of waste heat in electric vehicles. It uses a shared coolant loop with valves to enable heat exchange between components like motors, batteries, heating/cooling systems, and cabin. This allows passive cooling of components by circulating coolant through them, as well as active heating using the same loop. The shared loop allows comprehensive heat recovery versus separate loops for each component.
5. Vehicle Thermal Management System with Separate Battery Heat Exchangers and Controller
BYD CO LTD, BYD COMPANY LTD, 2024
Thermal management system for vehicles with improved efficiency and versatility compared to traditional systems. The system uses separate heat exchangers to exchange heat with the battery at different efficiencies based on battery temperature. This allows optimized heat transfer without wasting energy on unnecessary heating or cooling. A controller manages the heat exchangers. The system also includes an air conditioning loop and options for heat storage. The separate heat exchangers and controller allow more flexible and efficient battery heating/cooling compared to a single heat exchanger.
6. Electric Vehicle Battery Thermal Management System with Separate Heat Exchange Loop and Switch Valve Configuration
HUZHOU SANY WHEEL LOADER CO LTD, 2024
Battery thermal management system for electric vehicles that uses a separate heat exchange loop to prevent direct heating of the battery. The system has a circulating loop with a pump, heat exchanger, valve, and pipes filled with coolant. The loop connects to the battery for heat exchange. In standby, the loop heats the battery. When running, it cools. A switch valve connects the loop to the battery or a cooling chamber. This prevents heating components directly connected to the battery to reduce risk of battery accidents.
7. Power Battery Liquid Cooling System with Dual-Module Heat Dissipation and Temperature-Responsive Switching
CHINA AVIATION LITHIUM BATTERY CO LTD, 2024
Power battery liquid cooling system for electric vehicles that uses a two-stage cooling approach to improve cooling efficiency in low temperature environments. The system has two heat dissipation modules, one with a compressor for high temperature operation and another with a radiator for low temperature operation. A temperature sensor detects the ambient temperature and controls which module to use. This allows the system to switch between the compressor for high temp and radiator for low temp cooling based on ambient conditions. The radiator module avoids compressor efficiency loss in cold temperatures.
8. Thermal Management System with Series-Connected Refrigeration, Heating, and Battery Heat Exchanger and Switchable Circuit Valves
BYD CO LTD, BYD COMPANY LTD, 2024
Thermal management system for electric vehicles that allows efficient heating and cooling of the battery pack in all ambient temperature conditions. The system uses a series connection of a refrigeration component, heating component, and battery heat exchanger in the battery circuit. This allows cooling the battery during high temperatures and heating during low temperatures. The system also has an electric drive circuit with heat exchanger and radiator. Valves can switch connection between the battery and drive circuits. This enables efficient heating/cooling of both circuits.
9. Dual-Circuit Battery Thermal Management System with Directional Flow Switching and Bypass Loop
Guangzhou Automobile Group Co., Ltd., GUANGZHOU AUTOMOBILE GROUP CO LTD, 2024
Battery thermal management system for electric vehicles that improves temperature uniformity inside the battery pack. The system uses two cooling loops, one bypassing some components like heaters and radiators, to circulate coolant. A valve switches between loops. The bypass loop has lower pressure drop. Periodically switching flow direction in both loops further reduces temperature gradients.
10. Battery Cooling Composition with Low Thermal Conductivity and Thermal Runaway Protection
TOTAL MARKETING SERVICES, 2024
Cooling composition for batteries in electric vehicles that combines improved cooling with protection against thermal runaway. The composition has a thermal conductivity less than or equal to 125 mW/m·K at 30°C. It contains base oils, antioxidants, and optional additives like anti-corrosion agents. The composition circulates in cooling loops around battery cells to extract heat. By having lower thermal conductivity, it prevents excessive heating that can lead to thermal runaway. The lower conductivity also improves cooling performance compared to conventional oils. The composition can be used in devices like cooling circuits and storage tanks to cool batteries in electric vehicles.
11. Battery Thermal Management System with Closed-Loop Refrigerant Cycle and Heat Recovery for Electric Vehicles
KOREA AUTOMOTIVE TECH INSTITUTE, KOREA AUTOMOTIVE TECHNOLOGY INSTITUTE, 2024
Battery thermal management system for electric vehicles that improves battery module output efficiency by using a closed-loop refrigerant cycle with heat recovery and regeneration. The system has a thermal management unit, cycle unit, heating unit, cooling unit, sensing unit, and control unit. The cycle unit circulates a first heat exchange medium to the battery module. The heating unit transfers refrigerant from the compressor to heat the battery. The cooling unit transfers refrigerant from the evaporator to cool the battery. The control unit selectively opens/closes the heating and cooling units based on battery temperature. This allows regenerating heat from the cooling unit to heat the battery instead of wasting it. The refrigerant cycle also allows separate cooling/heating paths to share pipes for simplicity.
12. Battery Pack with Integrated Phase Change Material and Liquid Cooling System Featuring Temperature-Controlled Rotor Pump
CHINA UNIV OF MINING & TECHNOLOGY, CHINA UNIVERSITY OF MINING & TECHNOLOGY, 2023
Battery thermal management system that uses phase change materials (PCMs) inside the battery pack along with a liquid cooling system. The PCMs absorb and release heat during charging/discharging. A rotor pump circulates coolant through the PCMs and liquid cooling channels. An electronic controller monitors battery temperatures and activates the pump when needed. This provides optimal heat dissipation using both PCMs and liquid cooling based on battery temperatures. The PCMs improve uniformity and prevent overheating, while the liquid cooling provides backup when PCMs melt.
13. Electric Vehicle Battery Thermal Management System with Dual Refrigerant Circuit Integration
SANHUA HOLDING GROUP CO., LTD., 2023
Thermal management system for electric vehicles that allows rapid cooling of the battery during high heat conditions. The system has two separate refrigerant circuits, one for the passenger compartment and one for the battery. During rapid cooling, both circuits are connected to the battery heat exchanger. This allows coolant from both circuits to absorb battery heat simultaneously, rapidly dissipating it. The separate circuits prevent overloading one circuit with battery heat.
14. Hierarchical Electric Vehicle Battery Cooling System with Multi-Level Heat Exchanger Integration
Jilin University, JILIN UNIVERSITY, 2023
Electric vehicle battery cooling system that enables efficient and adaptive cooling of batteries across a wide temperature range. It uses a hierarchical cooling strategy with three levels: air cooling for low load, indirect refrigerant cooling for medium load, and direct refrigerant cooling for high load/overheating. The system has multiple heat exchangers in the battery pack, one with a refrigerant circuit and another with a coolant circuit. The refrigerant directly contacts the battery for rapid cooling, while the coolant provides secondary cooling. This allows efficient cooling in all conditions without compromising performance or safety.
15. Thermal Management System with Encapsulated Phase Change Material-Enhanced Working Fluid for Direct Contact Cooling of Heat-Generating Components
SHELL INTERNATIONALE RES MAATSCHAPPIJ B V, SHELL INTERNATIONALE RESEARCH MAATSCHAPPIJ BV, SHELL USA INC, 2023
Thermal management system for heat-generating components like batteries in electric vehicles that uses a working fluid with encapsulated phase change materials (PCMs) to improve cooling performance. The system involves direct contact between the component and the fluid, which contains a base fluid and micro/nano-encapsulated PCMs. The encapsulated PCMs absorb and store heat as they melt, providing additional cooling capacity compared to just the base fluid. This allows more effective thermal management of the component by uniformly distributing the heat away from the component surface.
16. Integrated Thermal Management System with Combined Battery and Vehicle Cooling Utilizing Convection and Refrigerant Loops
Deere & Company, 2023
Integrated thermal management system for electric work machines like excavators that combines battery cooling with vehicle cooling in a compact and efficient manner. The system uses a battery coolant loop, a refrigerant loop, and a radiator with a fan. The battery coolant loop circulates coolant through the battery and radiator to passively cool the battery by convection. The fan forces air over the radiator for semi-passive cooling. The refrigerant loop actively cools the battery when needed by circulating refrigerant through the radiator. This integrated system allows versatile battery cooling in stationary work machines without relying solely on ambient air.
17. Thermal Management System with Fischer-Tropsch Derived Fluid for Direct Immersion of Heat-Generating Components
SHELL INT RESEARCH, SHELL INTERNATIONALE RESEARCH MAATSCHAPPIJ BV, 2023
Thermal management system for heat-generating components like batteries in electric vehicles that uses a working fluid containing a Fischer-Tropsch derived base oil, antioxidant, and antistatic additives. The components are directly immersed in the fluid to improve heat transfer. The fluid flows cyclically between components and a heat exchanger. The Fischer-Tropsch oil provides better aging properties compared to conventional fluids.
18. Variable Diameter Cooling Conduit for Adaptive Response to Battery Cell Swelling
VOLVO TRUCK CORP, 2023
Cooling system for electric battery cells that adapts to the cells swelling as they age and degrade. The cooling system has a variable diameter cooling conduit that expands or contracts in response to cell swelling. This prevents coolant flow restrictions due to cell expansion. The diameter change is proportional to the cell's swelling mechanism. By matching the cooling conduit dimension to the cell's expansion, it ensures adequate coolant flow even as the battery cells enlarge over time. This helps maintain cooling performance and prevents thermal runaway during use.
19. Battery Pack Thermal Management Structure with Inflated Aluminum Plates, Vapor Chamber Plates, and Heating Film
South China University of Technology, Guangdong New Creativity Technology Co., Ltd., SOUTH CHINA UNIVERSITY OF TECHNOLOGY, 2023
Integrated phase change cooling and heating structure for battery packs in electric vehicles. The structure uses inflated aluminum plates between the battery cells, vapor chamber plates on top, and a heating film on bottom. This allows phase change cooling with aluminum and vaporization cooling at the top, while also providing heating at the bottom using a film. A control system manages the cooling/heating fluid flow. It enables efficient thermal management of the battery pack across a wide temperature range.
20. Electric Vehicle Thermal Management System with Configurable Valve-Controlled Heat Exchange Pathways
Kelvin New Energy Technology Co., Ltd., 2023
Vehicle thermal management system for electric vehicles that improves heat exchange efficiency compared to conventional systems. The system has a refrigeration assembly, cabin heat exchanger, motor-drive-side heat exchanger, battery heat exchanger, and radiator tank. Three-way valves, reversing valves, and solenoid valves are used to selectively connect the components in various ways based on cooling/heating needs. This allows optimized heat flow paths between components like the motor, battery, and cabin. A control method coordinates the valve positions for different operating scenarios. This enables efficient heat transfer between components like radiating motor heat, using battery heat for cabin, or selective cooling of motor/battery.
21. Battery Thermal Management System with Phase Change Material Modules for Heat Equalization and Storage
Shandong University, SHANDONG UNIVERSITY, 2023
Battery thermal management system for electric vehicles that uses phase change materials (PCMs) to equalize and store heat in the battery pack. The system has separate modules for heat equalization and heat storage. The heat equalization module absorbs heat from hot cells and transfers it to cooler cells using PCMs. The heat storage module contains PCMs that float in a coolant tank. When the pack temperature drops, the PCMs release heat to warm the pack. This allows consistent cell temperatures and prevents capacity loss. The system also has a water supply, cooling, and heating system for active cooling/heating.
22. Coolant Composition with Phase Change Materials and Surfactants for Electric Vehicle Battery Temperature Regulation
Korea Automobile Research Institute, 2023
Coolant for electric vehicle batteries containing a phase change material (PCMs) like paraffin, salt hydrates, carboxylic acids, sugar alcohols, etc. to maintain battery temperature. The PCMs absorb/release heat during charging/discharging to prevent overheating. The coolant also has surfactants like sorbitan sesquioleate to improve PCM dispersion. The PCM, surfactants, and solvent are mixed and stirred to form the coolant.
23. Battery Cooling Plate with Silica Gel-Cladded Phase Change Material
GUANGDONG UNIV OF TECHNOLOGY, GUANGDONG UNIVERSITY OF TECHNOLOGY, 2023
Battery cooling plate with improved thermal management for electric vehicle batteries. The cooling plate has a phase change material coated with heat conducting silica gel. The silica gel improves the mechanical strength, thermal consistency, and prevents leaks compared to the phase change material alone. The silica gel is cladded on the phase change material surface and seals it to prevent leakage when the gel liquefies during charging/discharging. This provides a reliable, leak-free cooling solution for battery modules.
24. Battery Thermal Management Module with Heat Pipes, Phase Change Materials, and Corrugated Plates
HEFEI UNIVERSITY OF TECHNOLOGY, UNIV HEFEI TECHNOLOGY, 2023
Battery thermal management module for electric vehicle packs with high temperature uniformity using heat pipes and phase change materials. The module has a liquid-cooled plate, battery cells on top, and heat pipes between columns. The heat pipes have vertical sections in the box and flat sections on the plate. Corrugated plates distribute lateral heat. Phase change material fills the box to quickly transfer heat to the pipes and plate. This improves lateral and longitudinal temperature uniformity of large, high-density battery packs.
25. Battery Cooler with Phase Change Material Layer for Stabilized Thermal Regulation
GEELY AUTOMOBILE RES INSTITUTE NINGBO CO LTD, GEELY AUTOMOBILE RESEARCH INSTITUTE CO LTD, GEELY HOLDING GROUP CO LTD, 2023
Battery cooler for electric vehicle batteries that provides precise temperature control to prevent overheating and degradation. The cooler has a layer filled with a phase change material that adjusts temperature based on battery cooling liquid flow. This layer is sandwiched between the refrigerant and coolant channels. It allows heat transfer between the refrigerant and coolant to control coolant temperature. The phase change material absorbs/releases heat at a set temperature to keep the battery coolant within a range. This avoids coolant temperature fluctuations from refrigerant variations. The cooler also has an insulation layer to further maintain stable coolant temperatures.
26. Electric Vehicle Thermal Management System with Loop Heat Pipes for Direct Cooling of High Heat Density Components and Battery Temperature Uniformity
SHANDONG GESHANG THERMAL ENERGY TECH CO LTD, SHANDONG GESHANG THERMAL ENERGY TECHNOLOGY CO LTD, 2023
Thermal management system for electric vehicles that uses loop heat pipes to effectively cool high heat density components like motors and controllers while also improving battery pack temperature uniformity. The system uses a closed loop of working fluid like ammonia circulating between the components. It allows high heat flux components like motors to be directly cooled by the loop instead of relying on a separate water-cooling system. This improves cooling capacity and uniformity. The loop also connects to the battery pack to improve temperature balance across the pack.
27. Thermal Management System with Separate Coolant Circuits and Multi-Way Valves for Electric Vehicles
JIDU TECH CO LTD, JIDU TECHNOLOGY CO LTD, 2023
Thermal management system for electric vehicles with improved cooling efficiency, lower energy consumption, and simplified architecture. The system uses separate coolant circuits for the battery, electric motor, and cabin. A three-way valve connects the battery coolant to a radiator. A four-way valve connects the battery and cabin coolant in series/parallel to recover waste heat. This allows selectively using battery coolant for cabin heating/cooling. The system has modes to fill coolant after sale by sequentially cycling circuits.
28. Integrated Heat Exchange System with Dual-Unit Thermal Management for Electric Vehicle Batteries
HUAWEI TECH CO LTD, HUAWEI TECHNOLOGIES CO LTD, 2023
A thermal management system for batteries in electric vehicles that uses an integrated heat exchange system to efficiently maintain optimal battery temperatures without consuming additional power. The system has a first heat exchange unit connected to the battery cells via a heat pipe. It also has a second heat exchange unit with a refrigerant-filled cooling pipe partially embedded in the first unit's energy storage material. The second unit can cool the energy storage when its temperature exceeds a threshold, allowing heat transfer from the battery cells to the storage for short-term cooling. When the storage temperature is below a threshold, the second unit can heat the storage. This prevents overheating without consuming extra power. For long-term cooling, the second unit can also exchange heat with an external source when the storage temperature exceeds an intermediate threshold.
29. Thermal Management System with Separate Refrigerant, Air, and Water Circuits for Electric Vehicles
Dongfeng Motor Group Co., Ltd., DONGFENG AUTO GROUP CO LTD, 2023
A thermal management system for electric vehicles that improves efficiency and range by optimizing heating and cooling under all conditions, including low temperatures. The system uses separate refrigerant, warm air, battery, and motor water circuits coupled through heat exchangers. A four-way valve connects the battery and motor circuits. This allows simultaneous passenger compartment cooling, battery cooling, battery heating, motor cooling, and mixed modes. It enables efficient heat recovery and reduces temperature impact on range compared to a single circuit system.
30. Vehicle Thermal Management System with Thermoelectric Heat Exchange and Selective Coolant Routing
SAIC MOTOR CORPORATION LTD, 2023
Vehicle thermal management system that improves efficiency of heating and cooling components like batteries and electric motors in electric vehicles. The system uses a thermoelectric heat exchange device between the battery and electric motor circuits to transfer heat. It also has parallel heat dissipation paths and valves to selectively route coolant. This allows the battery cooler to absorb ambient heat when needed, rather than always using the air conditioner. The thermoelectric device can act as a primary heat pump and the air conditioner as a secondary. It prevents overheating or frosting when ambient temps are low.
31. Thermoelectric Heat Exchanger System with Selective Coolant Routing for Electric Vehicle Thermal Management
SAIC MOTOR CORP LTD, SAIC MOTOR CORPORATION LTD, 2023
Thermal management system for electric vehicles that improves battery cooling and heating efficiency. The system uses a thermoelectric heat exchanger between the battery and motor coolant loops. This allows heat transfer between the loops to balance temperatures. A bypass and conversion valve enable selective routing of coolant paths. A refrigerant circuit with a battery cooler can also cool the battery. This allows flexible heat management options. The system prevents battery overheating during charging and allows battery heating in cold climates.
32. Series-Connected Motor and Battery Coolant Circuits with Thermoelectric Module and Selective Bypass Mechanism
SAIC MOTOR CORP LTD, SAIC MOTOR CORPORATION LTD, 2023
Vehicle thermal management system that improves efficiency and reduces cost compared to conventional liquid-cooled battery cooling systems. The system uses a series connection between motor and battery coolant circuits, a circuit converter, and a common battery coolant loop. This allows heat exchange between battery and coolant using a thermoelectric module, and bypasses to selectively route coolant directly through motor or battery. It allows optimized thermal management for both components using shared resources.
33. Dual-Circuit Battery Thermal Management System with Primary and Secondary Loop Integration
GEELY HOLDING GROUP CO LTD, ZHEJIANG GEELY HOLDING GROUP CO LTD, ZHEJIANG JIKE INTELLIGENT TECH CO LTD, 2023
Battery thermal management system for electric vehicles that allows high-speed charging without overheating the battery. The system uses separate circuits for battery cooling and engine cooling. It has two loops - a primary refrigerant loop and a secondary coolant loop. The primary loop circulates refrigerant between a compressor, a heat exchanger, a throttle, and the battery cooler. The secondary loop circulates coolant between the battery, battery cooler, and engine radiator. A switching device allows selecting between modes. In the first mode, the secondary loop pumps coolant through the battery and radiator. In the second mode, both loops pump fluid. In the third mode, the primary loop pumps refrigerant and the secondary loop pumps coolant. This allows taking heat from the battery coolant in the primary loop during charging.
34. Electric Vehicle Thermal Management System with Dual-Channel Heat Exchanger and Independent Coolant Circuits
SANHUA HOLDING GROUP CO LTD, 2023
Thermal management system for electric vehicles with a refrigerant circuit and a coolant circuit. The system has a dual-channel heat exchanger to regulate battery temperature without causing thermal shock. The coolant flows from the refrigerant circuit through the dual-channel heat exchanger, then to the battery and air-cooler circuits. This gradual temperature transition prevents cold shock on the battery. The system also has independent coolant circuits for the battery and motor to prevent high temperature fluctuations. A control method involves starting the coolant pump, flowing through the heat exchanger, battery, and back to the pump to equalize temperatures.
35. Thermal Management Loop with Integrated Heat Pump, Mixing Valve, and Bypass Valve for Electric Vehicles
VOLVO TRUCK CORP, 2023
A simplified thermal management control loop for electric vehicles with fewer components compared to conventional loops. The loop maintains battery and power electronics within their optimal operating temperature ranges. It uses a single cooling-heating circuit with a heat pump, mixing valve, and bypass valve. The heat pump cools the battery during hot conditions and heats it during cold conditions. The mixing valve mixes cooled liquid from the evaporator with heated liquid from the condenser. The bypass valve controls flow into the radiator branch. The loop also has sensors, a control unit, and an electric heater. It avoids separate circuits for battery cooling, power electronics cooling, and cabin heating/cooling.
36. Battery Thermal Management System with Selective Heat Treatment and Drag Reducing Polymer-Enhanced Coolant
NASH INDUSTRIES I PRIVATE LTD, NASH INDUSTRIES PRIVATE LTD, 2023
Battery thermal management system for electric vehicles that uses a valve, heat exchanger, radiator, and pump to selectively cool, heat, or maintain optimal temperature of the battery pack based on ambient conditions. The system uses a monitoring unit with temperature sensors to detect battery and ambient temperatures. An electronic control unit selects the heat treatment (exchanger, radiator, heater) based on the readings. A pump pumps coolant with a drag reducing polymer through the pack with minimal flow resistance. This reduces pump power versus traditional coolant types. The polymer improves coolant properties like viscosity for efficient cooling. The selective heat treatments and optimized coolant help reduce power consumption and operational time compared to fixed cooling systems.
37. Coolant Circuit with Fluid Control for Independent Battery and Interior Thermal Regulation
VOLKSWAGEN AG, VOLKSWAGEN AKTIENGESELLSCHAFT, 2023
Thermal management system for electric vehicle batteries that reduces complexity and improves efficiency compared to conventional systems. The system has a coolant circuit connecting the battery, refrigerator, and auxiliary heater. A fluid control device splits the coolant flow between the refrigerator and battery based on need. This allows separate cooling/heating of the battery and interior without sharing components. The auxiliary heater is on the coolant side, avoiding the higher temperatures of the interior circuit.
38. Electric Vehicle Battery Cooling System with Nanofluid-Based Triple Loop Configuration and Cosine-Curved Microchannels
HARBIN INST TECHNOLOGY WEIHAI, HARBIN INSTITUTE OF TECHNOLOGY WEIHAI, 2022
Electric vehicle battery cooling system using nanofluid with enhanced heat transfer capability. The system has three loops: a cold start loop, a regular heat dissipation loop, and an enhanced heat dissipation loop. The nanofluid, like ethanol with silicon carbide nanoparticles, is pumped through the loops. The enhanced loop has internal and external circulation paths with a deionizer to reduce conductivity. The external path has cosine-curved microchannels. This system improves battery cooling in high power applications by using the nanofluid for better heat transfer and the enhanced loop for extra dissipation.
39. Battery Thermal Management System with Composite Phase Change Material and Integrated Heat Dissipation Pipes
Guangdong University of Technology, GUANGDONG UNIVERSITY OF TECHNOLOGY, 2022
Battery thermal management system for electric vehicles that provides uniform temperature distribution and efficient heat dissipation for battery packs. It uses a composite phase change material inside the battery enclosure, with heat dissipation pipes between cells. A circulating water system takes away heat from the phase change material and cells. Temperature sensors control the water pump to circulate fluid when needed. This balances temperatures, prevents hot spots, and reduces battery degradation.
40. Vehicle Thermal Management System with Single Coolant Loop and Mixing Chamber for Dual Application
HOZON NEW ENERGY AUTOMOBILE CO LTD, 2022
Thermal management system for vehicles that improves battery temperature control while reducing cost and improving response compared to separate cooling loops. The system has a single coolant loop that branches to both the cockpit and battery. A mixing chamber blends coolant from the cockpit loop with the battery loop. This allows using the same coolant for both applications instead of separate loops. A valve adjusts the coolant split based on battery temperature. This prevents overcooling the battery while still heating the cabin.
41. Battery Thermal Management System with Refrigerant Phase Change Heat Exchange Modules
Hyundai Motor Company, Kia Corporation, 2022
Thermal management system for batteries that efficiently cools or heats batteries using the thermal energy generated during refrigerant phase changes. The system circulates refrigerant through the battery and an external radiator. Heat exchange modules between the battery and radiator allow selective heat transfer between the refrigerant and battery cooling water to efficiently raise or lower battery temperature using the refrigerant phase change thermal energy.
42. Dual Coolant Circuit Thermal Management System with Bypass Line and Valve for Waste Heat Transfer in Electric Vehicles
VOLKSWAGEN AG, VOLKSWAGEN AKTIENGESELLSCHAFT, 2022
Thermal management system for electric vehicles that reduces complexity and enables waste heat reuse. The system has two coolant circuits: one for the battery and one for the electric machine. They can be connected via a bypass line that allows coolant to bypass the electric machine's heat exchanger and go directly to the battery. This allows the electric machine's waste heat to be used to heat the battery instead of dissipating it to the environment. The bypass line has a valve to control the coolant flow.
43. Battery Thermal Management System with Phase Change Materials and Integrated Air Cooling
CHINA UNIVERSITY OF GEOSCIENCES, UNIV CHINA GEOSCIENCES BEIJING, 2022
Thermal management system for electric vehicle batteries that uses phase change materials (PCMs) and air cooling to improve battery safety and performance without adding external devices. The system has a box with a heat dissipation pipe, a cover with a hole for the pipe, and a battery column filled with a PCM made of lauric acid. The cover also has connectors for the battery and charging. The column, box, and pipe are filled with a second PCM made of sodium acetate trihydrate and urea. This design allows the battery column to change phase and release heat when operating, avoiding overheating. The air cooling through the pipe dissipates the remaining heat. The PCMs provide efficient thermal management without external devices or liquids.
44. Thermal Management System with Integrated Heat Pump and Reversing Valve for Electric Vehicle Battery Pack
AITAISI THERMAL SYSTEM RES AND DEVELOPMENT SHANGHAI CO LTD, AITAISI THERMAL SYSTEM RESEARCH AND DEVELOPMENT CO LTD, 2022
Thermal management system for pure electric vehicles that improves battery safety, range, and efficiency by optimizing cooling and heating of the battery pack. The system uses a combination of battery cooler, heat pump, water pumps, and valves to balance power consumption and temperature control across subsystems. It maximizes dissipation of heat from subsystems like the motor and HVAC into the battery coolant loop. This prevents overheating and degradation of the battery pack. It also allows active cooling of the battery during charging and discharging to maintain optimal temperature for performance and longevity. The system uses a reversing valve to switch between battery cooling and heat pump modes based on conditions.
45. Dielectric Cooling Fluid with Halocarbon-Enhanced Low Viscosity and High Flash Point
BP p.l.c., BP PLC, 2022
Thermal management fluid for cooling electric vehicle batteries and other electrical components without using conductive cooling. The fluid has a high dielectric constant and flash point above 120°C to prevent ignition. It contains a low-viscosity dielectric base oil with a flash point below 150°C and a small amount (0.1-20wt%) of halocarbons. The halocarbons reduce viscosity further and provide vaporization to disperse ignition risk. The dielectric fluid absorbs heat from electrical components without conducting electricity.
46. Electric Vehicle Thermal Management System with Segregated Cooling Circuits and Adaptive Control Strategy
INTEGRATED SCIENCE AND TECH LIMITED CO, INTEGRATED SCIENCE AND TECHNOLOGY LIMITED CO, 2022
Thermal management system for electric vehicles that addresses issues like higher energy consumption, low temperature heating, complex structure, and filling complexity of existing systems. The system has separate circuits for cooling the electric drive module, energy storage, and passenger compartment. It also has a control strategy to optimize cooling and heating based on temperature differences and rate changes. This allows efficient all-weather thermal management without complex circuits or filling issues.
47. Thermal Management System with Multi-Device Heat Management Loop and Flow Path Control for Electric Vehicle Battery
HITACHI ASTEMO LTD, 2022
Thermal management system for electric vehicles that more accurately controls the temperature of the battery. The system uses a heat management loop with multiple devices to cool, heat, and circulate the battery's heat management fluid. A control device switches the flow path based on battery temperature and vehicle state. This allows rapid battery heating/cooling without bypassing the drivetrain. The loop includes a battery-dedicated cooling device, heater, and circulation valve. It also bypasses the drivetrain and charger for independent temperature control. This improves battery performance and longevity by maintaining optimal operating temperature.
48. Non-Aqueous Coolant Composition with Amine Compound for Enhanced Insulating and Thermal Properties
TOYOTA MOTOR CORP, 2022
Non-aqueous coolant composition for cooling high-temperature devices in electric vehicles that provides better insulating properties and cooling performance compared to water-based coolants. The composition contains at least one non-aqueous base, such as an amine compound, that has excellent insulating properties. The composition can be used in cooling systems for electronic devices in electric vehicles that generate heat, like inverters, converters, and batteries. The non-aqueous coolant prevents secondary disasters like short circuits if it leaks by not conducting electricity well. It allows direct contact cooling of devices without insulating barriers.
49. Energy Storage Battery Pack Cooling System with Circulating Coolant and Integrated Temperature Monitoring
JIANGSU ALLENERGY TECH CO LTD, JIANGSU ALLENERGY TECHNOLOGY CO LTD, 2021
Direct cooling system for energy storage battery packs that improves heat dissipation and consistency while preventing overheating and fires. The system uses a heat exchanger and pump to circulate coolant between the battery pack and an external cooling source. Temperature sensors inside the pack monitor cell temperatures. The coolant absorbs heat from the cells and carries it away, preventing hot spots and uneven temperatures. This prevents overheating and reduces the risk of cell fires. The external cooling source can be an air conditioner, chiller, or water source. The coolant flow rate and temperature are controlled based on the sensor readings.
50. Vehicle Thermal Management System with Independent Cooling for Battery Pack and Power Assembly Using Shared Refrigeration and Separate Coolant Systems
HUAWEI TECH CO LTD, HUAWEI TECHNOLOGIES CO LTD, 2021
Vehicle thermal management system that allows separate and optimized cooling for the battery pack and power assembly in electric vehicles. It uses a shared refrigeration system and a separate coolant system. The refrigeration system lowers the coolant temperature. The coolant system dissipates heat naturally. The control device switches between refrigeration and natural cooling based on ambient temperature and power assembly inlet temperature to maximize energy efficiency. This allows independent cooling optimization for the battery pack and power assembly instead of serially constraining them.
Get Full Report
Access our comprehensive collection of 106 documents related to this technology
Identify Key Areas of Innovation in 2025

