Magnesium-Ion Batteries for Electric Vehicles
Magnesium-ion batteries promise theoretical energy densities of up to 3,833 mAh/cm³—nearly double that of lithium-ion cells. However, current prototypes struggle with slow magnesium ion diffusion through electrodes, dendrite formation at metal anodes, and electrolyte decomposition that limits cycling stability. These challenges have kept practical energy densities below 500 mAh/cm³ in laboratory conditions.
The fundamental challenge lies in developing electrode and electrolyte materials that can facilitate rapid, reversible magnesium-ion transport while maintaining structural stability over thousands of cycles.
This page brings together solutions from recent research—including silylated cellulose protective coatings for magnesium anodes, nanoconfined metal-containing electrolytes, layered oxide cathode materials, and novel electrode assembly designs. These and other approaches focus on practical ways to improve magnesium-ion transport kinetics while preserving long-term cell stability.
1. Electrolyte Composition with Silane and Siloxane Additives for Magnesium Secondary Batteries
SHANGHAI JIAO TONG UNIV, SHANGHAI JIAO TONG UNIVERSITY, 2024
Long-life electrolyte for magnesium secondary batteries that enables high-rate operation and improved cycle life compared to conventional magnesium battery electrolytes. The electrolyte contains a magnesium salt dissolved in an organic solvent, with additives like silanes or siloxanes. These additives regulate the solvation structure of magnesium ions, form a stable solid electrolyte interface, and reduce overpotential at the magnesium anode. They also improve battery performance by forming a cross-linked network at the interface.
2. Magnesium Metal Battery with Non-Nucleophilic Electrolyte Comprising Magnesium Bis(hexamethyldisilazide), Aluminum Chloride, and Iodine
CHONGQING UNIV, CHONGQING UNIVERSITY, 2024
A new type of magnesium metal battery using a non-nucleophilic electrolyte that improves cycle life, reduces overpotential, and allows better compatibility with sulfur cathodes compared to existing non-nucleophilic magnesium battery electrolytes. The electrolyte contains magnesium bis(hexamethyldisilazide) (Mg(HMDS)2), aluminum chloride (AlCl3), and iodine (I2) in specific concentrations. The iodine reacts at the magnesium anode interface to form a protective film that stabilizes the electrode/electrolyte interface and prevents passivation.
3. Non-Aqueous Magnesium Electrolyte with Organic Magnesium Salt, Amine and Reducing Additives in Ether Solvent
QINGDAO UNIV OF SCIENCE & TECHNOLOGY, QINGDAO UNIVERSITY OF SCIENCE & TECHNOLOGY, 2024
Non-aqueous magnesium electrolyte for rechargeable magnesium batteries with improved magnesium deposition/dissolution performance. The electrolyte contains an organic magnesium salt, amine additive, strong reducing additive, and an ether organic solvent. The amine additive prevents water from coordinating with magnesium ions and passivating the electrode. The strong reducing additive eliminates water and other impurities. This synergy enables efficient magnesium deposition/dissolution with low overpotential and improved Coulombic efficiency compared to bare magnesium salts.
4. Aqueous Magnesium Ion Battery Electrolyte Comprising Magnesium Chloride and Polyethylene Glycol
CHONGQING NEW ENERGY STORAGE MATERIAL AND EQUIPMENT RES INSTITUTE, CHONGQING NEW ENERGY STORAGE MATERIAL AND EQUIPMENT RESEARCH INSTITUTE, 2024
Wide potential aqueous magnesium ion battery electrolyte for use in aqueous magnesium ion batteries, particularly with low potential anodes like TiO2. The electrolyte contains magnesium chloride, water, and polyethylene glycol. The concentration of magnesium chloride is 2 mol/kg, the water and polyethylene glycol weight percentage is 75%. This electrolyte allows stable operation of low potential anodes like TiO2 in magnesium ion batteries by providing wide electrochemical stability.
5. Magnesium Ion Battery with Eutectic Magnesium Alloy Anode and Glyme-Based Electrolyte
ABRI CO LTD, FURUKAWA BATTERY CO LTD, FURUKAWA BATTERY CO LTD:THE, 2023
Magnesium ion secondary battery with reversible magnesium dissolution during charging/discharging. The battery uses a magnesium alloy with a eutectic mixture of hexagonal close-packed (hcp) and body-centered cubic (bcc) structures to expose active surfaces. The electrolyte contains glyme solvent, magnesium salt, and boron hydride additive. This allows reversible magnesium elution precipitation during cycling. The magnesium alloy contains lithium in a range to stabilize the eutectic mixture.
6. Electrolyte Composition with Specific Magnesium Salt Complex for Rechargeable Magnesium Batteries
Tsinghua University, TSINGHUA UNIVERSITY, 2023
Electrolyte for rechargeable magnesium batteries that provides high stability, ionic conductivity, and compatibility with magnesium metal anodes. The electrolyte contains a specific salt, [MgxM2xTPy][Mg(ORf)3Qz], where x, y, and z are integers, M is a -1 valence ion, Rf is a partially or fully fluorinated aliphatic or aromatic hydrocarbon group, and P and Q are complexing agents. The electrolyte is prepared by mixing Mg(ORf)2 and anhydrous MgM2 with a non-aqueous solvent at 25-100°C.
7. Electrolyte Composition with Hexafluoroisopropyl Magnesium Salt in Organic Solvents for Magnesium Batteries
WUHAN UNIV OF TECHNOLOGY, WUHAN UNIVERSITY OF TECHNOLOGY, 2023
Magnesium battery electrolyte containing hexafluoroisopropyl magnesium salt in organic solvents like tetrahydropyran, Glyme, diglyme, triglyme, tetraglyme, 1,3-dioxane, 1,4-dioxane, carbonic acid esters, and carbonate esters. The electrolyte can be prepared by dissolving the magnesium salt in the organic solvent under inert atmosphere. It enables effective deposition and dissolution of magnesium ions without passivation layers, allowing high-performance magnesium batteries.
8. Electrolyte Composition for Rechargeable Magnesium Batteries with Organic Amine Additive
CHONGQING IND POLYTECHNIC COLLEGE, CHONGQING INDUSTRY POLYTECHNIC COLLEGE, 2023
Rechargeable magnesium battery electrolyte containing organic amine additive with improved performance compared to traditional electrolytes for magnesium batteries. The electrolyte composition includes magnesium salts, an activator, an organic amine additive, and anhydrous oxygen-free organic solvent. The organic amine additive helps to improve the magnesium ion dissolution and deposition properties in the electrolyte, enabling reversible magnesium plating/stripping. The additive also enhances electrolyte conductivity. The electrolyte composition allows stable cycling of magnesium anodes in batteries without passivation layers forming.
9. Non-Aqueous Magnesium Battery Electrolyte with Ether Solvent and Complex Salt Composition
TSINGHUA UNIV, TSINGHUA UNIVERSITY, 2023
Magnesium battery electrolyte with improved water resistance and impurity tolerance to enable stable cycling of magnesium batteries. The electrolyte is a non-aqueous solvent containing a specific electrolyte salt. The solvent is an ether like tetrahydrofuran or ethylene glycol dimethyl ether. The electrolyte salt has a composition like [Mg(Linoxo)(HMDS)2m+noRp]·Mq,in, where Lin is lithium, Rp is an organic group, and Mq,in are manganese and indium. This electrolyte allows reversible magnesium deposition/dissolution without passivation layers, reducing overpotential and improving cycling compared to aqueous or inorganic electrolytes.
10. Silylated Cellulose Coating with Solvated Ion-Conducting Additives for Magnesium Anodes
HONDA MOTOR CO LTD, 2023
Protective coating for magnesium anodes in batteries to enable stable cycling and improve capacity. The coating is a layer of silylated cellulose, which is cellulose treated with silicon compounds. The coating is applied to the magnesium anode surface and contains solvated ion-conducting additives. The solvent solvates the additives and also acts as an electrolyte. The silylated cellulose coating with embedded solvated additives provides a protective barrier for the magnesium anode that allows ionic conduction.
11. Electrolyte Composition with Imidazole Additives for Magnesium Ion Batteries
TSINGHUA UNIV, TSINGHUA UNIVERSITY, 2023
Electrolyte for magnesium ion batteries that improves performance by preventing passivation of the magnesium anode and enhancing ion conductivity. The electrolyte contains imidazole additives like 1-methylimidazole that regulate the solvation structure of the electrolyte. This reduces interaction between anions and magnesium ions, preventing anode passivation and enabling faster magnesium ion transfer. The imidazole additives also improve ionic conductivity. The additives are mixed with non-aqueous solvents like ionic liquids to prepare the electrolyte.
12. Magnesium Ion/Alkali Metal Ion-Hybrid Secondary Battery with Non-Aqueous Electrolyte and Distinct Electrode Layer Configuration
FUJIFILM WAKO PURE CHEMICAL CORP, YAMAGUCHI UNIV, 2023
Magnesium ion/alkali metal ion-hybrid secondary battery that can be charged and discharged at a higher voltage, has a high capacity and excellent cycle characteristics, and a non-aqueous electrolyte suitable as an electrolyte for this secondary battery. The battery includes a positive electrode layer containing an alkali metal, a negative electrode layer containing at least one of magnesium and a magnesium alloy, and a gap between the positive electrode active material layer and the negative electrode active material layer.
13. Electrolyte Composition with Boron-Based Magnesium Salt and Anion-Containing Additive for Magnesium-Ion Batteries
NANJING TECH UNIVERSITY, UNIV NANJING TECH, 2023
Electrolyte composition for magnesium-ion batteries that enables high-current magnesium storage in cathodes. The electrolyte contains a boron-based magnesium salt, an organic ether solvent, and an additive with a different anion. This electrolyte promotes magnesium desolvation, improves compatibility with cathode materials, and enhances high-current magnesium storage performance compared to conventional chlorine-based electrolytes.
14. Magnesium Battery Electrolyte Comprising Magnesium Salt and Electron-Deficient Boron Compound for Enhanced Reversibility and Water Resistance
TSINGHUA UNIVERSITY, UNIV TSINGHUA, 2023
Magnesium battery electrolyte with improved performance for reversible deposition-dissolution of magnesium, reduced overpotential, and water resistance. The electrolyte contains a magnesium salt like (TFSI)2Mg and an electron-deficient boron compound. The boron compound peels off passivation layers on the magnesium anode and improves magnesium reversibility. It also enhances water resistance of the electrolyte. The magnesium salt concentration is 0.1-3 M and the boron compound is 0.1-3 M.
15. Non-Nucleophilic Electrolyte with In Situ Magnesium Salt Generation for Magnesium Anodes in Secondary Batteries
HARBIN INST TECHNOLOGY, HARBIN INSTITUTE OF TECHNOLOGY, 2022
A non-nucleophilic electrolyte for magnesium secondary batteries that generates magnesium salt in situ to prevent passivation of the magnesium anode and enable use of non-nucleophilic electrolytes with positive electrode materials like sulfur-carbon composites. The electrolyte contains aluminum trichloride, metal chlorides like copper, chromium, or tin chlorides, and an organic solvent like ethylene glycol dimethyl ether. The aluminum trichloride concentration is 0.1-2 mol/L and the metal chloride concentration is 0.005-1 mol/L. This electrolyte avoids passivation of the magnesium anode and enables use of non-nucleophilic electrolytes with positive electrode materials like sulfur-carbon
16. Electrolyte Composition for Magnesium-Ion Batteries with Metal Ion Additives Reducing Solvation
SHANGHAI JIAOTONG UNIVERSITY, UNIV SHANGHAI JIAOTONG, 2022
Rechargeable magnesium-ion batteries with improved capacity, cycle life, and rate performance compared to conventional magnesium-ion batteries. The improvement comes from adding metal ions like manganese, iron, cobalt, nickel, copper, zinc, or silver to the electrolyte. This reduces magnesium ion solvation, allowing more exposed magnesium ions to react with the electrode materials. The desolvated magnesium ions can then rapidly migrate into the electrodes, enhancing capacity, and maintain structural stability for better cycle life and rate performance.
17. Rechargeable Magnesium Battery Electrolyte with Double Organic Magnesium Salts and Solvents
CHONGQING MEICHU NEW MATERIAL TECH CO LTD, CHONGQING MEICHU NEW MATERIAL TECHNOLOGY CO LTD, 2022
Wide potential window rechargeable magnesium battery electrolyte with improved oxidation stability beyond 4V vs. Mg/Mg2+. The electrolyte contains double organic magnesium salts like borates and alumnates, double organic solvents like chain ethers and fluorinated ethers, and a sulfonamide additive. This composition enables reversible magnesium deposition-dissolution with high oxidation stability. It improves the electrolyte's performance by providing active magnesium ions, enhancing solubility, adjusting solvation structures, and inhibiting passivation.
18. Electrolyte Solution with Magnesium Salt, Halide Ions, Borate Additive, and Cyclic Carbonate Solvent for Magnesium Batteries
NISSHINBO HOLDINGS INC, 2021
Electrolyte solution for magnesium batteries that reduces overvoltage and improves utilization of the magnesium anode. The electrolyte contains a magnesium salt with halide ions, a borate salt, and an organic solvent like cyclic carbonates. The borate additive reduces overvoltage on the magnesium anode compared to using just the magnesium salt. The cyclic carbonate solvent helps stabilize the electrolyte and improves performance.
19. Layered Nickel Oxyhydroxide Positive Electrode for Enhanced Magnesium Ion Diffusion in Non-Aqueous Batteries
PANASONIC INTELLECTUAL PROPERTY MANAGEMENT CO LTD, PANASONIC IP MAN CO LTD, 2021
Positive electrode material for high-capacity non-water magnesium batteries that enables faster diffusion of magnesium ions, high reversible capacity, and high reaction potential. The positive electrode contains layered nickel oxyhydroxide (NiOOH) as the active material. This layered structure allows occlusion and release of magnesium ions between the layers. It addresses the slow diffusion of multivalent ions like magnesium in positive electrodes. The layered nickel oxyhydroxide enables better magnesium ion mobility compared to other forms of nickel oxyhydroxide, enabling high-capacity magnesium batteries.
20. Non-Aqueous Electrolyte Solution with Glyme Solvent and Alkylated Hydroxytoluene for Magnesium Secondary Battery
PANASONIC IP MAN CORP, PANASONIC IP MANAGEMENT CORP, 2021
Non-aqueous electrolyte solution and magnesium secondary battery for improving oxidation resistance and Coulomb efficiency of magnesium batteries. The electrolyte contains a glyme solvent, magnesium salt, and an alkylated hydroxytoluene additive. The alkylated hydroxytoluene improves oxidation resistance, while controlling its content allows balancing oxidation resistance and Coulomb efficiency. The glyme solvent has low viscosity for good conductivity. Magnesium salts with certain anions like Cl- are used.
21. Water-Based Magnesium Alloy Secondary Battery with Ultrasonicated Magnesium Salt-Iodine Electrolyte
SONGSHAN LAKE MAT LAB, SONGSHAN LAKE MATERIALS LABORATORY, 2021
A new type of water-based magnesium metal secondary battery that can be cycled and has higher specific energy compared to primary water-based magnesium batteries. The battery uses a magnesium alloy anode that is less prone to oxidation compared to pure magnesium. An electrolyte containing a magnesium salt and iodine is used. The alloy and electrolyte preparation involves ultrasonication to dissolve the magnesium salt and iodine. The resulting battery has improved cycle life compared to water-based magnesium batteries due to the in-situ formation of an ion-conducting layer at the alloy anode interface.
22. Aqueous Magnesium Ion Energy Storage Device with Organic Additive Electrolyte and Reversible Ion Adsorber Electrode
Nanjing Tech University, NANJING TECH UNIVERSITY, 2021
A chargeable and dischargeable aqueous solution energy storage device with high voltage and energy density for applications like power storage and release. The device uses a magnesium salt aqueous electrolyte containing organic additives instead of flammable organic solvents. The electrolyte enables high voltage and energy density magnesium batteries with improved cycle life. The negative electrode is magnesium or magnesium alloy, and the positive electrode is a reversible ion adsorber like carbon, oxide, polymer, or intercalation compound.
23. All-Inorganic Salt Electrolyte Composition for Rechargeable Magnesium Batteries with Magnesium Plating/Stripping Capability
CHONGQING UNIVERSITY, UNIV CHONGQING, 2021
An all-inorganic salt type electrolyte for rechargeable magnesium batteries that enables reversible magnesium plating/stripping. The electrolyte composition includes specific inorganic salts, co-solvent, activator, and additive. The electrolyte preparation involves mixing the components in an anhydrous and oxygen-free solvent. The selected inorganic salts are magnesium chloride, lithium chloride, sodium chloride, and potassium chloride. The activator can be methyl chloride, zinc chloride, or ferric chloride. The additives are heptamethyldisilazane, tert-butyldimethylsilylimidazole, trimethylsilylamine, and bis(dimethylamino)dimethylsil
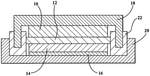
24. Aqueous Magnesium Battery with Specific Electrolyte Composition and Cell Geometry to Mitigate Dendrite Formation
FURUKAWA BATTERY CO LTD, FURUKAWA BATTERY CO LTD:THE, 2021
Aqueous magnesium battery design with improved cycle life and capacity retention. The battery has specific electrolyte composition, cell geometry, and construction to mitigate issues like dendrite formation and capacity fade. The electrolyte contains 7.2-9.1 mol H/mol Mg, and pre-reaction electrolyte is injected during charging. The cell has a narrower gap near the negative electrode tab to prevent dendrites. The electrolyte tank is wider at the top to prevent air ingress. One wall is inclined with an air electrode and a metal negative electrode between the walls.
25. Electrolyte Solution with Magnesium Salt, Nitrile Solvent, and Crown Ether for Magnesium Secondary Batteries
TOBATA SEISAKUSHO KK, TOBATA SEISAKUSHO:KK, UNIV YAMAGUCHI, 2021
Electrolyte solution for magnesium secondary batteries that improves cycle life and reduces overvoltage compared to conventional electrolytes. The electrolyte contains a magnesium salt, nitrile solvent, and crown ether. The crown ether modifies the magnesium surface to prevent oxide formation, mitigating the negative effects of increased magnesium content. The nitrile solvent facilitates electrochemical reactions. Using this electrolyte in magnesium secondary batteries with high magnesium content negative electrodes enables better capacity and cycle performance compared to traditional electrolytes.
26. All-Organic Magnesium Ion Battery with Polymer Electrodes Utilizing Anion Binding and Release Mechanism
Shanghai Jiao Tong University, SHANGHAI JIAO TONG UNIVERSITY, 2021
An all-organic magnesium ion battery with improved cycle life, rate performance, and voltage compared to existing magnesium batteries. The battery uses organic polymer electrodes instead of traditional inorganic intercalation materials. The positive electrode is based on P-type organic molecules that reversibly lose/gain electrons to form stable cationic radicals. During charging, electrons are lost and anions are combined to balance charge. During discharge, electrons return and anions are released. This anion binding/removal mechanism avoids issues like slow intercalation and structure collapse seen with inorganic intercalation materials. The organic polymer electrodes have high capacity, rate performance, and cycle stability.
27. Magnesium Sulfide Composite Material with Zinc Blende Crystal Structure
MURATA MANUFACTURING CO LTD, 2020
Magnesium sulfide material, magnesium sulfide composite material, positive electrode for secondary batteries, magnesium secondary batteries, and wide band gap semiconductor materials with improved characteristics for applications like batteries, electronics, and sensors. The materials have magnesium sulfide with a zinc blende crystal structure. This structure forms during discharge of magnesium sulfide in batteries, or by heating sulfur and magnesium. It has better ionic conductivity, charge capacity, and stability compared to other magnesium sulfide forms. The materials can be produced by discharging magnesium sulfide in an electrolyte containing magnesium salt.
28. Zinc Blende Crystal Structure Magnesium Sulfide for Electrochemical Applications
MURATA MANUFACTURING CO LTD, 2020
Magnesium sulfide materials, composites, batteries, and manufacturing methods for magnesium sulfide with improved electrochemical properties for magnesium batteries. The magnesium sulfide has a zinc blende crystal structure instead of the sodium chloride structure found in natural magnesium sulfide. This zinc blende magnesium sulfide shows higher ionic conductivity and electrochemical desorption of magnesium ions, enabling improved performance in magnesium batteries. The manufacturing method involves forming a sulfur layer between electrodes in a magnesium salt electrolyte, then generating a discharge to convert the sulfur to zinc blende magnesium sulfide.
29. Magnesium-Ion Battery with Flexible Electrodes and Polymer Gel Electrolyte Containing Magnesium Perchlorate
Hongbin Yu, Todd Houghton, 2019
Magnesium-ion batteries with mechanically flexible electrodes and a polymer gel electrolyte that avoids unwanted redox reactions between the electrodes and electrolyte. The batteries have solid, flexible anodes and cathodes made from materials like bismuth nanotubes and tungsten disulfide, respectively. The electrodes are mixed with an electrolyte binder to form the active electrode material. The polymer gel electrolyte contains magnesium perchlorate. This configuration allows the batteries to operate without significant redox reactions between the electrodes and electrolyte, which can degrade performance. The flexible electrodes and electrolyte enable flexible battery designs.
30. Magnesium Ion Hybrid Supercapacitor with Reversible Deposition/Dissolution Cathode and Magnesium Salt Electrolyte
Shenzhen Zhongke Ruineng Industrial Co., Ltd., Shenzhen Institute of Advanced Technology, SHENZHEN ZHONGKE RUINENG INDUSTRIAL CO LTD, 2019
Magnesium ion hybrid supercapacitor with improved energy density compared to traditional lithium-ion batteries. The supercapacitor uses magnesium-based materials for reversible deposition/dissolution of magnesium ions. The cathode contains magnesium-based composites like graphene/Mg, carbon fiber/Mg, or CNT/Mg. The electrolyte uses magnesium salts like Mg(TFSI)2 or Mg(CF3SO3)2. This allows magnesium ion storage instead of lithium, addressing the issue of lithium resource constraints. The magnesium-based materials in the cathode provide reversible deposition/dissolution of magnesium ions, improving energy density compared to lithium-ion batteries.
31. Alkali Metal Ion Battery with Magnesium Negative Electrode and Sulfide Solid Electrolyte
GS YUASA CORP, 2019
Alkali metal ion battery with improved discharge capacity and charge/discharge efficiency. The battery contains a negative electrode with magnesium and a sulfide solid electrolyte. The sulfide solid electrolyte prevents the formation of a film of precipitates derived from the electrolyte on the magnesium surface. This allows reversible ion reaction with the magnesium and improves discharge capacity and efficiency compared to using magnesium with a regular non-aqueous electrolyte.
32. Rechargeable Magnesium Battery with Nano-Copper Selenide Positive Electrode and Mg(AlCl2EtBu)2/THF Electrolyte
SHIJIAZHUANG TIEDAO UNIVERSITY, UNIV SHIJIAZHUANG TIEDAO, 2019
Rechargeable magnesium battery with improved cycling performance and capacity compared to conventional magnesium batteries. The battery uses nano-copper selenide as the positive electrode active material, magnesium as the negative electrode, and a specific electrolyte composition of Mg(AlCl2EtBu)2/THF with a concentration of 0.25M. This battery configuration provides higher capacity and cycling stability compared to conventional magnesium batteries.
33. Non-Aqueous Electrolyte with Inorganic Magnesium Salt and Organoborane for Magnesium Secondary Batteries
Qingdao Institute of Bioenergy and Bioprocess Technology, Chinese Academy of Sciences, 2019
A non-aqueous electrolyte for magnesium secondary batteries with improved performance and reduced safety risks compared to traditional lithium-ion batteries. The electrolyte contains a non-aqueous organic solvent, an inorganic magnesium salt like MgF2, MgO or Mg3N2, and an organoborane like tris(hexafluoroisopropyl) borate or tris(pentafluorobenzene) boron. The organoborane dissociates the magnesium salt into active species for better magnesium deposition and dissolution. The selected magnesium salts without chloride, fluorinated borates, and ether solvents reduce corrosion and improve performance compared to conventional lithium batteries.
34. Vanadium Sulfide and Vanadium Sulfide/Graphene Nanocomposite Cathode Materials with Reversible Magnesium Ion Insertion Structure
Korea Institute of Science and Technology, 2019
Vanadium sulfide (VS4) and VS4/graphene nanocomposite as low-cost, stable, and efficient cathode materials for magnesium batteries. The vanadium sulfide has a structure that allows reversible electrochemical insertion and extraction of magnesium ions. The nanocomposite has vanadium sulfide particles on reduced graphene oxide for improved stability. The magnesium secondary battery using these cathode materials shows excellent electrochemical stability, cycle life, and efficiency compared to existing cathode materials like molybdenum sulfide. The battery can be used in magnesium-ion batteries for applications like electric vehicles, energy storage, and sensors.
35. Magnesium-Ion Battery with Group 15 Chalcogenide Electrode Materials and Magnesium Salt Electrolyte
TOYOTA JIDOSHA KABUSHIKI KAISHA, 2019
High energy density magnesium-ion batteries using improved active materials in the electrodes. The batteries have higher energy density compared to lithium-ion batteries due to magnesium ions carrying two charges. The active materials in the electrodes are compounds from Group 15 of the periodic table, like chalcogenides of bismuth. Using these materials in the electrodes allows better utilization of the high capacity magnesium ions in the battery. The batteries have a magnesium salt electrolyte and can use metallic magnesium or magnesium alloys as the negative electrode material.
36. Magnesium Battery Electrolyte with Benzene Ring Compound and Specific Additive-Solvent Combination
Macheng City Tianli Technology Co., Ltd., 2019
Magnesium battery electrolyte for high performance magnesium ion batteries. The electrolyte contains a specific compound represented by the general formula (I), along with an additive and solvent. The compound improves magnesium ion conductivity compared to traditional aprotic electrolytes. It contains a benzene ring with substituents like fluoro, chloro, or methoxy groups. The additive and solvent are selected to enhance battery performance. This electrolyte enables better magnesium ion passivation, enabling longer cycle life and higher capacity magnesium batteries.
37. Electrolyte Composition of Magnesium Trifluoromethanesulfonate and Aluminum Trichloride in Organic Solvent for Rechargeable Magnesium Batteries
Shanghai Jiao Tong University, 2019
Electrolyte for rechargeable magnesium batteries with improved cycle life and low cost. The electrolyte contains magnesium trifluoromethanesulfonate and aluminum trichloride in a specific molar ratio (1:1-5) dissolved in an organic solvent. The concentration of magnesium ions is 0.1-2 mol/L. This electrolyte provides high anodic oxidation decomposition potential, conductivity, and magnesium deposition-dissolution efficiency on non-inert metals like stainless steel. It enables stable cycling and reduces dendrite formation compared to conventional electrolytes.
38. Electrolyte Composition with Magnesia Solvent and Bis(diisopropylamino)magnesium Additive for Magnesium Batteries
Shanghai Jiao Tong University, 2019
Electrolyte for rechargeable magnesium batteries that provides high capacity, long cycle life, and low cost compared to existing electrolytes. The electrolyte contains magnesia (Mg) as the solvent, magnesium chloride (MgCl2) and/or aluminum chloride (AlCl3) as solutes, and bis(diisopropylamino)magnesium (Mg(DIPA)2) as an additive. This electrolyte enables reversible magnesium deposition-dissolution, improves cycling stability, and reduces decomposition potential compared to other magnesium electrolytes. The Mg-based electrolyte allows using high-capacity sulfur cathodes in rechargeable magnesium batteries.
39. Electrolyte Solution with Magnesium Salt and Specific Anions for Enhanced Ion Cycling in Magnesium Ion Batteries
FUJIFILM WAKO PURE CHEMICAL CORP, 2019
Electrolyte solution for magnesium ion batteries that allows high current density, reversible magnesium dissolution and precipitation, stability, and safety compared to existing solutions. The electrolyte contains a magnesium salt with specific anions like alkoxy, aryloxy, or carbonyl derivatives. The anion structure enables fast, stable magnesium ion cycling and high current density without passivation layers. It also improves stability and safety compared to flammable or hazardous solvents used in prior art.
40. Magnesium Secondary Battery with Mg-Sn Alloy Negative Electrode for Reversible Magnesium Insertion
Chungnam National University Industry-Academic Cooperation Foundation, 2019
Magnesium secondary battery with improved cycle life and capacity retention. The battery uses a negative electrode with Mg-Sn alloy instead of Sn-based materials that degrade rapidly during cycling. This prevents the capacity fade issue seen in Sn negative electrodes. The Mg-Sn alloy negative electrode allows reversible magnesium insertion/extraction for charging/discharging.
41. Sulfur-Coated Polyethylene Dioxythiophene Conductive Polymer Doped with Sulfonic Acid for Positive Electrode in Multivalent-Ion Batteries
MURATA MANUFACTURING CO LTD, 2019
Positive electrode material for multivalent-ion secondary batteries like magnesium-ion batteries that improves battery characteristics. The material is a sulfur-coated polyethylene dioxythiophene (PEDOT) conductive polymer doped with a sulfonic acid compound. This coating on the sulfur particle surface enhances battery performance compared to plain sulfur. The coated sulfur can be used in the positive electrode along with other components like carbon, binders, and conductive agents. The coated sulfur improves electric capacity, initial capacity, and capacity retention. The electrolyte contains a sulfone-based solvent and a multivalent metal salt like magnesium.
42. Magnesium Battery with Transition Metal Sulfide or Fluoride Positive Electrode and Lithium-Magnesium Double Salt Electrolyte
Shanghai Institute of Ceramics, Chinese Academy of Sciences, 2019
High energy density magnesium battery with conversion reaction based positive electrode using transition metal sulfides or fluorides, lithium-magnesium double salt electrolyte, and magnesium or magnesium alloy as negative electrode. The conversion reaction driven by lithium ions allows multi-electron processes with favorable kinetics, enabling higher energy density compared to single electron intercalation reactions. The double salt electrolyte containing magnesium and lithium salts allows the use of cathode materials from lithium-ion batteries and prevents negative electrode dendrites.
43. Magnesium Secondary Batteries with Mixed Sulfone and Ether/Thioether Solvent-Based Non-Aqueous Electrolytes
NATIONAL INSTITUTE OF ADVANCED INDUSTRIAL SCIENCE AND TECHNOLOGY, 2018
Magnesium secondary batteries with high voltage operation and non-aqueous electrolytes for magnesium batteries that enable high voltage operation. The batteries use specific solvents in the electrolyte, such as mixed sulfone and ether/thioether solvents, to improve magnesium ion diffusion and reduce voltage overpotential. The solvents contain sulfone groups and either ether or thioether groups.
44. Electrolyte Solution with Cyclic Ester Solvent for Magnesium Rechargeable Batteries
Educational Corporation Doshisha, 2018
Electrolyte solution for magnesium rechargeable batteries that enables stable cycling of magnesium metal cathodes. The electrolyte uses cyclic esters like carbonate esters as the solvent instead of the typical ether-based electrolytes. The cyclic ester solvent allows higher oxidation resistance compared to ethers, preventing oxidation disassembly of the electrolyte at higher voltages. This enables designing magnesium batteries with higher practical use voltages beyond 3V for improved energy density. The cyclic ester solvent also dissolves magnesium salts like trifluoroacetic magnesium for the electrolyte.
45. Tin-Based Active Material with Variable Magnesium Composition for Rechargeable Magnesium Batteries
TOYOTA JIDOSHA KABUSHIKI KAISHA, 2018
Active material for rechargeable magnesium batteries that has higher energy density compared to conventional magnesium batteries. The active material is a tin-based composition like MgxSn where 0 < x < 2. This allows full utilization of the high charge capacity of magnesium ions compared to lithium ions. The tin-based anode material provides improved energy density for magnesium ion batteries compared to other anode materials. The tin composition can vary with x to optimize magnesium content. The tin-based active material can be used in the cathode or anode of magnesium batteries to enhance energy density.
46. Mono-nuclei Cationized Magnesium Salts with MgRnMX4-mYm Structure for Rechargeable Batteries
SUZHOU INSTITUTE OF NANO-TECH AND NANO-BIONICS, CHINESE ACADEMY OF SCIENCES, 2018
Mono-nuclei cationized magnesium salts for use in rechargeable magnesium batteries that overcome the issue of passivation layers on magnesium electrodes. The salts have a unique chemical formula MgRnMX4-mYm, where R is a solvent molecule, M is Al or B, X is a halide, Y is a halogenoid, n is 0-6, and m is 0-4. They are synthesized by reacting Lewis acidic Mg2+ with Lewis basic Al3+/B3+ in a solvent. The salts can dissolve in non-aqueous solvents like organic solvents or ionic liquids to make the electrolyte for magnesium batteries, allowing reversible magnesium ion deposition and dissolution.
47. Rechargeable Magnesium Battery with Prussian Blue Cathode and Non-Aqueous Ether Electrolyte
Contemporary Amperex Technology Co., Limited (CATL), 2018
Rechargeable magnesium battery with high energy density and safety for electric vehicles and grid storage. The battery uses a Prussian blue cathode with an open framework structure that allows fast reversible insertion and extraction of magnesium ions. The anode is a magnesium metal or alloy. The electrolyte is a magnesium salt in a non-aqueous ether solvent. The open framework Prussian blue cathode enables high capacity and cycling stability for the magnesium battery. The open framework allows rapid reversible insertion/extraction of magnesium ions.
48. Electrolysis Solution with Sulfur Scavenger Additive for Magnesium Batteries
MURATA MANUFACTURING CO LTD, 2018
Electrolysis solution and electrochemistry device for improving cycling performance of magnesium batteries. The solution contains a sulfur scavenger additive that captures sulfur species generated during charge/discharge cycles. This prevents sulfur from diffusing to the cathode interface where it corrodes the magnesium electrode material. The scavenger additive mitigates sulfur degradation and improves cycling characteristics of magnesium batteries.
49. Magnesium Battery with Dual-Casing Structure and Pressure-Activated Dispersion Medium Integration
Jiao Jianming, 2018
Magnesium battery that can be stored for a long time and used in cold environments by using a unique dual-casing design. The battery has an inner casing containing the electrodes and an outer casing filled with a dispersion medium. If pressure is applied to the outer casing, it breaks and the dispersion medium invades the inner casing. This mixes with the electrolyte to form a functional electrolyte solution. This allows long-term storage without contact between the electrodes and electrolyte, preventing corrosion. In cold environments, the battery can still operate as the frozen outer medium won't affect the functional electrolyte inside.
50. Magnesium Battery with Mixed Dispersion Medium and Electrolyte Solution for Electrode Isolation
Jiao Jianming, 2018
Magnesium battery that can be stored for long periods and used in cold regions, as well as a power generation device using this battery. The battery has an electrolyte solution that is a mixture of the dispersion medium used in the electrode preparation and the electrolyte. This allows long-term storage without contact between the electrodes and the electrolyte, preventing freezing in cold temperatures. It also prevents prolonged contact between the electrodes and electrolyte during storage, preventing degradation.
Get Full Report
Access our comprehensive collection of 102 documents related to this technology
Identify Key Areas of Innovation in 2025

